
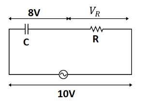
In a series $CR$ circuit shown in figure, the applied voltage is $10V$ and the voltage across the capacitor is found to be $8V$ . The voltage across $R$ , and the phase difference between the current and the applied voltage respectively be:
A. $6V,{\tan ^{ - 1}}\left( {\dfrac{4}{3}} \right)$
B. $3V,{\tan ^{ - 1}}\left( {\dfrac{3}{4}} \right)$
C. $6V,{\tan ^{ - 1}}\left( {\dfrac{3}{4}} \right)$
D. None of these
Answer
495.9k+ views
Hint:In this question we need to find the voltage across the resistor by using the capacitor voltage and the supply voltage and we also need to find the phase difference between the capacitor and the resistor by using the given data. The capacitor, inductor and resistor are the passive components where capacitor and inductor are the components which are used to store the energy, capacitor will store energy in the form of electrical energy whereas the inductor will store the energy in the form of magnetic field.
Formulas used:
$ \to {V^2} = \sqrt {{V_R} + {{({V_L} - {V_c})}^2}} $
Where, ${V_R} = $ Voltage across the resistor, ${V_L} = $ Voltage across the inductor, ${V_C} = $Voltage across the capacitor and ${V_{}} = $ Source voltage.
$\tan \phi = \dfrac{{{V_c} - {V_L}}}{{{V_R}}}$
Where, $\phi = $ Phase difference
Complete step by step answer:
Given:- $V = 10V$, ${V_c} = 8V$, ${V_L} = 0$, ${V_R} = ?$ and $\phi = ?$.
We know that,
${V^2} = \sqrt {{V_R} + {{({V_L} - {V_c})}^2}} $
Here, ${V_L} = 0$
Therefore, ${V^2} = \sqrt {V_R^2 + {V_c}^2} $
On further simplification
${V_R} = \sqrt {{{\left( V \right)}^2} - {{\left( {{V_C}} \right)}^2}} $
On substituting the given data in above equation we get
${V_R} = \sqrt {{{\left( {10} \right)}^2} - {{\left( 8 \right)}^2}} $
Therefore, ${V_R} = 6V$
And, $\tan \phi = \dfrac{{{V_c} - {V_L}}}{{{V_R}}}$
On substituting the given data in above equation we get
$\tan \phi = \dfrac{8}{6} = \dfrac{4}{3}$
$\therefore \phi = {\tan ^{ - 1}}\left( {\dfrac{4}{3}} \right)$
Hence, option A is correct.
Note:The capacitive reactance and inductive reactance is the resistance offered by the capacitor and inductor respectively. An alternating circuit can contain capacitor or inductor or both capacitor and inductor. The S.I unit for the capacitive reactance and inductive reactance is $\Omega $ . In the circuit containing the resistor only the current and voltage will have zero phase difference whereas in the circuit containing the capacitor only the current leads the voltage by ${90^0}$. In the circuit containing the inductor only the current lags the voltage by ${90^0}$.
Formulas used:
$ \to {V^2} = \sqrt {{V_R} + {{({V_L} - {V_c})}^2}} $
Where, ${V_R} = $ Voltage across the resistor, ${V_L} = $ Voltage across the inductor, ${V_C} = $Voltage across the capacitor and ${V_{}} = $ Source voltage.
$\tan \phi = \dfrac{{{V_c} - {V_L}}}{{{V_R}}}$
Where, $\phi = $ Phase difference
Complete step by step answer:
Given:- $V = 10V$, ${V_c} = 8V$, ${V_L} = 0$, ${V_R} = ?$ and $\phi = ?$.
We know that,
${V^2} = \sqrt {{V_R} + {{({V_L} - {V_c})}^2}} $
Here, ${V_L} = 0$
Therefore, ${V^2} = \sqrt {V_R^2 + {V_c}^2} $
On further simplification
${V_R} = \sqrt {{{\left( V \right)}^2} - {{\left( {{V_C}} \right)}^2}} $
On substituting the given data in above equation we get
${V_R} = \sqrt {{{\left( {10} \right)}^2} - {{\left( 8 \right)}^2}} $
Therefore, ${V_R} = 6V$
And, $\tan \phi = \dfrac{{{V_c} - {V_L}}}{{{V_R}}}$
On substituting the given data in above equation we get
$\tan \phi = \dfrac{8}{6} = \dfrac{4}{3}$
$\therefore \phi = {\tan ^{ - 1}}\left( {\dfrac{4}{3}} \right)$
Hence, option A is correct.
Note:The capacitive reactance and inductive reactance is the resistance offered by the capacitor and inductor respectively. An alternating circuit can contain capacitor or inductor or both capacitor and inductor. The S.I unit for the capacitive reactance and inductive reactance is $\Omega $ . In the circuit containing the resistor only the current and voltage will have zero phase difference whereas in the circuit containing the capacitor only the current leads the voltage by ${90^0}$. In the circuit containing the inductor only the current lags the voltage by ${90^0}$.
Recently Updated Pages
Master Class 12 Business Studies: Engaging Questions & Answers for Success

Master Class 12 Economics: Engaging Questions & Answers for Success

Master Class 12 English: Engaging Questions & Answers for Success

Master Class 12 Maths: Engaging Questions & Answers for Success

Master Class 12 Social Science: Engaging Questions & Answers for Success

Master Class 12 Chemistry: Engaging Questions & Answers for Success

Trending doubts
What are the major means of transport Explain each class 12 social science CBSE

Which are the Top 10 Largest Countries of the World?

Draw a labelled sketch of the human eye class 12 physics CBSE

How much time does it take to bleed after eating p class 12 biology CBSE

Explain sex determination in humans with line diag class 12 biology CBSE

Differentiate between homogeneous and heterogeneous class 12 chemistry CBSE

