
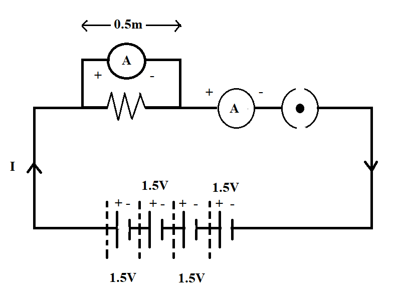
Draw a closed circuit diagram consisting of $0.5m$ long resistor XY, an ammeter, a voltmeter, four cells of $1.5V$ and a plug key.
Answer
561.3k+ views
Hint: In this question, we need to sketch the circuit diagram which should include $0.5m$ long resistor XY, an ammeter, a voltmeter, four cells of $1.5V$ and a plug key. For this, we will use the concept of the internal as well as the external circuit resistance along with the placement of the different meters in the circuit.
Complete step by step solution:
A circuit diagram is a diagram that shows how different components in a circuit are connected. This is done by using the electrical symbols for the components.
Now, let us draw the required circuit diagram by adding components one by one.
Firstly, we need to draw a $0.5m$ long resistor.
Now, Let us draw an ammeter and a voltmeter.
Let us draw four cells of$1.5V$.
At last, we need a plug key, that is, a switch in our circuit.
Following figure is our expected output.
In the figure above,
Battery is of $6V$, that is, it is a combination of four cells each of $1.5V$.
The voltmeter is always connected in parallel.
On the contrary, the ammeter is always connected in series.
A dot with the plug key specifies that the switch is on.
Additional Information:
Cell or battery, connecting wires, ammeter, voltmeter, bulb, etc. are various components on an electric circuit.
The direction of the current is from the positive end to the negative end.
The longer end of the ammeter is the positive end. Similarly, the shorter end of the battery is the negative end.
The positive end of the voltmeter is connected to the positive end of the battery and the negative end of the voltmeter is connected to the negative end of the batter.
Similarly, the positive end of the ammeter is connected to the positive end of the battery and the negative end of the ammeter is connected to the negative end of the batter.
Note:
In a circuit, the voltmeter is always connected in parallel. On the other hand, the ammeter is always connected in series. Students must draw symbols one by one as many students tend to forget drawing one or more components.
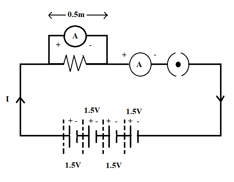
Complete step by step solution:
A circuit diagram is a diagram that shows how different components in a circuit are connected. This is done by using the electrical symbols for the components.
Now, let us draw the required circuit diagram by adding components one by one.
Firstly, we need to draw a $0.5m$ long resistor.
Now, Let us draw an ammeter and a voltmeter.
Let us draw four cells of$1.5V$.
At last, we need a plug key, that is, a switch in our circuit.
Following figure is our expected output.
In the figure above,
Battery is of $6V$, that is, it is a combination of four cells each of $1.5V$.
The voltmeter is always connected in parallel.
On the contrary, the ammeter is always connected in series.
A dot with the plug key specifies that the switch is on.
Additional Information:
Cell or battery, connecting wires, ammeter, voltmeter, bulb, etc. are various components on an electric circuit.
The direction of the current is from the positive end to the negative end.
The longer end of the ammeter is the positive end. Similarly, the shorter end of the battery is the negative end.
The positive end of the voltmeter is connected to the positive end of the battery and the negative end of the voltmeter is connected to the negative end of the batter.
Similarly, the positive end of the ammeter is connected to the positive end of the battery and the negative end of the ammeter is connected to the negative end of the batter.
Note:
In a circuit, the voltmeter is always connected in parallel. On the other hand, the ammeter is always connected in series. Students must draw symbols one by one as many students tend to forget drawing one or more components.
Recently Updated Pages
A man running at a speed 5 ms is viewed in the side class 12 physics CBSE

The number of solutions in x in 02pi for which sqrt class 12 maths CBSE

State and explain Hardy Weinbergs Principle class 12 biology CBSE

Write any two methods of preparation of phenol Give class 12 chemistry CBSE

Which of the following statements is wrong a Amnion class 12 biology CBSE

Differentiate between action potential and resting class 12 biology CBSE

Trending doubts
What are the major means of transport Explain each class 12 social science CBSE

Which are the Top 10 Largest Countries of the World?

Draw a labelled sketch of the human eye class 12 physics CBSE

How much time does it take to bleed after eating p class 12 biology CBSE

Explain sex determination in humans with line diag class 12 biology CBSE

When was the first election held in India a 194748 class 12 sst CBSE

