
How can I calculate voltage drop in a parallel circuit?
Answer
554.7k+ views
Hint: This can be solved by using ohm’s law which states that voltage across a conductor is directly proportional to the current flowing through it, and for parallel circuits we will use formula for total resistance to find total voltage drop.
Formula used:
$\begin{align}
& V=IR \\
& R={{R}_{1}}+{{R}_{2}}+{{R}_{3}} \\
\end{align}$
Complete step by step solution:
The voltage drop across a resistor in a parallel circuit is the same across all the resistors in each branch of all the parallel circuits in the parallel circuit diagram.
Voltage expressed in voltage measures the electromotive forces that drive the circuit or the potential difference.
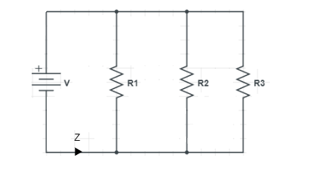
Consider a circuit with the three resistors connected in parallel and with the voltage supply ‘V’ and the current flowing in ‘I’.
Now step by step method to calculate voltage across the circuit,
Step 1:- find the total resistance of the parallel circuit.
Formula for total resistance for the circuit connected in parallel,
$\begin{align}
& \Rightarrow \dfrac{1}{{{R}_{T}}}=\dfrac{1}{{{R}_{1}}}+\dfrac{1}{{{R}_{2}}}+\dfrac{1}{{{R}_{3}}} \\
& \therefore {{R}_{T}}=\dfrac{{{R}_{1}}{{R}_{2}}{{R}_{3}}}{{{R}_{1}}{{R}_{2}}+{{R}_{2}}{{R}_{3}}+{{R}_{1}}{{R}_{3}}}....\left( 3 \right) \\
\end{align}$
Now according to the ohm’s law,
$\Rightarrow V=I{{R}_{T}}$
Where, V = voltage
I = current
${{R}_{T}}$ = total resistance
$\Rightarrow V=\dfrac{I\times {{R}_{1}}{{R}_{2}}{{R}_{3}}}{{{R}_{1}}{{R}_{2}}+{{R}_{2}}{{R}_{3}}+{{R}_{3}}{{R}_{4}}}....\left( 1 \right)$
Consider this method because according to Kirchhoff’s current law, the amount of the current entering in the circuit is equal to amount of the current leaving the circuit.
Note:
As an approach to solve this question we use ohm’s law to find voltage across a circuit of the resistor which are connected in parallel using total resistance of parallel circuit and total amount of current flowing in the circuit.
Formula used:
$\begin{align}
& V=IR \\
& R={{R}_{1}}+{{R}_{2}}+{{R}_{3}} \\
\end{align}$
Complete step by step solution:
The voltage drop across a resistor in a parallel circuit is the same across all the resistors in each branch of all the parallel circuits in the parallel circuit diagram.
Voltage expressed in voltage measures the electromotive forces that drive the circuit or the potential difference.
Consider a circuit with the three resistors connected in parallel and with the voltage supply ‘V’ and the current flowing in ‘I’.
Now step by step method to calculate voltage across the circuit,
Step 1:- find the total resistance of the parallel circuit.
Formula for total resistance for the circuit connected in parallel,
$\begin{align}
& \Rightarrow \dfrac{1}{{{R}_{T}}}=\dfrac{1}{{{R}_{1}}}+\dfrac{1}{{{R}_{2}}}+\dfrac{1}{{{R}_{3}}} \\
& \therefore {{R}_{T}}=\dfrac{{{R}_{1}}{{R}_{2}}{{R}_{3}}}{{{R}_{1}}{{R}_{2}}+{{R}_{2}}{{R}_{3}}+{{R}_{1}}{{R}_{3}}}....\left( 3 \right) \\
\end{align}$
Now according to the ohm’s law,
$\Rightarrow V=I{{R}_{T}}$
Where, V = voltage
I = current
${{R}_{T}}$ = total resistance
$\Rightarrow V=\dfrac{I\times {{R}_{1}}{{R}_{2}}{{R}_{3}}}{{{R}_{1}}{{R}_{2}}+{{R}_{2}}{{R}_{3}}+{{R}_{3}}{{R}_{4}}}....\left( 1 \right)$
Consider this method because according to Kirchhoff’s current law, the amount of the current entering in the circuit is equal to amount of the current leaving the circuit.
Note:
As an approach to solve this question we use ohm’s law to find voltage across a circuit of the resistor which are connected in parallel using total resistance of parallel circuit and total amount of current flowing in the circuit.
Recently Updated Pages
The number of solutions in x in 02pi for which sqrt class 12 maths CBSE

Write any two methods of preparation of phenol Give class 12 chemistry CBSE

Differentiate between action potential and resting class 12 biology CBSE

Two plane mirrors arranged at right angles to each class 12 physics CBSE

Which of the following molecules is are chiral A I class 12 chemistry CBSE

Name different types of neurons and give one function class 12 biology CBSE

Trending doubts
Which are the Top 10 Largest Countries of the World?

What are the major means of transport Explain each class 12 social science CBSE

Draw a labelled sketch of the human eye class 12 physics CBSE

Differentiate between insitu conservation and exsitu class 12 biology CBSE

The computer jargonwwww stands for Aworld wide web class 12 physics CBSE

State the principle of an ac generator and explain class 12 physics CBSE

