
Calculate the effective capacitance between points M and N.
A. $10\mu F$
B. $5\mu F$
C. $15\mu F$
D. $7\mu F$
Answer
541.2k+ views
Hint:To solve this question, we need to understand the concept of the parallel and series connection of the capacitors. Also, we need to check whether any capacitor is short circuited. This is because we do not have to consider the capacitor which is short circuited while calculating the effective capacitance.
Formulas used:
When two capacitors are connected in parallel connection, their equivalent capacitance is given by:
${C_{eq}} = {C_1} + {C_2}$
When two capacitors are connected in series connection, their equivalent capacitance is given by:
$\dfrac{1}{{{C_{eq}}}} = \dfrac{1}{{{C_1}}} + \dfrac{1}{{{C_2}}}$
Complete step by step answer:
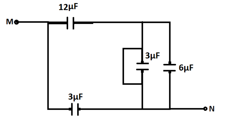
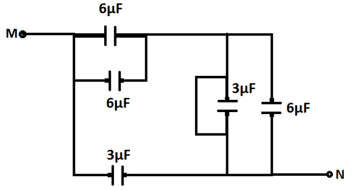
Let us solve the given circuit step by step. First we can see that two capacitors of $6\mu F$at the starting point near M are connected in parallel connection. Therefore their equivalent capacitance can be determined by the formula ${C_{eq}} = {C_1} + {C_2}$.Now, our circuit becomes as:
Now, we can see that the capacitor on the right side having $3\mu F$ is short circuited.Therefore, it becomes zero. Thus, our circuit becomes:
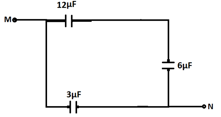
Now, we can see that the capacitors of $12\mu F$and $6\mu F$are connected in series.Therefore their equivalent capacitance can be determined by the formula $\dfrac{1}{{{C_{eq}}}} = \dfrac{1}{{{C_1}}} + \dfrac{1}{{{C_2}}}$ as
$\dfrac{1}{{{C_{eq}}}} = \dfrac{1}{{12}} + \dfrac{1}{6} = \dfrac{3}{{12}} = \dfrac{1}{4} \\
\Rightarrow {C_{eq}} = 4\mu F \\ $
Now, our circuit becomes as:
Finally, we can see that two capacitors of $4\mu F$and $3\mu F$ are connected in parallel connection. Therefore their equivalent capacitance can be determined by the formula ${C_{eq}} = {C_1} + {C_2}$ as $4 + 3 = 7\mu F$.
Thus the effective capacitance between points M and N is $7\mu F$.
Hence, option D is the right answer.
Note:The most important thing in this type of question to consider is to check for the short circuited capacitance. When the capacitor is short circuited, there is zero capacitance in a short circuited capacitor. It will behave as a conducting wire in the circuit.
Formulas used:
When two capacitors are connected in parallel connection, their equivalent capacitance is given by:
${C_{eq}} = {C_1} + {C_2}$
When two capacitors are connected in series connection, their equivalent capacitance is given by:
$\dfrac{1}{{{C_{eq}}}} = \dfrac{1}{{{C_1}}} + \dfrac{1}{{{C_2}}}$
Complete step by step answer:
Let us solve the given circuit step by step. First we can see that two capacitors of $6\mu F$at the starting point near M are connected in parallel connection. Therefore their equivalent capacitance can be determined by the formula ${C_{eq}} = {C_1} + {C_2}$.Now, our circuit becomes as:
Now, we can see that the capacitor on the right side having $3\mu F$ is short circuited.Therefore, it becomes zero. Thus, our circuit becomes:
Now, we can see that the capacitors of $12\mu F$and $6\mu F$are connected in series.Therefore their equivalent capacitance can be determined by the formula $\dfrac{1}{{{C_{eq}}}} = \dfrac{1}{{{C_1}}} + \dfrac{1}{{{C_2}}}$ as
$\dfrac{1}{{{C_{eq}}}} = \dfrac{1}{{12}} + \dfrac{1}{6} = \dfrac{3}{{12}} = \dfrac{1}{4} \\
\Rightarrow {C_{eq}} = 4\mu F \\ $
Now, our circuit becomes as:
Finally, we can see that two capacitors of $4\mu F$and $3\mu F$ are connected in parallel connection. Therefore their equivalent capacitance can be determined by the formula ${C_{eq}} = {C_1} + {C_2}$ as $4 + 3 = 7\mu F$.
Thus the effective capacitance between points M and N is $7\mu F$.
Hence, option D is the right answer.
Note:The most important thing in this type of question to consider is to check for the short circuited capacitance. When the capacitor is short circuited, there is zero capacitance in a short circuited capacitor. It will behave as a conducting wire in the circuit.
Recently Updated Pages
The number of solutions in x in 02pi for which sqrt class 12 maths CBSE

Write any two methods of preparation of phenol Give class 12 chemistry CBSE

Differentiate between action potential and resting class 12 biology CBSE

Two plane mirrors arranged at right angles to each class 12 physics CBSE

Which of the following molecules is are chiral A I class 12 chemistry CBSE

Name different types of neurons and give one function class 12 biology CBSE

Trending doubts
Which are the Top 10 Largest Countries of the World?

What are the major means of transport Explain each class 12 social science CBSE

Draw a labelled sketch of the human eye class 12 physics CBSE

Differentiate between insitu conservation and exsitu class 12 biology CBSE

The computer jargonwwww stands for Aworld wide web class 12 physics CBSE

State the principle of an ac generator and explain class 12 physics CBSE

