
With the help of a circuit diagram, describe an experiment to study the characteristics of photoelectric effect.
Answer
557.1k+ views
Hint : To answer this question, we need to show the effect of variation of different external parameters on the photocurrent. These parameters are; the intensity of light, the external potential applied, and the frequency of light.
Complete step by step answer
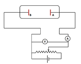
The experimental set up for studying the characteristics of the photoelectric effect is shown in the figure below.
The experimental setup consists of the evacuated glass tube, metal plate A, and a photosensitive plate B. The photosensitive plate B acts as emitter and the plate S acts as a collector of photoelectrons when a monochromatic light is incident on the plate B.
For studying the characteristics, we need to study the effect of the intensity, the potential, and the frequency on the photocurrent.
Effect of intensity – When the collector plate A is maintained at a higher potential than the emitter plate B and the intensity of the incident light is varied with other parameters being fixed, then it is observed that the photocurrent varies linearly with the intensity of the light.
Effect of potential – When the plate A is maintained at a positive potential, which is increased gradually, it is observed that the photocurrent first increases, then becomes maximum and attains saturation value. This maximum or the saturation value of the photocurrent is called saturation current. On the other hand when a negative potential is applied, then the photocurrent gradually and ultimately drops to zero for a certain value of the negative potential, which is known as the stopping potential.
Effect of frequency – When the different lights of different frequencies but same intensities are incident on the glass tube, then it is observed that the stopping potential is more negative for higher frequencies.
Hence, we have studied all the characteristics of the photoelectric effect.
Note
The photoelectric effect, which is discussed in this question, has many applications in different fields. The examples include the Photostats, which are used to generate the copies of a printed paper. Also, it is used in the photovoltaic cells, which are used in the solar panels for converting the solar energy of the sun into the electricity.
Complete step by step answer
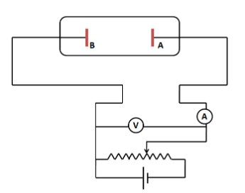
The experimental set up for studying the characteristics of the photoelectric effect is shown in the figure below.
The experimental setup consists of the evacuated glass tube, metal plate A, and a photosensitive plate B. The photosensitive plate B acts as emitter and the plate S acts as a collector of photoelectrons when a monochromatic light is incident on the plate B.
For studying the characteristics, we need to study the effect of the intensity, the potential, and the frequency on the photocurrent.
Effect of intensity – When the collector plate A is maintained at a higher potential than the emitter plate B and the intensity of the incident light is varied with other parameters being fixed, then it is observed that the photocurrent varies linearly with the intensity of the light.
Effect of potential – When the plate A is maintained at a positive potential, which is increased gradually, it is observed that the photocurrent first increases, then becomes maximum and attains saturation value. This maximum or the saturation value of the photocurrent is called saturation current. On the other hand when a negative potential is applied, then the photocurrent gradually and ultimately drops to zero for a certain value of the negative potential, which is known as the stopping potential.
Effect of frequency – When the different lights of different frequencies but same intensities are incident on the glass tube, then it is observed that the stopping potential is more negative for higher frequencies.
Hence, we have studied all the characteristics of the photoelectric effect.
Note
The photoelectric effect, which is discussed in this question, has many applications in different fields. The examples include the Photostats, which are used to generate the copies of a printed paper. Also, it is used in the photovoltaic cells, which are used in the solar panels for converting the solar energy of the sun into the electricity.
Recently Updated Pages
A man running at a speed 5 ms is viewed in the side class 12 physics CBSE

The number of solutions in x in 02pi for which sqrt class 12 maths CBSE

State and explain Hardy Weinbergs Principle class 12 biology CBSE

Write any two methods of preparation of phenol Give class 12 chemistry CBSE

Which of the following statements is wrong a Amnion class 12 biology CBSE

Differentiate between action potential and resting class 12 biology CBSE

Trending doubts
What are the major means of transport Explain each class 12 social science CBSE

Which are the Top 10 Largest Countries of the World?

Draw a labelled sketch of the human eye class 12 physics CBSE

Explain sex determination in humans with line diag class 12 biology CBSE

Explain sex determination in humans with the help of class 12 biology CBSE

Differentiate between homogeneous and heterogeneous class 12 chemistry CBSE

