
With the help neat labeled circuit diagram explain the working of half wave rectifier using semiconductor diode. Draw the input and output waveforms.
Answer
554.7k+ views
Hint: In this question we have to explain all the steps of working of half wave rectifier. Without diagram we can't explain clearly. A half wave rectifier is nothing but removes the negative half cycle of an AC input and allows only the positive cycles to pass creating a DC flow this conversion happens with the help of using semiconductor diodes.
Complete answer:
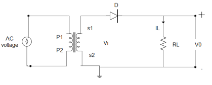
To understand the working of a half wave rectifier perfectly we must know the theory part really well. For this we have to know the concepts of a PN junction and its characteristics. The working of a half wave rectifier is pretty simple. From the theory part we should know that a pn junction diode conducts current only in 1 direction. In simple words a pn junction diode conducts current only when it is forward biased this principle is made use of in a half wave rectifier to convert AC to DC. The input we give here is an alternating current i.e AC here this input voltage is stepped down using a transformer as shown in figure. This reduced voltage is fed to the diode ‘D’ and load resistance RL during the positive half cycles of the input wave. The diode ‘D’ will be forward biased and during the negative half cycles of input wave the diode ‘D’ will be reverse. A current IL passes through the load resistance RL in the direction shown in the diagram. During the next half cycle when the p-region is negative the diode is reverse biased and the forward current drops to zero. Thus the diode conducts only during an half of the input cycle and thus acts as a half wave rectifier.
Vl is the input voltage which is the alternating voltage.
D is the semiconductor diode.
P1 and P2 are the primary region of the coil.
S1 and S2 are the secondary region of the coil.
RL is the load resistance.
V0 is the output voltage.
Note:
A half wave rectification is an application of the pn junction diode. So to understand the half wave rectifier theory we need to understand the pn junction and the characteristics of the pn junction diode. We have to practice both diagrams and input –output graphs.
Complete answer:
To understand the working of a half wave rectifier perfectly we must know the theory part really well. For this we have to know the concepts of a PN junction and its characteristics. The working of a half wave rectifier is pretty simple. From the theory part we should know that a pn junction diode conducts current only in 1 direction. In simple words a pn junction diode conducts current only when it is forward biased this principle is made use of in a half wave rectifier to convert AC to DC. The input we give here is an alternating current i.e AC here this input voltage is stepped down using a transformer as shown in figure. This reduced voltage is fed to the diode ‘D’ and load resistance RL during the positive half cycles of the input wave. The diode ‘D’ will be forward biased and during the negative half cycles of input wave the diode ‘D’ will be reverse. A current IL passes through the load resistance RL in the direction shown in the diagram. During the next half cycle when the p-region is negative the diode is reverse biased and the forward current drops to zero. Thus the diode conducts only during an half of the input cycle and thus acts as a half wave rectifier.
Vl is the input voltage which is the alternating voltage.
D is the semiconductor diode.
P1 and P2 are the primary region of the coil.
S1 and S2 are the secondary region of the coil.
RL is the load resistance.
V0 is the output voltage.
Note:
A half wave rectification is an application of the pn junction diode. So to understand the half wave rectifier theory we need to understand the pn junction and the characteristics of the pn junction diode. We have to practice both diagrams and input –output graphs.
Recently Updated Pages
A man running at a speed 5 ms is viewed in the side class 12 physics CBSE

The number of solutions in x in 02pi for which sqrt class 12 maths CBSE

State and explain Hardy Weinbergs Principle class 12 biology CBSE

Write any two methods of preparation of phenol Give class 12 chemistry CBSE

Which of the following statements is wrong a Amnion class 12 biology CBSE

Differentiate between action potential and resting class 12 biology CBSE

Trending doubts
What are the major means of transport Explain each class 12 social science CBSE

Which are the Top 10 Largest Countries of the World?

Draw a labelled sketch of the human eye class 12 physics CBSE

Explain sex determination in humans with line diag class 12 biology CBSE

Explain sex determination in humans with the help of class 12 biology CBSE

Differentiate between homogeneous and heterogeneous class 12 chemistry CBSE

