
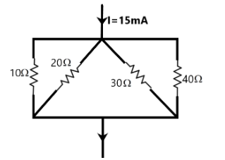
Using the current division rule, find the current in each branch of the circuit shown in the figure.
Answer
543.3k+ views
Hint: We need to understand the current divider rule used in the electric circuits in order to find the current through each of the given branches in the circuit. We need to know the method of application to solve this problem to get the value of current.
Complete Step-by-Step Solution: We are given a simple circuit in which an electric current of 15 mA flows into a junction which then gets split up into four different paths of different resistances. We know that the resistance of the path influences the current flowing through it. A larger resistance allows only a smaller current and vice versa. The current coming out at the end junction should be equal to the input current according to the Kirchhoff’s junction rule.
Now, the junction rule gives the current divider rule as –
\[{{I}_{x}}=I\dfrac{{{R}_{eq}}}{{{R}_{x}}}\]
From the above relation, we understand that we need to find the equivalent resistance of the given network in order to work on the current through each branch of the circuit as –
\[\begin{align}
& \dfrac{1}{{{R}_{eq}}}=\dfrac{1}{{{R}_{1}}}+\dfrac{1}{{{R}_{2}}}+\dfrac{1}{{{R}_{3}}}+\dfrac{1}{{{R}_{4}}} \\
& \Rightarrow \dfrac{1}{{{R}_{eq}}}=\dfrac{1}{10}+\dfrac{1}{20}+\dfrac{1}{30}+\dfrac{1}{50} \\
& \Rightarrow \dfrac{1}{{{R}_{eq}}}=\dfrac{30+15+10+6}{300} \\
& \therefore {{R}_{eq}}=4.92\Omega \\
\end{align}\]
Now, we can find the current through each of the branches using the current divider formula.
Through the branch with resistance of \[10\Omega \], we get –
\[\begin{align}
& {{I}_{1}}=I\dfrac{{{R}_{eq}}}{{{R}_{1}}} \\
& \Rightarrow {{I}_{1}}=15mA\dfrac{4.92}{10} \\
& \therefore {{I}_{1}}=7.38mA \\
\end{align}\]
Through the branch with resistance of \[20\Omega \], we get –
\[\begin{align}
& {{I}_{2}}=I\dfrac{{{R}_{eq}}}{{{R}_{2}}} \\
& \Rightarrow {{I}_{2}}=15mA\dfrac{4.92}{20} \\
& \therefore {{I}_{2}}=3.69mA \\
\end{align}\]
Through the branch with resistance of \[30\Omega \], we get –
\[\begin{align}
& {{I}_{3}}=I\dfrac{{{R}_{eq}}}{{{R}_{3}}} \\
& \Rightarrow {{I}_{3}}=15mA\dfrac{4.92}{30} \\
& \therefore {{I}_{3}}=2.46mA \\
\end{align}\]
Through the branch with resistance of \[50\Omega \], we get –
\[\begin{align}
& {{I}_{4}}=I\dfrac{{{R}_{eq}}}{{{R}_{4}}} \\
& \Rightarrow {{I}_{4}}=15mA\dfrac{4.92}{50} \\
& \therefore {{I}_{4}}=1.48mA \\
\end{align}\]
So, we get the current through all the branches. This is the required solution.
Note:
We can see that the given circuit has all its resistances or the branches connected to two common nodes making the network a pure parallel combination of resistors which in turn results in the current division that is absent in a series combination.
Complete Step-by-Step Solution: We are given a simple circuit in which an electric current of 15 mA flows into a junction which then gets split up into four different paths of different resistances. We know that the resistance of the path influences the current flowing through it. A larger resistance allows only a smaller current and vice versa. The current coming out at the end junction should be equal to the input current according to the Kirchhoff’s junction rule.
Now, the junction rule gives the current divider rule as –
\[{{I}_{x}}=I\dfrac{{{R}_{eq}}}{{{R}_{x}}}\]
From the above relation, we understand that we need to find the equivalent resistance of the given network in order to work on the current through each branch of the circuit as –
\[\begin{align}
& \dfrac{1}{{{R}_{eq}}}=\dfrac{1}{{{R}_{1}}}+\dfrac{1}{{{R}_{2}}}+\dfrac{1}{{{R}_{3}}}+\dfrac{1}{{{R}_{4}}} \\
& \Rightarrow \dfrac{1}{{{R}_{eq}}}=\dfrac{1}{10}+\dfrac{1}{20}+\dfrac{1}{30}+\dfrac{1}{50} \\
& \Rightarrow \dfrac{1}{{{R}_{eq}}}=\dfrac{30+15+10+6}{300} \\
& \therefore {{R}_{eq}}=4.92\Omega \\
\end{align}\]
Now, we can find the current through each of the branches using the current divider formula.
Through the branch with resistance of \[10\Omega \], we get –
\[\begin{align}
& {{I}_{1}}=I\dfrac{{{R}_{eq}}}{{{R}_{1}}} \\
& \Rightarrow {{I}_{1}}=15mA\dfrac{4.92}{10} \\
& \therefore {{I}_{1}}=7.38mA \\
\end{align}\]
Through the branch with resistance of \[20\Omega \], we get –
\[\begin{align}
& {{I}_{2}}=I\dfrac{{{R}_{eq}}}{{{R}_{2}}} \\
& \Rightarrow {{I}_{2}}=15mA\dfrac{4.92}{20} \\
& \therefore {{I}_{2}}=3.69mA \\
\end{align}\]
Through the branch with resistance of \[30\Omega \], we get –
\[\begin{align}
& {{I}_{3}}=I\dfrac{{{R}_{eq}}}{{{R}_{3}}} \\
& \Rightarrow {{I}_{3}}=15mA\dfrac{4.92}{30} \\
& \therefore {{I}_{3}}=2.46mA \\
\end{align}\]
Through the branch with resistance of \[50\Omega \], we get –
\[\begin{align}
& {{I}_{4}}=I\dfrac{{{R}_{eq}}}{{{R}_{4}}} \\
& \Rightarrow {{I}_{4}}=15mA\dfrac{4.92}{50} \\
& \therefore {{I}_{4}}=1.48mA \\
\end{align}\]
So, we get the current through all the branches. This is the required solution.
Note:
We can see that the given circuit has all its resistances or the branches connected to two common nodes making the network a pure parallel combination of resistors which in turn results in the current division that is absent in a series combination.
Recently Updated Pages
A man running at a speed 5 ms is viewed in the side class 12 physics CBSE

The number of solutions in x in 02pi for which sqrt class 12 maths CBSE

State and explain Hardy Weinbergs Principle class 12 biology CBSE

Write any two methods of preparation of phenol Give class 12 chemistry CBSE

Which of the following statements is wrong a Amnion class 12 biology CBSE

Differentiate between action potential and resting class 12 biology CBSE

Trending doubts
How much time does it take to bleed after eating p class 12 biology CBSE

When was the first election held in India a 194748 class 12 sst CBSE

Differentiate between homogeneous and heterogeneous class 12 chemistry CBSE

The first microscope was invented by A Leeuwenhoek class 12 biology CBSE

Dihybrid cross is made between RRYY yellow round seed class 12 biology CBSE

Drive an expression for the electric field due to an class 12 physics CBSE

