
Two lamps, one rated 100W at 220V, and the other 60W at 220V, are connected in parallel to electric mains supply. What current is drawn from the line if the supply voltage is 220V?
Answer
591k+ views
Hint: The two lamps have been connected in parallel and their power ratings and voltages have been given. We can first calculate the current in each of the lamps by using the power formula. Then, the required result will be the sum of the two currents in each lamp.
Complete step by step solution:
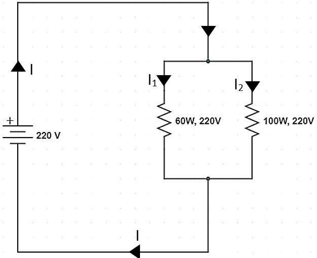
Let us assume the power of one lamp be $P_1$ and that of the second one be $P_2$.
It has been given that the voltage at the supply and in both the lamps is, say V=220V.
Therefore, using the formula of power, $P=VI$, where V is the voltage supplied and I is the current.
Therefore, current passing through the first lamp, $I_1 = \dfrac{P_1}{V}=\dfrac{100}{220}=\dfrac{5}{11}A$
Similarly, current passing through the second lamp, $I_2 =\dfrac{P_2}{V}=\dfrac{60}{220}=\dfrac{3}{11}A$
According to the questions, the lamps are connected in parallel, that means the current drawn through the supply will get divided in the two lamps.
So, net current, $I={I_1}+{I_2}=\dfrac{5}{11}+\dfrac{3}{11}=\dfrac{8}{11}=0.73A$
Hence, the net current drawn through the supply is 0.73 A.
Additional information:
In a circuit, when two distinct resistances are connected in series, the current remains the same while the voltage varies. But, when the same resistors are connected in parallel, the voltage remains the same, while the current gets distributed.
When two resistors are connected in parallel, the overall resistance of the circuit decreases. And that is why, in our homes, the electrical appliances are usually connected in parallel with the main supply to reduce the overall resistance and thus reduce the power loss.
Note: As the lamps were connected in parallel and are of different ratings, the current will be distributed unequally and the potential difference or voltage will remain same in each of the lamps while the currents would have been same, if they were connected in series.
Complete step by step solution:
Let us assume the power of one lamp be $P_1$ and that of the second one be $P_2$.
It has been given that the voltage at the supply and in both the lamps is, say V=220V.
Therefore, using the formula of power, $P=VI$, where V is the voltage supplied and I is the current.
Therefore, current passing through the first lamp, $I_1 = \dfrac{P_1}{V}=\dfrac{100}{220}=\dfrac{5}{11}A$
Similarly, current passing through the second lamp, $I_2 =\dfrac{P_2}{V}=\dfrac{60}{220}=\dfrac{3}{11}A$
According to the questions, the lamps are connected in parallel, that means the current drawn through the supply will get divided in the two lamps.
So, net current, $I={I_1}+{I_2}=\dfrac{5}{11}+\dfrac{3}{11}=\dfrac{8}{11}=0.73A$
Hence, the net current drawn through the supply is 0.73 A.
Additional information:
In a circuit, when two distinct resistances are connected in series, the current remains the same while the voltage varies. But, when the same resistors are connected in parallel, the voltage remains the same, while the current gets distributed.
When two resistors are connected in parallel, the overall resistance of the circuit decreases. And that is why, in our homes, the electrical appliances are usually connected in parallel with the main supply to reduce the overall resistance and thus reduce the power loss.
Note: As the lamps were connected in parallel and are of different ratings, the current will be distributed unequally and the potential difference or voltage will remain same in each of the lamps while the currents would have been same, if they were connected in series.
Recently Updated Pages
The number of solutions in x in 02pi for which sqrt class 12 maths CBSE

Write any two methods of preparation of phenol Give class 12 chemistry CBSE

Differentiate between action potential and resting class 12 biology CBSE

Two plane mirrors arranged at right angles to each class 12 physics CBSE

Which of the following molecules is are chiral A I class 12 chemistry CBSE

Name different types of neurons and give one function class 12 biology CBSE

Trending doubts
Which are the Top 10 Largest Countries of the World?

What are the major means of transport Explain each class 12 social science CBSE

Draw a labelled sketch of the human eye class 12 physics CBSE

Differentiate between insitu conservation and exsitu class 12 biology CBSE

State the principle of an ac generator and explain class 12 physics CBSE

Differentiate between homogeneous and heterogeneous class 12 chemistry CBSE

