
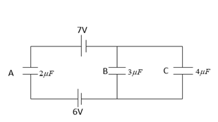
Three capacitors A, B and C are connected in a circuit as shown in figure. What is the charge in $\mu C$ on the capacitor B?
$\left( A \right)\dfrac{1}{3}$
$\left( B \right)\dfrac{2}{3}$
$\left( C \right)1$
$\left( {\text{D}} \right)\dfrac{4}{3}$
Answer
551.7k+ views
Hint: Current flowing through the capacitors is the same for all the capacitors when the capacitor is connected in series. Then each capacitor will have the same amount of electrical charge. In parallel connection the voltage is the same for all capacitors connected parallelly. Apply this logic to find the Charge in the circuit.
Complete step by step answer:
Capacitor is a component that has the capacity to store the energy. It is in the form of electrical charge producing a potential difference across its plates. Electrons flowing onto the plates are known as charging of capacitors. The potential difference depends on the number of charges present on the plates of the capacitor.
If the DC source is one in a resistance containing circuit, then the current will attain its maximum steady value in zero-time interval. A resistor circuit containing both inductor and capacitor, the current will take some time to attain its maximum peak value. If the battery is removed from the circuit which is having a capacitor or an inductor, then the current takes some time to decay to zero value.
Resonance occurs in a circuit that is when the inductor, capacitor and resistor are connected in series when the supply frequency causes the voltage across the inductor and capacitor to be equal. Q factor will be affected if there is resistive loss. Q factor is a unitless dimensionless quantity.
Current flowing through the capacitors is the same for all the capacitors when the capacitor is connected in series. Then each capacitor will have the same amount of electrical charge. In parallel connection the voltage is the same for all capacitors connected parallelly. Apply this logic to find the capacitance of the circuit
B and C are in parallel and (B+C) and A are in series from the above diagram.
Then the capacitance (equivalent)
${C_{eq}} = \dfrac{{\left( {{C_C} + {C_B}} \right){C_A}}}{{\left( {{C_C} + {C_B}} \right) + {C_A}}} = \dfrac{{\left( {3 + 4} \right)2}}{{\left( {3 + 4} \right) + 2}} = \dfrac{{14}}{9}\mu F$
The net charge is given by
${Q_{eq}} = {C_{eq}}\left( {7 - 6} \right) = \dfrac{{14}}{9}\mu C$
Group (B+C) and A are in series so then the charge on (B+C) and A is the same. Then the charge on B
${Q_B} = \dfrac{{{C_B}}}{{{C_B} + {C_C}}}{Q_q} = \dfrac{3}{{3 + 4}} \times \dfrac{{14}}{9} = \dfrac{2}{3}\mu C$
Hence, the correct answer is option (B).
Note: Electron flowing onto the plates is known as charging of capacitor. The potential difference depends on the number of charges present on the plates of the capacitor. If the battery is removed from the circuit which is having a capacitor or an inductor, then the current takes some time to decay to zero value.
Complete step by step answer:
Capacitor is a component that has the capacity to store the energy. It is in the form of electrical charge producing a potential difference across its plates. Electrons flowing onto the plates are known as charging of capacitors. The potential difference depends on the number of charges present on the plates of the capacitor.
If the DC source is one in a resistance containing circuit, then the current will attain its maximum steady value in zero-time interval. A resistor circuit containing both inductor and capacitor, the current will take some time to attain its maximum peak value. If the battery is removed from the circuit which is having a capacitor or an inductor, then the current takes some time to decay to zero value.
Resonance occurs in a circuit that is when the inductor, capacitor and resistor are connected in series when the supply frequency causes the voltage across the inductor and capacitor to be equal. Q factor will be affected if there is resistive loss. Q factor is a unitless dimensionless quantity.
Current flowing through the capacitors is the same for all the capacitors when the capacitor is connected in series. Then each capacitor will have the same amount of electrical charge. In parallel connection the voltage is the same for all capacitors connected parallelly. Apply this logic to find the capacitance of the circuit
B and C are in parallel and (B+C) and A are in series from the above diagram.
Then the capacitance (equivalent)
${C_{eq}} = \dfrac{{\left( {{C_C} + {C_B}} \right){C_A}}}{{\left( {{C_C} + {C_B}} \right) + {C_A}}} = \dfrac{{\left( {3 + 4} \right)2}}{{\left( {3 + 4} \right) + 2}} = \dfrac{{14}}{9}\mu F$
The net charge is given by
${Q_{eq}} = {C_{eq}}\left( {7 - 6} \right) = \dfrac{{14}}{9}\mu C$
Group (B+C) and A are in series so then the charge on (B+C) and A is the same. Then the charge on B
${Q_B} = \dfrac{{{C_B}}}{{{C_B} + {C_C}}}{Q_q} = \dfrac{3}{{3 + 4}} \times \dfrac{{14}}{9} = \dfrac{2}{3}\mu C$
Hence, the correct answer is option (B).
Note: Electron flowing onto the plates is known as charging of capacitor. The potential difference depends on the number of charges present on the plates of the capacitor. If the battery is removed from the circuit which is having a capacitor or an inductor, then the current takes some time to decay to zero value.
Recently Updated Pages
A man running at a speed 5 ms is viewed in the side class 12 physics CBSE

The number of solutions in x in 02pi for which sqrt class 12 maths CBSE

State and explain Hardy Weinbergs Principle class 12 biology CBSE

Write any two methods of preparation of phenol Give class 12 chemistry CBSE

Which of the following statements is wrong a Amnion class 12 biology CBSE

Differentiate between action potential and resting class 12 biology CBSE

Trending doubts
What are the major means of transport Explain each class 12 social science CBSE

Which are the Top 10 Largest Countries of the World?

Draw a labelled sketch of the human eye class 12 physics CBSE

How much time does it take to bleed after eating p class 12 biology CBSE

Explain sex determination in humans with line diag class 12 biology CBSE

When was the first election held in India a 194748 class 12 sst CBSE

