
The total current supplied to the circuit by the battery is
A. 1A
B. 2A
C. 4A
D. 6A
Answer
548.7k+ views
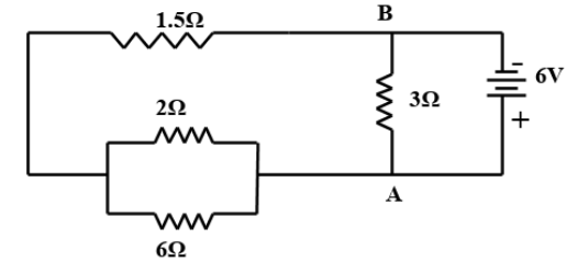
Hint:The above circuit diagram can be simplified and presented in a way where the resistances appear in parallel and serial order with each other. The equivalent resistance in the whole circuit can be obtained by solving individually for series resistances and parallel resistances. Then by using Ohm’s Law, the total current supplied to the circuit can be found out.
Formula Used:
If resistances \[{R_a}\] and \[{R_b}\]are connected in series, then the equivalent resistance is given by: \[{R_{series}} = {R_a} + {R_b}\]
If resistances \[{R_a}\] and \[{R_b}\] are connected in parallel, then the equivalent resistance is given by: \[\dfrac{1}{{{R_{parallel}}}} = \dfrac{1}{{{R_a}}} + \dfrac{1}{{{R_b}}}\]
Ohm’s Law is given by: \[V = IR\]
where, \[V\] is the voltage, \[R\] is the resistance and \[I\]is the current.
Complete step by step answer:
The above diagram can be simplified as given in the following diagram:
As in the simplified diagram, the resistances \[2\Omega \] and \[6\Omega \] are connected in parallel. So, the equivalent resistance between them will be
\[\dfrac{1}{R} = \dfrac{1}{{2\Omega }} + \dfrac{1}{{6\Omega }} = \dfrac{{3\Omega + 1\Omega }}{{6\Omega }} = \dfrac{4}{6}\Omega = \dfrac{2}{3}\Omega \]
Therefore, \[R = \dfrac{3}{2}\Omega = 1.5\Omega \]
Then, the diagram can be again simplified as follows.
Now, all the resistances are in series. Then, the equivalent resistance in the circuit will be
\[{R_{eq}} = 1.5\Omega + 1.5\Omega + 3\Omega = 6\Omega \]
Therefore, the total resistance in the circuit is \[6\Omega \].
The voltage of the cell is given as \[6V\].Thus, \[V = 6V\]. The net current can be found out by Ohm’s Law
\[V = IR\]
where, \[V\] is the voltage, \[R\] is the total resistance in the circuit and \[I\] is the current flowing through the circuit.
Here, \[V = 6V\]and \[R = 6\Omega \].
Thus, \[I = \dfrac{V}{R} = \dfrac{{6V}}{{6\Omega }} = 1A\]
Hence, option A is the correct answer.
Note: The battery is a combination of cells. An electric cell works as a source of emf. The emf generated is also known as voltage. Every cell generates a particular voltage and can supply a finite amount of current. Usually voltage and current of one cell is not enough for many practical applications. Therefore, they are always connected as a combination to form a battery.
Formula Used:
If resistances \[{R_a}\] and \[{R_b}\]are connected in series, then the equivalent resistance is given by: \[{R_{series}} = {R_a} + {R_b}\]
If resistances \[{R_a}\] and \[{R_b}\] are connected in parallel, then the equivalent resistance is given by: \[\dfrac{1}{{{R_{parallel}}}} = \dfrac{1}{{{R_a}}} + \dfrac{1}{{{R_b}}}\]
Ohm’s Law is given by: \[V = IR\]
where, \[V\] is the voltage, \[R\] is the resistance and \[I\]is the current.
Complete step by step answer:
The above diagram can be simplified as given in the following diagram:
As in the simplified diagram, the resistances \[2\Omega \] and \[6\Omega \] are connected in parallel. So, the equivalent resistance between them will be
\[\dfrac{1}{R} = \dfrac{1}{{2\Omega }} + \dfrac{1}{{6\Omega }} = \dfrac{{3\Omega + 1\Omega }}{{6\Omega }} = \dfrac{4}{6}\Omega = \dfrac{2}{3}\Omega \]
Therefore, \[R = \dfrac{3}{2}\Omega = 1.5\Omega \]
Then, the diagram can be again simplified as follows.
Now, all the resistances are in series. Then, the equivalent resistance in the circuit will be
\[{R_{eq}} = 1.5\Omega + 1.5\Omega + 3\Omega = 6\Omega \]
Therefore, the total resistance in the circuit is \[6\Omega \].
The voltage of the cell is given as \[6V\].Thus, \[V = 6V\]. The net current can be found out by Ohm’s Law
\[V = IR\]
where, \[V\] is the voltage, \[R\] is the total resistance in the circuit and \[I\] is the current flowing through the circuit.
Here, \[V = 6V\]and \[R = 6\Omega \].
Thus, \[I = \dfrac{V}{R} = \dfrac{{6V}}{{6\Omega }} = 1A\]
Hence, option A is the correct answer.
Note: The battery is a combination of cells. An electric cell works as a source of emf. The emf generated is also known as voltage. Every cell generates a particular voltage and can supply a finite amount of current. Usually voltage and current of one cell is not enough for many practical applications. Therefore, they are always connected as a combination to form a battery.
Recently Updated Pages
A man running at a speed 5 ms is viewed in the side class 12 physics CBSE

The number of solutions in x in 02pi for which sqrt class 12 maths CBSE

State and explain Hardy Weinbergs Principle class 12 biology CBSE

Write any two methods of preparation of phenol Give class 12 chemistry CBSE

Which of the following statements is wrong a Amnion class 12 biology CBSE

Differentiate between action potential and resting class 12 biology CBSE

Trending doubts
What are the major means of transport Explain each class 12 social science CBSE

Which are the Top 10 Largest Countries of the World?

Draw a labelled sketch of the human eye class 12 physics CBSE

How much time does it take to bleed after eating p class 12 biology CBSE

Explain sex determination in humans with line diag class 12 biology CBSE

Explain sex determination in humans with the help of class 12 biology CBSE

