
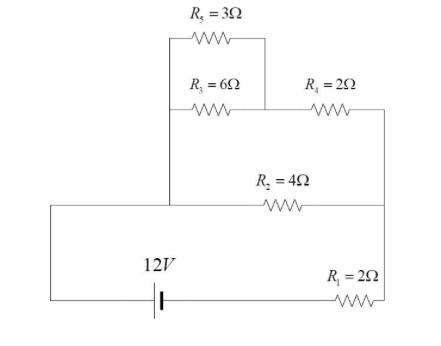
The power dissipated across resistor ${R_5}$ in the network given below is
A. 3 watt
B. $\dfrac{3}{4}$ watt
C. $\dfrac{{27}}{4}$ watt
D. 9 watt
Answer
507.3k+ views
Hint:In order to find power through a resistor, the required quantities are current through the resistor and the resistance of the resistor. By these, the power can be calculated by the Joule’s law of heating –
$P = {I^2}R$
where I = current and R = resistance.
Step-by-step solution:
When 2 resistors are connected in series, the net resistance of the combination is the sum of the individual resistances.
$R = {R_1} + {R_2}$
When 2 resistors are connected in parallel, the net resistance of the combination is the reciprocal of the sum of reciprocals of individual resistances.
$\dfrac{1}{R} = \dfrac{1}{{{R_1}}} + \dfrac{1}{{{R_2}}}$
$ \Rightarrow R = \dfrac{{{R_1}{R_2}}}{{{R_1} + {R_2}}}$
Consider the arrangement of resistors connected in the given fashion, subject to the potential difference of 12V.
In this circuit, the resistors are connected as follows:
The parallel combination of ${R_3}$ is connected to ${R_5}$. This combination is in series with ${R_4}$. This entire combination is in parallel with ${R_2}$. The above entire combination is in series with ${R_1}$.
Hence, the net resistance R is given by –
$R = {R_1} + \left( {{R_2}//\left( {\left( {{R_3}//{R_5}} \right) + {R_4}} \right)} \right)$
Let us substitute the values one-by-one and determine the resistance by applying the above formula for the net resistance.
${R_3}//{R_5} = \dfrac{{{R_3}{R_5}}}{{{R_3} + {R_5}}} = \dfrac{{3 \times 6}}{{3 + 6}} = \dfrac{{18}}{9} = 2\Omega $
${R_3}//{R_5} + {R_4} = 2 + 2 = 4\Omega $
${R_2}//\left( {\left( {{R_3}//{R_5}} \right) + {R_4}} \right) = 4//4 = \dfrac{{4 \times 4}}{{4 + 4}} = \dfrac{{16}}{8} = 2\Omega $
Finally, the net resistance is the series combination of ${R_1}$ with the above combination.
$R = {R_1} + 2 = 2 + 2 = 4\Omega $
The net current is given by –
$I = \dfrac{V}{R} = \dfrac{{12}}{4} = 3A$
In a parallel combination, the current branches depending on the resistances in the branches.
The current flowing through the combination ${R_2}//\left( {\left( {{R_3}//{R_5}} \right) + {R_4}} \right)$ and ${R_1}$ is the same since they are in series.
The current branches in the parallel combination of ${R_2}$ and ${R_3}//{R_5} + {R_4}$ .
The branch current is calculated by the formula, ${I_1} = \dfrac{{I{R_2}}}{{{R_1} + {R_2}}}$
Applying the branch current formula to the combination of ${R_3}//{R_5} + {R_4}$, we have –
${I_{{R_3}//{R_5} + {R_4}}} = {I_{C3}} = \dfrac{{I{R_2}}}{{\left( {{R_3}//{R_5} + {R_4}} \right) + {R_2}}} = \dfrac{{3 \times 4}}{{4 + 4}} = \dfrac{{12}}{8} = \dfrac{3}{2}A$
Now, the current ${I_{C3}}$ flowing through the parallel combination ${R_3}//{R_5}$ and ${R_4}$ is the same since they are in series. This current branches in the parallel combination.
The branch current, \[{I_5} = \dfrac{{{I_{C3}}{R_3}}}{{{R_3} + {R_4}}} = \dfrac{{\dfrac{3}{2} \times 6}}{{6 + 3}} = \dfrac{9}{9} = 1A\]
Hence, the power across ${R_5}$ ,
$P = I_5^2{R_5} = {1^2} \times 3 = 1 \times 3 = 3W$
Hence, the correct option is Option A.
Note:The formula for derivation of branch current is as follows:
If ${R_1}$ and ${R_2}$ are in parallel, the current through resistor ${R_1}$ , is given by –
${I_1} = \dfrac{V}{{{R_1}}}$
where V = potential difference across the combination.
The potential difference across the combination is given by –
$V = I{R_p}$
where I = current in main branch and ${R_p}$ = net resistance of combination
${R_p} = \dfrac{{{R_1}{R_2}}}{{{R_1} + {R_2}}}$
Substituting,
$V = I\dfrac{{{R_1}{R_2}}}{{{R_1} + {R_2}}}$
Thus,
${I_1} = \dfrac{V}{{{R_1}}}$
${I_1} = \dfrac{I}{{{R_1}}} \times \dfrac{{{R_1}{R_2}}}{{{R_1} + {R_2}}} = \dfrac{{I{R_2}}}{{{R_1} + {R_2}}}$
$P = {I^2}R$
where I = current and R = resistance.
Step-by-step solution:
When 2 resistors are connected in series, the net resistance of the combination is the sum of the individual resistances.
$R = {R_1} + {R_2}$
When 2 resistors are connected in parallel, the net resistance of the combination is the reciprocal of the sum of reciprocals of individual resistances.
$\dfrac{1}{R} = \dfrac{1}{{{R_1}}} + \dfrac{1}{{{R_2}}}$
$ \Rightarrow R = \dfrac{{{R_1}{R_2}}}{{{R_1} + {R_2}}}$
Consider the arrangement of resistors connected in the given fashion, subject to the potential difference of 12V.
In this circuit, the resistors are connected as follows:
The parallel combination of ${R_3}$ is connected to ${R_5}$. This combination is in series with ${R_4}$. This entire combination is in parallel with ${R_2}$. The above entire combination is in series with ${R_1}$.
Hence, the net resistance R is given by –
$R = {R_1} + \left( {{R_2}//\left( {\left( {{R_3}//{R_5}} \right) + {R_4}} \right)} \right)$
Let us substitute the values one-by-one and determine the resistance by applying the above formula for the net resistance.
${R_3}//{R_5} = \dfrac{{{R_3}{R_5}}}{{{R_3} + {R_5}}} = \dfrac{{3 \times 6}}{{3 + 6}} = \dfrac{{18}}{9} = 2\Omega $
${R_3}//{R_5} + {R_4} = 2 + 2 = 4\Omega $
${R_2}//\left( {\left( {{R_3}//{R_5}} \right) + {R_4}} \right) = 4//4 = \dfrac{{4 \times 4}}{{4 + 4}} = \dfrac{{16}}{8} = 2\Omega $
Finally, the net resistance is the series combination of ${R_1}$ with the above combination.
$R = {R_1} + 2 = 2 + 2 = 4\Omega $
The net current is given by –
$I = \dfrac{V}{R} = \dfrac{{12}}{4} = 3A$
In a parallel combination, the current branches depending on the resistances in the branches.
The current flowing through the combination ${R_2}//\left( {\left( {{R_3}//{R_5}} \right) + {R_4}} \right)$ and ${R_1}$ is the same since they are in series.
The current branches in the parallel combination of ${R_2}$ and ${R_3}//{R_5} + {R_4}$ .
The branch current is calculated by the formula, ${I_1} = \dfrac{{I{R_2}}}{{{R_1} + {R_2}}}$
Applying the branch current formula to the combination of ${R_3}//{R_5} + {R_4}$, we have –
${I_{{R_3}//{R_5} + {R_4}}} = {I_{C3}} = \dfrac{{I{R_2}}}{{\left( {{R_3}//{R_5} + {R_4}} \right) + {R_2}}} = \dfrac{{3 \times 4}}{{4 + 4}} = \dfrac{{12}}{8} = \dfrac{3}{2}A$
Now, the current ${I_{C3}}$ flowing through the parallel combination ${R_3}//{R_5}$ and ${R_4}$ is the same since they are in series. This current branches in the parallel combination.
The branch current, \[{I_5} = \dfrac{{{I_{C3}}{R_3}}}{{{R_3} + {R_4}}} = \dfrac{{\dfrac{3}{2} \times 6}}{{6 + 3}} = \dfrac{9}{9} = 1A\]
Hence, the power across ${R_5}$ ,
$P = I_5^2{R_5} = {1^2} \times 3 = 1 \times 3 = 3W$
Hence, the correct option is Option A.
Note:The formula for derivation of branch current is as follows:
If ${R_1}$ and ${R_2}$ are in parallel, the current through resistor ${R_1}$ , is given by –
${I_1} = \dfrac{V}{{{R_1}}}$
where V = potential difference across the combination.
The potential difference across the combination is given by –
$V = I{R_p}$
where I = current in main branch and ${R_p}$ = net resistance of combination
${R_p} = \dfrac{{{R_1}{R_2}}}{{{R_1} + {R_2}}}$
Substituting,
$V = I\dfrac{{{R_1}{R_2}}}{{{R_1} + {R_2}}}$
Thus,
${I_1} = \dfrac{V}{{{R_1}}}$
${I_1} = \dfrac{I}{{{R_1}}} \times \dfrac{{{R_1}{R_2}}}{{{R_1} + {R_2}}} = \dfrac{{I{R_2}}}{{{R_1} + {R_2}}}$
Recently Updated Pages
A man running at a speed 5 ms is viewed in the side class 12 physics CBSE

The number of solutions in x in 02pi for which sqrt class 12 maths CBSE

State and explain Hardy Weinbergs Principle class 12 biology CBSE

Write any two methods of preparation of phenol Give class 12 chemistry CBSE

Which of the following statements is wrong a Amnion class 12 biology CBSE

Differentiate between action potential and resting class 12 biology CBSE

Trending doubts
What are the major means of transport Explain each class 12 social science CBSE

Which are the Top 10 Largest Countries of the World?

Draw a labelled sketch of the human eye class 12 physics CBSE

Explain sex determination in humans with line diag class 12 biology CBSE

Explain sex determination in humans with the help of class 12 biology CBSE

Differentiate between homogeneous and heterogeneous class 12 chemistry CBSE

