
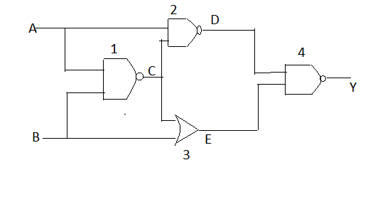
The output of the given logic circuit is:
A.$\bar{A}B$
B.$A\bar{B}$
C.$AB+A\bar{B}$
D.$A\bar{B}+\bar{A}B$
Answer
547.5k+ views
Hint: To solve this problem we need to discuss about the output of NAND gate and NOT gate which are used in the above diagram, further we will use de Morgan’s theorem, commutative, commutative and associative properties of Boolean algebra to solve the logic gates equations.
Complete answer:
First we will see the properties of NAND gate,
Truth table for NAND gate is given as,
The output for NAND gate is negation of output of AND gate which is given by $\overline{A\cdot B}$.
By de Morgan’s theorem we have,
$\Rightarrow \overline{A\cdot B}=\overline{A}+\overline{B}$
So the output from the gate 1 will be
$\Rightarrow C=\overline{A}+\overline{B}$
Now for gate 2 input will be A and $\overline{A}+\overline{B}$ so by the above table of NAND gate we have,
$\Rightarrow \overline{\overline{A}+\overline{B}}$
Or by de Morgan’s law
$\Rightarrow D=\overline{A}+\bar{B}$
Now for gate 3, which is OR gate truth table is,
For OR gate if either input one or input two is true the output will be true ,
Now from the above diagram by taking input C and B for or gate we have,
$\Rightarrow E=C+B=\overline{A}+\overline{B}+B$
$\Rightarrow E=\overline{A}$
Now for the final gate which is NAND gate the inputs will be D and E SO,
$\Rightarrow Y=\overline{D.E}$
By putting the values of D and E and applying de Morgan’s law in some steps we have,
$\Rightarrow Y=\overline{\overline{(A}+\overline{B})\overline{A}}$
$\Rightarrow Y=\overline{\overline{A}+\overline{A}B}$
$\Rightarrow Y=A\overline{(\overline{A}B)}$
$\Rightarrow Y=A(A+\overline{B})$
$\Rightarrow Y=A+A\overline{B}=A\overline{B}$
$\Rightarrow Y=A\overline{B}$
$\therefore $ The output of the given logic gate diagram will be $A\overline{B}$, hence option B is correct
Note:
In these type of circuit in which different type of multiple logic gates are used we need to carefully calculate the output of each logic gate step by step and store its value in some variable, so it can be act as a input for next logic gate, and to avoid any type of mistakes it's better to write down the truth table of each logic gate involved. Try to minimize the equations with the help of Boolean properties and theorems of logic gates.
Complete answer:
First we will see the properties of NAND gate,
Truth table for NAND gate is given as,
| A | B | $\overline{A\cdot B}$ |
| 0 | 0 | 1 |
| 0 | 1 | 1 |
| 1 | 0 | 1 |
| 1 | 1 | 0 |
The output for NAND gate is negation of output of AND gate which is given by $\overline{A\cdot B}$.
By de Morgan’s theorem we have,
$\Rightarrow \overline{A\cdot B}=\overline{A}+\overline{B}$
So the output from the gate 1 will be
$\Rightarrow C=\overline{A}+\overline{B}$
Now for gate 2 input will be A and $\overline{A}+\overline{B}$ so by the above table of NAND gate we have,
$\Rightarrow \overline{\overline{A}+\overline{B}}$
Or by de Morgan’s law
$\Rightarrow D=\overline{A}+\bar{B}$
Now for gate 3, which is OR gate truth table is,
| C | B | C+B |
| 0 | 0 | 0 |
| 0 | 1 | 1 |
| 1 | 0 | 1 |
| 1 | 1 | 1 |
For OR gate if either input one or input two is true the output will be true ,
Now from the above diagram by taking input C and B for or gate we have,
$\Rightarrow E=C+B=\overline{A}+\overline{B}+B$
$\Rightarrow E=\overline{A}$
Now for the final gate which is NAND gate the inputs will be D and E SO,
$\Rightarrow Y=\overline{D.E}$
By putting the values of D and E and applying de Morgan’s law in some steps we have,
$\Rightarrow Y=\overline{\overline{(A}+\overline{B})\overline{A}}$
$\Rightarrow Y=\overline{\overline{A}+\overline{A}B}$
$\Rightarrow Y=A\overline{(\overline{A}B)}$
$\Rightarrow Y=A(A+\overline{B})$
$\Rightarrow Y=A+A\overline{B}=A\overline{B}$
$\Rightarrow Y=A\overline{B}$
$\therefore $ The output of the given logic gate diagram will be $A\overline{B}$, hence option B is correct
Note:
In these type of circuit in which different type of multiple logic gates are used we need to carefully calculate the output of each logic gate step by step and store its value in some variable, so it can be act as a input for next logic gate, and to avoid any type of mistakes it's better to write down the truth table of each logic gate involved. Try to minimize the equations with the help of Boolean properties and theorems of logic gates.
Recently Updated Pages
The number of solutions in x in 02pi for which sqrt class 12 maths CBSE

Write any two methods of preparation of phenol Give class 12 chemistry CBSE

Differentiate between action potential and resting class 12 biology CBSE

Two plane mirrors arranged at right angles to each class 12 physics CBSE

Which of the following molecules is are chiral A I class 12 chemistry CBSE

Name different types of neurons and give one function class 12 biology CBSE

Trending doubts
Which are the Top 10 Largest Countries of the World?

What are the major means of transport Explain each class 12 social science CBSE

Draw a labelled sketch of the human eye class 12 physics CBSE

Differentiate between insitu conservation and exsitu class 12 biology CBSE

State the principle of an ac generator and explain class 12 physics CBSE

Differentiate between homogeneous and heterogeneous class 12 chemistry CBSE

