
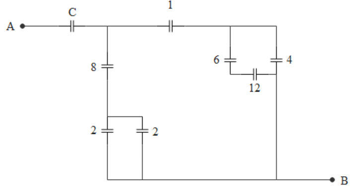
The figure shows a network of capacitors where the numbers indicate capacitances in micro Farad. The value of capacitance C such that the equivalent capacitance between point A and B is to be 1μF is:
A. $\dfrac{{32}}{{23}}\mu F$
B. $\dfrac{{31}}{{23}}\mu F$
C. $\dfrac{{33}}{{23}}\mu F$
D. $\dfrac{{34}}{{23}}\mu F$
Answer
565.2k+ views
Hint: Capacitor is a device which is used to store the charge. The charge stored in the capacitor depends on the potential difference applied across them and also depends on the capacitance of the capacitor. We have different formulas to find out effective capacitance when they are connected in series or parallel.
Formula used:
$\dfrac{1}{{{C_S}}} = \dfrac{1}{{{C_1}}} + \dfrac{1}{{{C_2}}} + \dfrac{1}{{{C_3}}} + \dfrac{1}{{{C_4}}}{\text{ }}.........$
$ {C_P} = {C_1} + {C_2} + {C_3} + {C_4}{\text{ }}........... $
Complete step-by-step solution:
Generally, when there is more than one capacitor, we can connect them in series or we can connect them in parallel.
In the case of series connection, the current flowing through the circuit will be the same which means that the charge stored on every capacitor will be the same as the charge is nothing but the current flowing in a given time.
In the case of parallel connection, the voltage across all the capacitors will be the same.
In series connection charge will be the same and voltage will be divided across the capacitors whereas in parallel connection voltage will be the same and the charge will be divided across the capacitors.
Effective capacitance for capacitors in series connection is
$\dfrac{1}{{{C_S}}} = \dfrac{1}{{{C_1}}} + \dfrac{1}{{{C_2}}} + \dfrac{1}{{{C_3}}} + \dfrac{1}{{{C_4}}}{\text{ }}.........$
Effective capacitance for capacitors in parallel connection is
${C_P} = {C_1} + {C_2} + {C_3} + {C_4}{\text{ }}...........$
From the given circuit
12 and 6 are in series so effective capacitance will be
$\dfrac{1}{{{C_S}}} = \dfrac{1}{{{C_1}}} + \dfrac{1}{{{C_2}}} + \dfrac{1}{{{C_3}}} + \dfrac{1}{{{C_4}}}{\text{ }}.........$
$\eqalign{
& \Rightarrow \dfrac{1}{{{C_S}}} = \dfrac{1}{{12}} + \dfrac{1}{6} \cr
& \Rightarrow {C_S} = \dfrac{{12 \times 6}}{{12 + 6}} \cr
& \Rightarrow {C_S} = 4 \cr} $
Now this effective 4 and other 4 are in parallel. So the effective capacitance will be
${C_P} = {C_1} + {C_2} + {C_3} + {C_4}{\text{ }}...........$
$ \Rightarrow {C_P} = 4 + 4 = 8$
Now this 8 and 1 are in series. So the effective capacitance will be
$\eqalign{
& {C_S} = \dfrac{{8 \times 1}}{{8 + 1}} \cr
& \Rightarrow {C_S} = \dfrac{8}{9} \cr} $
Now 2 and 2 at the left bottom are parallel so the effective capacitance will be
${C_P} = 2 + 2 = 4$
This effective 4 is in series with 8. So the effective capacitance will be
$\eqalign{
& {C_S} = \dfrac{{8 \times 4}}{{8 + 4}} \cr
& \Rightarrow {C_S} = \dfrac{{32}}{{12}} \cr
& \Rightarrow {C_S} = \dfrac{8}{3} \cr} $
Now finally this $\dfrac{8}{3}$ and $\dfrac{8}{9}$ are parallel. So the effective capacitance will be
${C_P} = \dfrac{8}{3} + \dfrac{8}{9} = \dfrac{{32}}{9}$
Finally this $\dfrac{{32}}{9}$ and capacitance C will be in series and the effective capacitance must be 1. So C will be
$\eqalign{
& {C_S} = \dfrac{{\dfrac{{32}}{9} \times C}}{{\dfrac{{32}}{9} + C}} \cr
& \Rightarrow 1 = \dfrac{{\dfrac{{32}}{9} \times C}}{{\dfrac{{32}}{9} + C}} \cr
& \Rightarrow \dfrac{{32}}{9} + C = \dfrac{{32}}{9} \times C \cr
& \Rightarrow C = \dfrac{{32}}{{23}}\mu F \cr} $
Hence option A will be the answer.
Note: The formulas which we have for the case of finding effective capacitance of parallel and series connection of capacitors will be exactly opposite to the case of finding effective resistance of parallel and series connection of resistors. If we know the voltage across AB we can find out the total charge passing through the system given as we had got the effective capacitance.
Formula used:
$\dfrac{1}{{{C_S}}} = \dfrac{1}{{{C_1}}} + \dfrac{1}{{{C_2}}} + \dfrac{1}{{{C_3}}} + \dfrac{1}{{{C_4}}}{\text{ }}.........$
$ {C_P} = {C_1} + {C_2} + {C_3} + {C_4}{\text{ }}........... $
Complete step-by-step solution:
Generally, when there is more than one capacitor, we can connect them in series or we can connect them in parallel.
In the case of series connection, the current flowing through the circuit will be the same which means that the charge stored on every capacitor will be the same as the charge is nothing but the current flowing in a given time.
In the case of parallel connection, the voltage across all the capacitors will be the same.
In series connection charge will be the same and voltage will be divided across the capacitors whereas in parallel connection voltage will be the same and the charge will be divided across the capacitors.
Effective capacitance for capacitors in series connection is
$\dfrac{1}{{{C_S}}} = \dfrac{1}{{{C_1}}} + \dfrac{1}{{{C_2}}} + \dfrac{1}{{{C_3}}} + \dfrac{1}{{{C_4}}}{\text{ }}.........$
Effective capacitance for capacitors in parallel connection is
${C_P} = {C_1} + {C_2} + {C_3} + {C_4}{\text{ }}...........$
From the given circuit
12 and 6 are in series so effective capacitance will be
$\dfrac{1}{{{C_S}}} = \dfrac{1}{{{C_1}}} + \dfrac{1}{{{C_2}}} + \dfrac{1}{{{C_3}}} + \dfrac{1}{{{C_4}}}{\text{ }}.........$
$\eqalign{
& \Rightarrow \dfrac{1}{{{C_S}}} = \dfrac{1}{{12}} + \dfrac{1}{6} \cr
& \Rightarrow {C_S} = \dfrac{{12 \times 6}}{{12 + 6}} \cr
& \Rightarrow {C_S} = 4 \cr} $
Now this effective 4 and other 4 are in parallel. So the effective capacitance will be
${C_P} = {C_1} + {C_2} + {C_3} + {C_4}{\text{ }}...........$
$ \Rightarrow {C_P} = 4 + 4 = 8$
Now this 8 and 1 are in series. So the effective capacitance will be
$\eqalign{
& {C_S} = \dfrac{{8 \times 1}}{{8 + 1}} \cr
& \Rightarrow {C_S} = \dfrac{8}{9} \cr} $
Now 2 and 2 at the left bottom are parallel so the effective capacitance will be
${C_P} = 2 + 2 = 4$
This effective 4 is in series with 8. So the effective capacitance will be
$\eqalign{
& {C_S} = \dfrac{{8 \times 4}}{{8 + 4}} \cr
& \Rightarrow {C_S} = \dfrac{{32}}{{12}} \cr
& \Rightarrow {C_S} = \dfrac{8}{3} \cr} $
Now finally this $\dfrac{8}{3}$ and $\dfrac{8}{9}$ are parallel. So the effective capacitance will be
${C_P} = \dfrac{8}{3} + \dfrac{8}{9} = \dfrac{{32}}{9}$
Finally this $\dfrac{{32}}{9}$ and capacitance C will be in series and the effective capacitance must be 1. So C will be
$\eqalign{
& {C_S} = \dfrac{{\dfrac{{32}}{9} \times C}}{{\dfrac{{32}}{9} + C}} \cr
& \Rightarrow 1 = \dfrac{{\dfrac{{32}}{9} \times C}}{{\dfrac{{32}}{9} + C}} \cr
& \Rightarrow \dfrac{{32}}{9} + C = \dfrac{{32}}{9} \times C \cr
& \Rightarrow C = \dfrac{{32}}{{23}}\mu F \cr} $
Hence option A will be the answer.
Note: The formulas which we have for the case of finding effective capacitance of parallel and series connection of capacitors will be exactly opposite to the case of finding effective resistance of parallel and series connection of resistors. If we know the voltage across AB we can find out the total charge passing through the system given as we had got the effective capacitance.
Recently Updated Pages
A man running at a speed 5 ms is viewed in the side class 12 physics CBSE

The number of solutions in x in 02pi for which sqrt class 12 maths CBSE

State and explain Hardy Weinbergs Principle class 12 biology CBSE

Write any two methods of preparation of phenol Give class 12 chemistry CBSE

Which of the following statements is wrong a Amnion class 12 biology CBSE

Differentiate between action potential and resting class 12 biology CBSE

Trending doubts
What are the major means of transport Explain each class 12 social science CBSE

Which are the Top 10 Largest Countries of the World?

Draw a labelled sketch of the human eye class 12 physics CBSE

Explain sex determination in humans with line diag class 12 biology CBSE

Explain sex determination in humans with the help of class 12 biology CBSE

Differentiate between homogeneous and heterogeneous class 12 chemistry CBSE

