
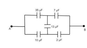
The equivalent capacitance across $A$ and $B$ is:
A. $\dfrac{28}{3}\text{ }\mu \text{F}$
B. $\dfrac{15}{2}\text{ }\mu \text{F}$
C. $15\text{ }\mu \text{F}$
D. None of these
Answer
519.3k+ views
Hint: To find out the capacitance of the given circuit, the first step must be to simplify the circuit by drawing the capacitances that are in series or in parallel. The next step would be to find the equivalent capacitance of the circuit by simplifying the capacitances in series and in parallel. The last step would be to find the equivalent capacitance of the complete circuit.
Complete step-by-step answer:
Let us first draw a simplified circuit.
Now, the next step would be to find the equivalent capacitance of capacitors that are connected in parallel and capacitances that are connected in series. Equivalent capacitance of capacitors in series is as follows:
$\dfrac{1}{{{C}_{eq}}}=\dfrac{1}{{{C}_{1}}}+\dfrac{1}{{{C}_{2}}}$
Equivalent capacitance of capacitors in parallel is as follows:
${{C}_{eq}}={{C}_{1}}+{{C}_{2}}$
Now, let us further simplify the circuit by finding the equivalent capacitances:
Since the ratio of:
$\dfrac{35}{10}=\dfrac{7}{2}$
Hence the $13\text{ }\mu \text{F}$ capacitor can be neglected. Now the circuit will look like:
Now let us calculate the equivalent capacitance for the capacitors that are connected in series:
\[\begin{align}
& \dfrac{1}{{{C}_{eq1}}}=\dfrac{1}{35}+\dfrac{1}{7} \\
& \Rightarrow \dfrac{1}{{{C}_{eq1}}}=\dfrac{1+5}{35} \\
& \Rightarrow \dfrac{1}{{{C}_{eq1}}}=\dfrac{6}{35} \\
& \Rightarrow {{C}_{eq1}}=\dfrac{35}{6}\text{ }\mu \text{F} \\
\end{align}\]
And,
\[\begin{align}
& \dfrac{1}{{{C}_{eq2}}}=\dfrac{1}{10}+\dfrac{1}{2} \\
& \Rightarrow \dfrac{1}{{{C}_{eq2}}}=\dfrac{2+10}{20} \\
& \Rightarrow \dfrac{1}{{{C}_{eq2}}}=\dfrac{12}{20} \\
& \Rightarrow {{C}_{eq2}}=\dfrac{5}{3}\text{ }\mu \text{F} \\
\end{align}\]
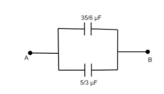
The circuit will now look like this now:
Again, we need to calculate the equivalent capacitance of the capacitors that are in parallel. The equivalent capacitance will be as follows:
$\begin{align}
& {{C}_{eq}}={{C}_{eq1}}+{{C}_{eq2}} \\
& \Rightarrow {{C}_{eq}}=\dfrac{35}{6}+\dfrac{5}{3} \\
& \Rightarrow {{C}_{eq}}=\dfrac{35+10}{6} \\
& \Rightarrow {{C}_{eq}}=\dfrac{45}{6} \\
& \therefore {{C}_{eq}}=\dfrac{15}{2}\text{ }\mu \text{F} \\
\end{align}$
Thus, the correct option is \[B\] because the equivalent capacitance across $A$ and $B$ is $\dfrac{15}{2}\text{ }\mu \text{F}$.
So, the correct answer is “Option B”.
Note:When the capacitances are in parallel, they are simply added to find out the equivalent capacitance of the given capacitors, but when they are connected in series then the inverse of the capacitors is used to find out the equivalent capacitance of the given capacitors.
Complete step-by-step answer:
Let us first draw a simplified circuit.
Now, the next step would be to find the equivalent capacitance of capacitors that are connected in parallel and capacitances that are connected in series. Equivalent capacitance of capacitors in series is as follows:
$\dfrac{1}{{{C}_{eq}}}=\dfrac{1}{{{C}_{1}}}+\dfrac{1}{{{C}_{2}}}$
Equivalent capacitance of capacitors in parallel is as follows:
${{C}_{eq}}={{C}_{1}}+{{C}_{2}}$
Now, let us further simplify the circuit by finding the equivalent capacitances:
Since the ratio of:
$\dfrac{35}{10}=\dfrac{7}{2}$
Hence the $13\text{ }\mu \text{F}$ capacitor can be neglected. Now the circuit will look like:
Now let us calculate the equivalent capacitance for the capacitors that are connected in series:
\[\begin{align}
& \dfrac{1}{{{C}_{eq1}}}=\dfrac{1}{35}+\dfrac{1}{7} \\
& \Rightarrow \dfrac{1}{{{C}_{eq1}}}=\dfrac{1+5}{35} \\
& \Rightarrow \dfrac{1}{{{C}_{eq1}}}=\dfrac{6}{35} \\
& \Rightarrow {{C}_{eq1}}=\dfrac{35}{6}\text{ }\mu \text{F} \\
\end{align}\]
And,
\[\begin{align}
& \dfrac{1}{{{C}_{eq2}}}=\dfrac{1}{10}+\dfrac{1}{2} \\
& \Rightarrow \dfrac{1}{{{C}_{eq2}}}=\dfrac{2+10}{20} \\
& \Rightarrow \dfrac{1}{{{C}_{eq2}}}=\dfrac{12}{20} \\
& \Rightarrow {{C}_{eq2}}=\dfrac{5}{3}\text{ }\mu \text{F} \\
\end{align}\]
The circuit will now look like this now:
Again, we need to calculate the equivalent capacitance of the capacitors that are in parallel. The equivalent capacitance will be as follows:
$\begin{align}
& {{C}_{eq}}={{C}_{eq1}}+{{C}_{eq2}} \\
& \Rightarrow {{C}_{eq}}=\dfrac{35}{6}+\dfrac{5}{3} \\
& \Rightarrow {{C}_{eq}}=\dfrac{35+10}{6} \\
& \Rightarrow {{C}_{eq}}=\dfrac{45}{6} \\
& \therefore {{C}_{eq}}=\dfrac{15}{2}\text{ }\mu \text{F} \\
\end{align}$
Thus, the correct option is \[B\] because the equivalent capacitance across $A$ and $B$ is $\dfrac{15}{2}\text{ }\mu \text{F}$.
So, the correct answer is “Option B”.
Note:When the capacitances are in parallel, they are simply added to find out the equivalent capacitance of the given capacitors, but when they are connected in series then the inverse of the capacitors is used to find out the equivalent capacitance of the given capacitors.
Recently Updated Pages
A man running at a speed 5 ms is viewed in the side class 12 physics CBSE

The number of solutions in x in 02pi for which sqrt class 12 maths CBSE

State and explain Hardy Weinbergs Principle class 12 biology CBSE

Write any two methods of preparation of phenol Give class 12 chemistry CBSE

Which of the following statements is wrong a Amnion class 12 biology CBSE

Differentiate between action potential and resting class 12 biology CBSE

Trending doubts
What are the major means of transport Explain each class 12 social science CBSE

Which are the Top 10 Largest Countries of the World?

Draw a labelled sketch of the human eye class 12 physics CBSE

How much time does it take to bleed after eating p class 12 biology CBSE

Explain sex determination in humans with line diag class 12 biology CBSE

Explain sex determination in humans with the help of class 12 biology CBSE

