
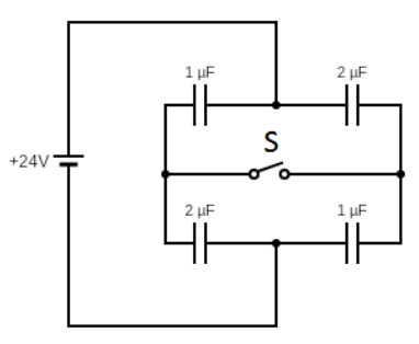
The connections shown in figure are established with the switch S open. Charge flow through the switch if it is closed is \[1.2 \times {10^{ - x}}C\]. Find the value of \[x\].
Answer
528k+ views
Hint: Find the total charge in the equivalent capacitor when switch is open and calculate the potential at the junction of switch then calculate charge flowing through the junction. Equivalent capacitance of capacitors connected in parallel is given by, \[\dfrac{1}{{{C_{eq}}}} = \dfrac{1}{{{C_1}}} + \dfrac{1}{{{C_2}}} + \dfrac{1}{{{C_3}}} + ...\]. The total charge on a capacitor of capacitance \[C\]is \[q = CV\] where \[V\] is the voltage across the capacitor.
Complete step by step answer:
Here the switch is opened at first. So, let’s find the total charge on the circuit when the switch is opened. So, we can draw the circuit as follows.
We know the, Equivalent capacitance of capacitors connected in parallel is given by, \[\dfrac{1}{{{C_{eq}}}} = \dfrac{1}{{{C_1}}} + \dfrac{1}{{{C_2}}} + \dfrac{1}{{{C_3}}} + ...\]
Now, the equivalent capacitance of the \[{C_1} = 1\mu F\]and \[{C_2} = 2\mu F\] will be,
\[\dfrac{1}{{{C_{eq1}}}} = \dfrac{1}{{{C_1}}} + \dfrac{1}{{{C_2}}} = \dfrac{1}{1} + \dfrac{1}{2} = \dfrac{3}{2}\]
\[\Rightarrow {C_{eq1}} = \dfrac{2}{3}\,\mu F\]
Similarly, the equivalent capacitance of the \[{C_3} = 2\mu F\] and \[{C_4} = 1\mu F\] will be,
\[{C_{eq2}} = \dfrac{2}{3}\mu F\]
Now, the voltage across the two branches is the same. Hence, they will carry the same charge at open condition. Hence, the charge at \[{C_1}\] and \[{C_4}\] will be the same and similarly charge at \[{C_2}\] and \[{C_3}\] will be the same. When the switch is just closed the potential on the switch junction will become the same in a certain time. And charge on \[{C_1}\] and \[{C_4}\] will be same when the switch is just closed, similarly charge \[{C_2}\] in and \[{C_3}\] will be same. After that they will start discharging due to voltage difference and finally make the voltage at the switch junction same.
Let, the potential at the junction is \[{V_0}\]. So, we can write, \[{Q_{C1}} = {Q_{C4}}\].Putting the value we get,
\[1 \times (24 - {V_0}) = 1 \times {V_0}\]
\[\Rightarrow {V_0} = 12\]
Hence, for closed condition the charge on \[{C_1}\] will be, \[{Q_{C1}} = 1 \times 12 = 12\,\mu C\].
Charge on \[{C_2}\] will be, \[{Q_{C2}} = 2 \times 12 = 24\,\mu C\]
Now, the charge flowing through the junction is \[q\].
Hence, we can write, \[{Q_{C2}} = q + {Q_{C1}}\].
Putting the values we get, \[q = 24 - 12 = 12\,\mu C\].
So, equating this with given charge we get,
\[1.2 \times {10^{ - x}} = 12 \times {10^{ - 6}}\]
\[\Rightarrow {10^{ - x}} = {10^{ - 5}}\]
\[\therefore x = 5\]
Hence, the value of \[x\] is \[5\].
Note: When the circuit is closed the charge \[q = 1.2 \times {10^{ - 5}}\] will flow producing current in the circuit for a certain time until the potential in the junction of the switch is the same. When the capacitors are charged again and potential becomes \[{V_0}\] the current will stop. Equivalent capacitance of capacitors connected in series is given by, \[{C_{eq}} = {C_1} + {C_2} + {C_3} + ...\]
Complete step by step answer:
Here the switch is opened at first. So, let’s find the total charge on the circuit when the switch is opened. So, we can draw the circuit as follows.
We know the, Equivalent capacitance of capacitors connected in parallel is given by, \[\dfrac{1}{{{C_{eq}}}} = \dfrac{1}{{{C_1}}} + \dfrac{1}{{{C_2}}} + \dfrac{1}{{{C_3}}} + ...\]
Now, the equivalent capacitance of the \[{C_1} = 1\mu F\]and \[{C_2} = 2\mu F\] will be,
\[\dfrac{1}{{{C_{eq1}}}} = \dfrac{1}{{{C_1}}} + \dfrac{1}{{{C_2}}} = \dfrac{1}{1} + \dfrac{1}{2} = \dfrac{3}{2}\]
\[\Rightarrow {C_{eq1}} = \dfrac{2}{3}\,\mu F\]
Similarly, the equivalent capacitance of the \[{C_3} = 2\mu F\] and \[{C_4} = 1\mu F\] will be,
\[{C_{eq2}} = \dfrac{2}{3}\mu F\]
Now, the voltage across the two branches is the same. Hence, they will carry the same charge at open condition. Hence, the charge at \[{C_1}\] and \[{C_4}\] will be the same and similarly charge at \[{C_2}\] and \[{C_3}\] will be the same. When the switch is just closed the potential on the switch junction will become the same in a certain time. And charge on \[{C_1}\] and \[{C_4}\] will be same when the switch is just closed, similarly charge \[{C_2}\] in and \[{C_3}\] will be same. After that they will start discharging due to voltage difference and finally make the voltage at the switch junction same.
Let, the potential at the junction is \[{V_0}\]. So, we can write, \[{Q_{C1}} = {Q_{C4}}\].Putting the value we get,
\[1 \times (24 - {V_0}) = 1 \times {V_0}\]
\[\Rightarrow {V_0} = 12\]
Hence, for closed condition the charge on \[{C_1}\] will be, \[{Q_{C1}} = 1 \times 12 = 12\,\mu C\].
Charge on \[{C_2}\] will be, \[{Q_{C2}} = 2 \times 12 = 24\,\mu C\]
Now, the charge flowing through the junction is \[q\].
Hence, we can write, \[{Q_{C2}} = q + {Q_{C1}}\].
Putting the values we get, \[q = 24 - 12 = 12\,\mu C\].
So, equating this with given charge we get,
\[1.2 \times {10^{ - x}} = 12 \times {10^{ - 6}}\]
\[\Rightarrow {10^{ - x}} = {10^{ - 5}}\]
\[\therefore x = 5\]
Hence, the value of \[x\] is \[5\].
Note: When the circuit is closed the charge \[q = 1.2 \times {10^{ - 5}}\] will flow producing current in the circuit for a certain time until the potential in the junction of the switch is the same. When the capacitors are charged again and potential becomes \[{V_0}\] the current will stop. Equivalent capacitance of capacitors connected in series is given by, \[{C_{eq}} = {C_1} + {C_2} + {C_3} + ...\]
Recently Updated Pages
Master Class 12 Economics: Engaging Questions & Answers for Success

Master Class 12 Physics: Engaging Questions & Answers for Success

Master Class 12 English: Engaging Questions & Answers for Success

Master Class 12 Social Science: Engaging Questions & Answers for Success

Master Class 12 Maths: Engaging Questions & Answers for Success

Master Class 12 Business Studies: Engaging Questions & Answers for Success

Trending doubts
Which are the Top 10 Largest Countries of the World?

What are the major means of transport Explain each class 12 social science CBSE

Draw a labelled sketch of the human eye class 12 physics CBSE

Why cannot DNA pass through cell membranes class 12 biology CBSE

Differentiate between insitu conservation and exsitu class 12 biology CBSE

Draw a neat and well labeled diagram of TS of ovary class 12 biology CBSE

