
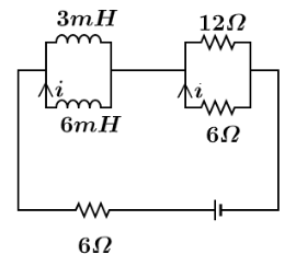
The circuit shown here is in its steady state. Time constant of the circuit is
A. $0.1\,ms$
B. $0.2\,ms$
C. $0.3\,ms$
D. Information is insufficient to find time constant.
Answer
501.9k+ views
Hint: In electrical LR circuits which consists of inductor and resistors, the time taken by the current to reach its maximum value called time constant and in LR circuits mathematically, its denoted by $\tau = \dfrac{{{L_{net}}}}{{{R_{net}}}}$ which is the ratio of net inductance of the circuit to the net resistance. We will find net resistance and inductance of the circuit then using the above formula we will find the time constant of the circuit.
Formula used:
If two inductors of inductance say ${L_1}(and){L_2}$ are connected in parallel to each other then, net inductance can be found mathematically as,
$\dfrac{1}{{{L_{net}}}} = \dfrac{1}{{{L_1}}} + \dfrac{1}{{{L_2}}}$
And if two resistances connected in parallel to each other the mathematical formula of net resistance is given a $\dfrac{1}{{{R_{parallel}}}} = \dfrac{1}{{{R_1}}} + \dfrac{1}{{{R_2}}}$ while when resistance connected in series it’s given by ${R_{series}} = {R_1} + {R_2}$ .
Complete step by step answer:
Let us first find net inductance of two inductors having inductance of ${L_1} = 3mH$ and ${L_2} = 6mH$ which are connected in parallel combination, so
$\dfrac{1}{{{L_{net}}}} = \dfrac{1}{{{L_1}}} + \dfrac{1}{{{L_2}}}$
$\Rightarrow \dfrac{1}{{{L_{net}}}} = \dfrac{1}{3} + \dfrac{1}{6}$
$\Rightarrow \dfrac{1}{{{L_{net}}}} = \dfrac{9}{{18}}$
$\Rightarrow {L_{net}} = 2mH \to (i)$
Now, as we see from the circuit the resistances $6\Omega $ and $12\Omega $ are in parallel combination so,
$\dfrac{1}{{{R_{parallel}}}} = \dfrac{1}{{{R_1}}} + \dfrac{1}{{{R_2}}}$
$\Rightarrow \dfrac{1}{{{R_{parallel}}}} = \dfrac{1}{6} + \dfrac{1}{{12}}$
$\Rightarrow \dfrac{1}{{{R_{parallel}}}} = \dfrac{{18}}{{72}}$
$\Rightarrow {R_{parallel}} = 4\Omega $
Now, this net resistance of ${R_{parallel}} = 4\Omega $ is in series combination of remaining $6\Omega $ resistance, so
$\Rightarrow {R_{net}} = {R_{parallel}} + {R_{6\Omega }}$
$\Rightarrow {R_{net}} = 4 + 6$
$\Rightarrow {R_{net}} = 10\Omega \to (ii)$
Now, from using equation $(i)and(ii)$ put this value on time constant formula as
$\tau = \dfrac{{{L_{net}}}}{{{R_{net}}}}$
$\Rightarrow \tau = \dfrac{{2mH}}{{4\Omega }}$
$\therefore \tau = 0.2\,ms$
So, the time constant has a value of $\tau = 0.2\,ms$
Hence, the correct option is B.
Note: It should be remembered that, a steady state is one when the inductor gets fully charged and no more current flows across the inductor. And if two inductors are connected in series with each other then their net inductance is calculated as ${L_{net}} = {L_1} + {L_2}$ . The $ms$ in the $\tau = 0.2ms$ stands for micro seconds where $1micro\sec = {10^{ - 6}}\sec $.
Formula used:
If two inductors of inductance say ${L_1}(and){L_2}$ are connected in parallel to each other then, net inductance can be found mathematically as,
$\dfrac{1}{{{L_{net}}}} = \dfrac{1}{{{L_1}}} + \dfrac{1}{{{L_2}}}$
And if two resistances connected in parallel to each other the mathematical formula of net resistance is given a $\dfrac{1}{{{R_{parallel}}}} = \dfrac{1}{{{R_1}}} + \dfrac{1}{{{R_2}}}$ while when resistance connected in series it’s given by ${R_{series}} = {R_1} + {R_2}$ .
Complete step by step answer:
Let us first find net inductance of two inductors having inductance of ${L_1} = 3mH$ and ${L_2} = 6mH$ which are connected in parallel combination, so
$\dfrac{1}{{{L_{net}}}} = \dfrac{1}{{{L_1}}} + \dfrac{1}{{{L_2}}}$
$\Rightarrow \dfrac{1}{{{L_{net}}}} = \dfrac{1}{3} + \dfrac{1}{6}$
$\Rightarrow \dfrac{1}{{{L_{net}}}} = \dfrac{9}{{18}}$
$\Rightarrow {L_{net}} = 2mH \to (i)$
Now, as we see from the circuit the resistances $6\Omega $ and $12\Omega $ are in parallel combination so,
$\dfrac{1}{{{R_{parallel}}}} = \dfrac{1}{{{R_1}}} + \dfrac{1}{{{R_2}}}$
$\Rightarrow \dfrac{1}{{{R_{parallel}}}} = \dfrac{1}{6} + \dfrac{1}{{12}}$
$\Rightarrow \dfrac{1}{{{R_{parallel}}}} = \dfrac{{18}}{{72}}$
$\Rightarrow {R_{parallel}} = 4\Omega $
Now, this net resistance of ${R_{parallel}} = 4\Omega $ is in series combination of remaining $6\Omega $ resistance, so
$\Rightarrow {R_{net}} = {R_{parallel}} + {R_{6\Omega }}$
$\Rightarrow {R_{net}} = 4 + 6$
$\Rightarrow {R_{net}} = 10\Omega \to (ii)$
Now, from using equation $(i)and(ii)$ put this value on time constant formula as
$\tau = \dfrac{{{L_{net}}}}{{{R_{net}}}}$
$\Rightarrow \tau = \dfrac{{2mH}}{{4\Omega }}$
$\therefore \tau = 0.2\,ms$
So, the time constant has a value of $\tau = 0.2\,ms$
Hence, the correct option is B.
Note: It should be remembered that, a steady state is one when the inductor gets fully charged and no more current flows across the inductor. And if two inductors are connected in series with each other then their net inductance is calculated as ${L_{net}} = {L_1} + {L_2}$ . The $ms$ in the $\tau = 0.2ms$ stands for micro seconds where $1micro\sec = {10^{ - 6}}\sec $.
Recently Updated Pages
A man running at a speed 5 ms is viewed in the side class 12 physics CBSE

The number of solutions in x in 02pi for which sqrt class 12 maths CBSE

State and explain Hardy Weinbergs Principle class 12 biology CBSE

Write any two methods of preparation of phenol Give class 12 chemistry CBSE

Which of the following statements is wrong a Amnion class 12 biology CBSE

Differentiate between action potential and resting class 12 biology CBSE

Trending doubts
What are the major means of transport Explain each class 12 social science CBSE

Which are the Top 10 Largest Countries of the World?

Draw a labelled sketch of the human eye class 12 physics CBSE

Explain sex determination in humans with line diag class 12 biology CBSE

Explain sex determination in humans with the help of class 12 biology CBSE

Differentiate between homogeneous and heterogeneous class 12 chemistry CBSE

