
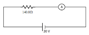
The ammeter shown in the figure consists of a $ 480\Omega $ coil connected in parallel to a $ 20\Omega $ shunt. The ammeter is then connected to a $ 140.8\Omega $ resistance and a 20V battery. The reading of ammeter is
(A) $ 0.125A $
(B) $ 1.67A $
(C) $ 0.13A $
(D) $ 0.67A $
Answer
554.4k+ views
Hint: We are given that two resistances are places in parallel where the $ 20\Omega $ resistance is a shunt. So then we can calculate the total resistance in the circuit connected with the ammeter and the equivalent resistance will be that in series with $ 140.8\Omega $ . Now since the emf of the battery is given $ 20V $ , using that we can find the total current in the circuit having the equivalent resistance. This total current is the reading shown by the ammeter.
Formula used: In this question, we will be using the following formula,
$ {R_{eq}} = {R_1} + {R_2} + {R_3} + .... $ where $ {R_{eq}} $ is the equivalent resistance when the resistances are placed in series.
$ \dfrac{1}{{{R_{eq}}}} = \dfrac{1}{{{R_1}}} + \dfrac{1}{{{R_2}}} + \dfrac{1}{{{R_3}}} + .... $ where $ {R_{eq}} $ is the equivalent resistance when the resistances are placed in a parallel circuit and, $ I = \dfrac{V}{R} $ where $ I $ is the current in the circuit and $ V $ is the emf of the call placed in the circuit.
Complete step by step solution:
We are given that the ammeter given in the figure consists of a coil and a shunt resistance. So the ammeter looks like this,
So the resistances $ 20\Omega $ and $ 480\Omega $ connected across the ammeter are in parallel, so the total resistance can be found out from the formula,
$ \dfrac{1}{{{R_{eq}}}} = \dfrac{1}{{{R_1}}} + \dfrac{1}{{{R_2}}} + \dfrac{1}{{{R_3}}} + .... $
Now here we can put, $ {R_1} = 20\Omega $ and $ {R_2} = 480\Omega $ . Therefore we get,
$ \dfrac{1}{{{R_{eq1}}}} = \dfrac{1}{{20}} + \dfrac{1}{{480}} $
Now taking LCM in the denominator, we get
$ \dfrac{1}{{{R_{eq1}}}} = \dfrac{{24 + 1}}{{480}} $
So by taking the reciprocal we get,
$ {R_{eq1}} = \dfrac{{480}}{{25}} $
The equivalent resistance is, $ {R_{eq1}} = 19.2\Omega $
Therefore in the complete circuit, the resistance $ 140.8\Omega $ is placed in series with the equivalent resistance across the ammeter.
so, to find the equivalent resistance we use the formula,
$ {R_{eq}} = {R_1} + {R_2} + {R_3} + .... $
Where the values $ {R_1} = 140.8\Omega $ and $ {R_2} = 19.2\Omega $
Therefore we get the equivalent resistance as,
$ {R_{eq}} = 140.8 + 19.2 $
Adding we get the resistance,
$ {R_{eq}} = 160\Omega $
Now in the given circuit, the emf of the cell is provided as, $ 20V $ . So the current in the circuit can be found out from the Ohm’s law as,
$ I = \dfrac{V}{R} $
Substituting the values we get,
$ I = \dfrac{{20}}{{160}}A $
By doing the division we get,
$ I = 0.125A $
Therefore, the reading given by the ammeter will be, $ 0.125A $
Therefore, the correct option is option (A) $ 0.125A $.
Note:
The shunt resistance in the question that is connected in parallel to the ammeter is a low resistance path that is provided to the. It is always connected in parallel to the ammeter and sometimes it is built inside the instrument while the other times it is connected externally outside the circuit.
Formula used: In this question, we will be using the following formula,
$ {R_{eq}} = {R_1} + {R_2} + {R_3} + .... $ where $ {R_{eq}} $ is the equivalent resistance when the resistances are placed in series.
$ \dfrac{1}{{{R_{eq}}}} = \dfrac{1}{{{R_1}}} + \dfrac{1}{{{R_2}}} + \dfrac{1}{{{R_3}}} + .... $ where $ {R_{eq}} $ is the equivalent resistance when the resistances are placed in a parallel circuit and, $ I = \dfrac{V}{R} $ where $ I $ is the current in the circuit and $ V $ is the emf of the call placed in the circuit.
Complete step by step solution:
We are given that the ammeter given in the figure consists of a coil and a shunt resistance. So the ammeter looks like this,
So the resistances $ 20\Omega $ and $ 480\Omega $ connected across the ammeter are in parallel, so the total resistance can be found out from the formula,
$ \dfrac{1}{{{R_{eq}}}} = \dfrac{1}{{{R_1}}} + \dfrac{1}{{{R_2}}} + \dfrac{1}{{{R_3}}} + .... $
Now here we can put, $ {R_1} = 20\Omega $ and $ {R_2} = 480\Omega $ . Therefore we get,
$ \dfrac{1}{{{R_{eq1}}}} = \dfrac{1}{{20}} + \dfrac{1}{{480}} $
Now taking LCM in the denominator, we get
$ \dfrac{1}{{{R_{eq1}}}} = \dfrac{{24 + 1}}{{480}} $
So by taking the reciprocal we get,
$ {R_{eq1}} = \dfrac{{480}}{{25}} $
The equivalent resistance is, $ {R_{eq1}} = 19.2\Omega $
Therefore in the complete circuit, the resistance $ 140.8\Omega $ is placed in series with the equivalent resistance across the ammeter.
so, to find the equivalent resistance we use the formula,
$ {R_{eq}} = {R_1} + {R_2} + {R_3} + .... $
Where the values $ {R_1} = 140.8\Omega $ and $ {R_2} = 19.2\Omega $
Therefore we get the equivalent resistance as,
$ {R_{eq}} = 140.8 + 19.2 $
Adding we get the resistance,
$ {R_{eq}} = 160\Omega $
Now in the given circuit, the emf of the cell is provided as, $ 20V $ . So the current in the circuit can be found out from the Ohm’s law as,
$ I = \dfrac{V}{R} $
Substituting the values we get,
$ I = \dfrac{{20}}{{160}}A $
By doing the division we get,
$ I = 0.125A $
Therefore, the reading given by the ammeter will be, $ 0.125A $
Therefore, the correct option is option (A) $ 0.125A $.
Note:
The shunt resistance in the question that is connected in parallel to the ammeter is a low resistance path that is provided to the. It is always connected in parallel to the ammeter and sometimes it is built inside the instrument while the other times it is connected externally outside the circuit.
Recently Updated Pages
Master Class 12 English: Engaging Questions & Answers for Success

Master Class 12 Economics: Engaging Questions & Answers for Success

Master Class 12 Social Science: Engaging Questions & Answers for Success

Master Class 12 Maths: Engaging Questions & Answers for Success

Master Class 12 Chemistry: Engaging Questions & Answers for Success

Master Class 12 Business Studies: Engaging Questions & Answers for Success

Trending doubts
What are the major means of transport Explain each class 12 social science CBSE

Which are the Top 10 Largest Countries of the World?

Draw a labelled sketch of the human eye class 12 physics CBSE

Explain sex determination in humans with line diag class 12 biology CBSE

The pH of the pancreatic juice is A 64 B 86 C 120 D class 12 biology CBSE

Explain sex determination in humans with the help of class 12 biology CBSE

