
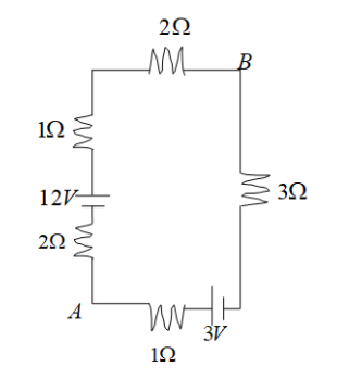
Potential difference ${V_B} - {V_A}$ in the network shown is ?
Answer
461.7k+ views
Hint: From the given circuit the equivalent resistance has to be calculated by noticing the connections of the resistors. The potential difference between the two given points is required. So, the equivalent emf of the circuit is required. To find this, the formula of equivalent emf is to be concluded in which the given values of battery and calculated equivalent resistance are used.
Formula used:
The equivalent resistance for two series resistors ${R_1}$ and ${R_{2,}}
$\[R = {R_1} + {R_2}\]
And, The equivalent resistance for two parallel resistors ${R_1}$ and ${R_{2,}}
$\[\dfrac{1}{R} = \dfrac{1}{{{R_1}}} + \dfrac{1}{{{R_2}}}\]
The formula of equivalent emf:
$\dfrac{{{E_{eq}}}}{{{R_{eq}}}} = \dfrac{{{E_1}}}{{{R_1}}} + \dfrac{{{E_2}}}{{{R_2}}}$
Complete step by step answer:
Let, \[{R_1} = 2\Omega \], \[{R_2} = 1\Omega \], \[{R_3} = 2\Omega \], \[{R_4} = 3\Omega \] and \[{R_5} = 1\Omega \]. From the circuit, it is seen that ${R_1},{R_2}$ and ${R_3}$ are connected in series.So, the equivalent resistance for these series resistors is,
$R' = {R_1} + {R_2} + {R_3} = 2 + 1 + 2 = 5\Omega $
And, ${R_4}$ and ${R_5}$ are connected in series.
So, the equivalent resistance for these series resistors is,
$R'' = {R_4} + {R_5} = 3+1 = 4\Omega$
Now, the $R'$ and $R''$ are connected in parallel.
So, $\dfrac{1}{{{R_{eq}}}} = \dfrac{1}{{R'}} + \dfrac{1}{{R''}}$
$ \Rightarrow {R_{eq}} = \dfrac{{R' \times R''}}{{R' + R''}} = \dfrac{{20}}{9}$
The formula of equivalent emf:
$\dfrac{{{E_{eq}}}}{{{R_{eq}}}} = \dfrac{{{E_1}}}{{R'}} + \dfrac{{{E_2}}}{{R''}}$ given that, ${E_1} = 12V$ and ${E_2} = 3V$
$ \Rightarrow \dfrac{{{E_{eq}}}}{{\dfrac{{20}}{9}}} = \dfrac{{12}}{5} + \dfrac{3}{4}$
$ \Rightarrow {E_{eq}} = \dfrac{{63}}{{20}} \times \dfrac{{20}}{9}$
$ \therefore {E_{eq}} = 7{\text{ volt}}$
Hence, the potential difference between point A and B, ${V_B} - {V_A} = 7{\text{ volt}}$.
Note: Kirchhoff's law for any closed system states that the total voltage drop between two points is equal to the addition of all the potential drops individually between the same two points. The unit of potential drop that occurs between two points is Volt and is defined as being the potential difference dropped across a certain resistance of one ohm with a current of one ampere passing through it. The electric potential difference is also called voltage. It is the work that is applied externally needed to bring a charge from one place to another place in an electric field. Electric potential difference is the change of potential energy of a unit positive charge.
Formula used:
The equivalent resistance for two series resistors ${R_1}$ and ${R_{2,}}
$\[R = {R_1} + {R_2}\]
And, The equivalent resistance for two parallel resistors ${R_1}$ and ${R_{2,}}
$\[\dfrac{1}{R} = \dfrac{1}{{{R_1}}} + \dfrac{1}{{{R_2}}}\]
The formula of equivalent emf:
$\dfrac{{{E_{eq}}}}{{{R_{eq}}}} = \dfrac{{{E_1}}}{{{R_1}}} + \dfrac{{{E_2}}}{{{R_2}}}$
Complete step by step answer:
Let, \[{R_1} = 2\Omega \], \[{R_2} = 1\Omega \], \[{R_3} = 2\Omega \], \[{R_4} = 3\Omega \] and \[{R_5} = 1\Omega \]. From the circuit, it is seen that ${R_1},{R_2}$ and ${R_3}$ are connected in series.So, the equivalent resistance for these series resistors is,
$R' = {R_1} + {R_2} + {R_3} = 2 + 1 + 2 = 5\Omega $
And, ${R_4}$ and ${R_5}$ are connected in series.
So, the equivalent resistance for these series resistors is,
$R'' = {R_4} + {R_5} = 3+1 = 4\Omega$
Now, the $R'$ and $R''$ are connected in parallel.
So, $\dfrac{1}{{{R_{eq}}}} = \dfrac{1}{{R'}} + \dfrac{1}{{R''}}$
$ \Rightarrow {R_{eq}} = \dfrac{{R' \times R''}}{{R' + R''}} = \dfrac{{20}}{9}$
The formula of equivalent emf:
$\dfrac{{{E_{eq}}}}{{{R_{eq}}}} = \dfrac{{{E_1}}}{{R'}} + \dfrac{{{E_2}}}{{R''}}$ given that, ${E_1} = 12V$ and ${E_2} = 3V$
$ \Rightarrow \dfrac{{{E_{eq}}}}{{\dfrac{{20}}{9}}} = \dfrac{{12}}{5} + \dfrac{3}{4}$
$ \Rightarrow {E_{eq}} = \dfrac{{63}}{{20}} \times \dfrac{{20}}{9}$
$ \therefore {E_{eq}} = 7{\text{ volt}}$
Hence, the potential difference between point A and B, ${V_B} - {V_A} = 7{\text{ volt}}$.
Note: Kirchhoff's law for any closed system states that the total voltage drop between two points is equal to the addition of all the potential drops individually between the same two points. The unit of potential drop that occurs between two points is Volt and is defined as being the potential difference dropped across a certain resistance of one ohm with a current of one ampere passing through it. The electric potential difference is also called voltage. It is the work that is applied externally needed to bring a charge from one place to another place in an electric field. Electric potential difference is the change of potential energy of a unit positive charge.
Recently Updated Pages
A man running at a speed 5 ms is viewed in the side class 12 physics CBSE

The number of solutions in x in 02pi for which sqrt class 12 maths CBSE

State and explain Hardy Weinbergs Principle class 12 biology CBSE

Write any two methods of preparation of phenol Give class 12 chemistry CBSE

Which of the following statements is wrong a Amnion class 12 biology CBSE

Differentiate between action potential and resting class 12 biology CBSE

Trending doubts
What are the major means of transport Explain each class 12 social science CBSE

Which are the Top 10 Largest Countries of the World?

Draw a labelled sketch of the human eye class 12 physics CBSE

How much time does it take to bleed after eating p class 12 biology CBSE

Explain sex determination in humans with line diag class 12 biology CBSE

Explain sex determination in humans with the help of class 12 biology CBSE

