
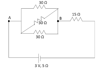
Potential difference across AB in the network shown in figure is
A. \[2\,{\text{V}}\]
B. \[3\,{\text{V}}\]
C. \[1\,{\text{V}}\]
D. \[1.5\,{\text{V}}\]
Answer
545.1k+ views
Hint: Use the formula for equivalent resistance of the two resistors connected in series and parallel arrangement. Also use the expression for Ohm’s law. First determine the equivalent resistance in the circuit using the formula for equivalent resistance in parallel and series arrangement. Then determine the current in the circuit using Ohm’s law. Finally, calculate the potential difference across AB using Ohm’s law.
Formulae used:
The equivalent resistance \[{R_{eq}}\] of the two resistors \[{R_1}\] and \[{R_2}\] connected in parallel is
\[\dfrac{1}{{{R_{eq}}}} = \dfrac{1}{{{R_1}}} + \dfrac{1}{{{R_2}}}\] …… (1)
The equivalent resistance \[{R_{eq}}\] of the two resistors \[{R_1}\] and \[{R_2}\] connected in series is
\[{R_{eq}} = {R_1} + {R_2}\] …… (2)
The expression for Ohm’s law is given by
\[V = IR\] …… (3)
Here, \[V\] is the potential difference between the two ends of the conductor, \[I\] is the current in the conductor and \[R\] is the resistance of the conductor.
Complete Step by Step Answer:
We have asked to calculate the potential difference between the ends A and B given in the circuit diagram.Let us first redraw the given circuit diagram to simplify the given circuit.
To calculate the potential difference between the ends A and B of the circuit, we need to calculate the net resistance and current in the circuit.Let us first determine the net resistance of three resistors connected in parallel.According to equation (1), we can write
\[\dfrac{1}{{R'}} = \dfrac{1}{{30\,\Omega }} + \dfrac{1}{{30\,\Omega }} + \dfrac{1}{{30\,\Omega }}\]
\[ \Rightarrow \dfrac{1}{{R'}} = \dfrac{{1 + 1 + 1}}{{30\,\Omega }}\]
\[ \Rightarrow R' = 10\,\Omega \]
Let us now calculate the equivalent resistance in the circuit using equation (2).
\[{R_{eq}} = 10\,\Omega + 5\,\Omega + 15\,\Omega \]
\[ \Rightarrow {R_{eq}} = 30\,\Omega \]
Hence, the equivalent resistance in the circuit is \[30\,\Omega \].
Let us now calculate the current in the circuit.Rewrite equation (3) for the potential difference across the circuit.
\[V = I{R_{eq}}\]
\[ \Rightarrow I = \dfrac{V}{{{R_{eq}}}}\]
Substitute \[3\,{\text{V}}\] for \[V\] and \[30\,\Omega \] for \[{R_{eq}}\] in the above equation.
\[ \Rightarrow I = \dfrac{{3\,{\text{V}}}}{{30\,\Omega }}\]
\[ \Rightarrow I = 0.1\,{\text{A}}\]
Hence, the current through the circuit is \[0.1\,{\text{A}}\].
Now we can calculate the potential difference across AB.Rewrite equation (3) for the potential difference across AB.
\[{V_{AB}} = IR'\]
Substitute \[0.1\,{\text{A}}\] for \[I\] and \[10\,\Omega \] for \[R'\] in the above equation.
\[{V_{AB}} = \left( {0.1\,{\text{A}}} \right)\left( {10\,\Omega } \right)\]
\[ \therefore {V_{AB}} = 1\,{\text{V}}\]
Therefore, the potential difference across AB is \[1\,{\text{V}}\].
Hence, the correct option is C.
Note:The students may only determine the equivalent resistance of the three resistors connected in parallel and then use Ohm’s law to determine the current and then potential difference across AB. But this is an incorrect way to solve the question. The students should calculate the equivalent resistance in the whole circuit as the current flows the same through all resistors connected in series.
Formulae used:
The equivalent resistance \[{R_{eq}}\] of the two resistors \[{R_1}\] and \[{R_2}\] connected in parallel is
\[\dfrac{1}{{{R_{eq}}}} = \dfrac{1}{{{R_1}}} + \dfrac{1}{{{R_2}}}\] …… (1)
The equivalent resistance \[{R_{eq}}\] of the two resistors \[{R_1}\] and \[{R_2}\] connected in series is
\[{R_{eq}} = {R_1} + {R_2}\] …… (2)
The expression for Ohm’s law is given by
\[V = IR\] …… (3)
Here, \[V\] is the potential difference between the two ends of the conductor, \[I\] is the current in the conductor and \[R\] is the resistance of the conductor.
Complete Step by Step Answer:
We have asked to calculate the potential difference between the ends A and B given in the circuit diagram.Let us first redraw the given circuit diagram to simplify the given circuit.
To calculate the potential difference between the ends A and B of the circuit, we need to calculate the net resistance and current in the circuit.Let us first determine the net resistance of three resistors connected in parallel.According to equation (1), we can write
\[\dfrac{1}{{R'}} = \dfrac{1}{{30\,\Omega }} + \dfrac{1}{{30\,\Omega }} + \dfrac{1}{{30\,\Omega }}\]
\[ \Rightarrow \dfrac{1}{{R'}} = \dfrac{{1 + 1 + 1}}{{30\,\Omega }}\]
\[ \Rightarrow R' = 10\,\Omega \]
Let us now calculate the equivalent resistance in the circuit using equation (2).
\[{R_{eq}} = 10\,\Omega + 5\,\Omega + 15\,\Omega \]
\[ \Rightarrow {R_{eq}} = 30\,\Omega \]
Hence, the equivalent resistance in the circuit is \[30\,\Omega \].
Let us now calculate the current in the circuit.Rewrite equation (3) for the potential difference across the circuit.
\[V = I{R_{eq}}\]
\[ \Rightarrow I = \dfrac{V}{{{R_{eq}}}}\]
Substitute \[3\,{\text{V}}\] for \[V\] and \[30\,\Omega \] for \[{R_{eq}}\] in the above equation.
\[ \Rightarrow I = \dfrac{{3\,{\text{V}}}}{{30\,\Omega }}\]
\[ \Rightarrow I = 0.1\,{\text{A}}\]
Hence, the current through the circuit is \[0.1\,{\text{A}}\].
Now we can calculate the potential difference across AB.Rewrite equation (3) for the potential difference across AB.
\[{V_{AB}} = IR'\]
Substitute \[0.1\,{\text{A}}\] for \[I\] and \[10\,\Omega \] for \[R'\] in the above equation.
\[{V_{AB}} = \left( {0.1\,{\text{A}}} \right)\left( {10\,\Omega } \right)\]
\[ \therefore {V_{AB}} = 1\,{\text{V}}\]
Therefore, the potential difference across AB is \[1\,{\text{V}}\].
Hence, the correct option is C.
Note:The students may only determine the equivalent resistance of the three resistors connected in parallel and then use Ohm’s law to determine the current and then potential difference across AB. But this is an incorrect way to solve the question. The students should calculate the equivalent resistance in the whole circuit as the current flows the same through all resistors connected in series.
Recently Updated Pages
A man running at a speed 5 ms is viewed in the side class 12 physics CBSE

The number of solutions in x in 02pi for which sqrt class 12 maths CBSE

State and explain Hardy Weinbergs Principle class 12 biology CBSE

Write any two methods of preparation of phenol Give class 12 chemistry CBSE

Which of the following statements is wrong a Amnion class 12 biology CBSE

Differentiate between action potential and resting class 12 biology CBSE

Trending doubts
What are the major means of transport Explain each class 12 social science CBSE

Which are the Top 10 Largest Countries of the World?

Draw a labelled sketch of the human eye class 12 physics CBSE

How much time does it take to bleed after eating p class 12 biology CBSE

Explain sex determination in humans with line diag class 12 biology CBSE

Explain sex determination in humans with the help of class 12 biology CBSE

