
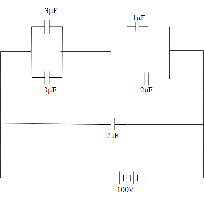
Obtain the capacitance of the five capacitors which are connected to a $100V$ supply. Calculate the total charge and total energy stored in the network.
Answer
580.5k+ views
Hint: First of all find the equivalent capacitance of the network shown. The energy stored will be the half of the product of the equivalent capacitance and the square of the potential. This information will help you in solving the question.
Complete answer:
First of all let us calculate the equivalent capacitance of the network. The two capacitors having the capacitance $3\mu F$ are connected in parallel. Their total capacitance will be,
${{C}_{1}}=3+3=6\mu F$
The capacitors having capacitance $1\mu F$ and $2\mu F$ are parallel. Their total capacitance will be given as,
${{C}_{2}}=1+2=3\mu F$
This two total capacitance, ${{C}_{1}}$ and ${{C}_{2}}$ will be in series,
Therefore we can write that,
${{C}_{12}}=\dfrac{6\times 3}{6+3}=2\mu F$
This ${{C}_{12}}$will be in parallel to the $2\mu F$ capacitor.
Therefore the equivalent capacitance of the network will be,
\[C={{C}_{12}}+2\mu F=2+2=4\mu F\]
The net capacitance has been obtained.
The energy store in the capacitor will be the half of the product of the equivalent capacitance and the square of the potential. That is we can write the equation as,
$U=\dfrac{1}{2}C{{V}^{2}}$
The potential is given by the equation,
$V=100V$
Substituting the values in it will give,
\[U=\dfrac{1}{2}\times 4\times {{10}^{-6}}\times {{\left( 100 \right)}^{2}}=0.02J\]
The total charge in the capacitor is given as,
\[q=CV\]
Substituting the values in it will give,
\[q=CV=\left( 4\times {{10}^{-4}} \right)\times 100=4\times {{10}^{-4}}C\]
Note:
The energy stored in a capacitor is defined as the work needed to charge the capacitor with no charge on its plates. The energy has been stored in the electrical field in the space in between the plates of the capacitor. It is dependable on the measure of electrical charges on the plates and on the potential difference between the plates.
Complete answer:
First of all let us calculate the equivalent capacitance of the network. The two capacitors having the capacitance $3\mu F$ are connected in parallel. Their total capacitance will be,
${{C}_{1}}=3+3=6\mu F$
The capacitors having capacitance $1\mu F$ and $2\mu F$ are parallel. Their total capacitance will be given as,
${{C}_{2}}=1+2=3\mu F$
This two total capacitance, ${{C}_{1}}$ and ${{C}_{2}}$ will be in series,
Therefore we can write that,
${{C}_{12}}=\dfrac{6\times 3}{6+3}=2\mu F$
This ${{C}_{12}}$will be in parallel to the $2\mu F$ capacitor.
Therefore the equivalent capacitance of the network will be,
\[C={{C}_{12}}+2\mu F=2+2=4\mu F\]
The net capacitance has been obtained.
The energy store in the capacitor will be the half of the product of the equivalent capacitance and the square of the potential. That is we can write the equation as,
$U=\dfrac{1}{2}C{{V}^{2}}$
The potential is given by the equation,
$V=100V$
Substituting the values in it will give,
\[U=\dfrac{1}{2}\times 4\times {{10}^{-6}}\times {{\left( 100 \right)}^{2}}=0.02J\]
The total charge in the capacitor is given as,
\[q=CV\]
Substituting the values in it will give,
\[q=CV=\left( 4\times {{10}^{-4}} \right)\times 100=4\times {{10}^{-4}}C\]
Note:
The energy stored in a capacitor is defined as the work needed to charge the capacitor with no charge on its plates. The energy has been stored in the electrical field in the space in between the plates of the capacitor. It is dependable on the measure of electrical charges on the plates and on the potential difference between the plates.
Recently Updated Pages
Master Class 12 Economics: Engaging Questions & Answers for Success

Master Class 12 Physics: Engaging Questions & Answers for Success

Master Class 12 English: Engaging Questions & Answers for Success

Master Class 12 Social Science: Engaging Questions & Answers for Success

Master Class 12 Maths: Engaging Questions & Answers for Success

Master Class 12 Business Studies: Engaging Questions & Answers for Success

Trending doubts
Which are the Top 10 Largest Countries of the World?

What are the major means of transport Explain each class 12 social science CBSE

Draw a labelled sketch of the human eye class 12 physics CBSE

Why cannot DNA pass through cell membranes class 12 biology CBSE

Differentiate between insitu conservation and exsitu class 12 biology CBSE

Draw a neat and well labeled diagram of TS of ovary class 12 biology CBSE

