
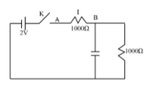
When the key is pressed at $t = 0$ then which of the following statement about the current i in the resistor AB of the given circuit is true:
(A) At $t = 0$, $i = 2mA$ and with time it goes to 1mA
(B) i oscillates between 1mA and 2mA
(C) $i = 2mA$ at all t
(D) $i = 1mA$ at all t
Answer
499.5k+ views
Hint: In order to answer this question, you must know about the different electrical appliances in the circuit. A circuit is a path between two or more points along which an electrical current can be carried. A capacitor is a device that stores electrical energy in an electric field.
Complete step-by-step solution:
Potential difference, $V = 2V$
When the circuit is completed by pressing the key at $t = 0$, then the current will initially pass through the capacitor (and not through the resistor which is parallel to the capacitor) because the capacitor will start charging. ${R_{AB}}$is the effective resistance of the circuit which is $1000\Omega $ at $t = 0$.
Using Ohm’s Law, $V = RI$
And therefore, $I = \dfrac{V}{R}$
Thus, at $t = 0$ the current, $I = \dfrac{2}{{1000}} = 2mA$
As a result, the current in the resistor is 2 mA at $t = 0$.
After some time, the capacitor will be fully charged and in its steady state. There will be no current passing through the capacitor now, and the circuit's effective resistance will be $(1000 + 1000) = 2000$.
Now, current $I = \dfrac{2}{{2000}} = 1mA$
Therefore, at $t = 0$, $I = 2mA$ and with time it goes to 1mA.
Hence, Option (A) is correct.
Note: Capacitor is a basic storage device to store electrical charges and release it as it is required by the circuit. Capacitors are widely used in electronic circuits to perform a variety of tasks, such as smoothing, filtering, bypassing etc. One type of capacitor may not be suitable for all applications.
Complete step-by-step solution:
Potential difference, $V = 2V$
When the circuit is completed by pressing the key at $t = 0$, then the current will initially pass through the capacitor (and not through the resistor which is parallel to the capacitor) because the capacitor will start charging. ${R_{AB}}$is the effective resistance of the circuit which is $1000\Omega $ at $t = 0$.
Using Ohm’s Law, $V = RI$
And therefore, $I = \dfrac{V}{R}$
Thus, at $t = 0$ the current, $I = \dfrac{2}{{1000}} = 2mA$
As a result, the current in the resistor is 2 mA at $t = 0$.
After some time, the capacitor will be fully charged and in its steady state. There will be no current passing through the capacitor now, and the circuit's effective resistance will be $(1000 + 1000) = 2000$.
Now, current $I = \dfrac{2}{{2000}} = 1mA$
Therefore, at $t = 0$, $I = 2mA$ and with time it goes to 1mA.
Hence, Option (A) is correct.
Note: Capacitor is a basic storage device to store electrical charges and release it as it is required by the circuit. Capacitors are widely used in electronic circuits to perform a variety of tasks, such as smoothing, filtering, bypassing etc. One type of capacitor may not be suitable for all applications.
Recently Updated Pages
Master Class 12 Business Studies: Engaging Questions & Answers for Success

Master Class 12 Economics: Engaging Questions & Answers for Success

Master Class 12 English: Engaging Questions & Answers for Success

Master Class 12 Maths: Engaging Questions & Answers for Success

Master Class 12 Social Science: Engaging Questions & Answers for Success

Master Class 12 Chemistry: Engaging Questions & Answers for Success

Trending doubts
The pH of the pancreatic juice is A 64 B 86 C 120 D class 12 biology CBSE

Which prominent US inventor was known as the Wizard class 12 social science CBSE

Which state in India is known as the Granary of India class 12 social science CBSE

Draw a ray diagram of compound microscope when the class 12 physics CBSE

When was the first election held in India a 194748 class 12 sst CBSE

How is democracy better than other forms of government class 12 social science CBSE

