
It is observed in a potentiometer experiment that no current passes through the galvanometer across when the terminals of a cell are connected across a certain length of the potentiometer wire. On shunting the cell by a $2\Omega $ resistance, the balancing length is reduced to half. The internal resistance of the cell is:
Answer
586.5k+ views
Hint: Draw the circuit diagram of a potentiometer. Find out the dependence of the quantities. Obtain what mathematical expressions can be used to solve the problem. Here, find out the value of the ratio of the emf and the voltage after connecting the cell. Then try to find the value of the internal resistance by putting the given values on the equation.
Complete step by step answer:
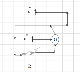
We have a potentiometer with no current flowing through the galvanometer, when a we connect a cell across the potentiometer wire.
Let the length of the potentiometer wire is l.
Let the emf of the cell is E.
So, we can write that,
$E=kl$
Where, k is the potential gradient or the potential per unit length of the wire.
Now, when we connect a resistance $R=2\Omega $ to the cell, then the length of the wire will reduce by half i.e.
$l/2$
After connecting the resistance, let the voltage will be V,
So, we can write, $V=k\dfrac{l}{2}$
Now, dividing the first equation by the second equation we get that,
$\dfrac{E}{V}=\dfrac{kl}{k\dfrac{l}{2}}=2$
Now, to find the terminal voltage we can write that,
$V=E-Ir$
Where, r is the internal resistance of the cell.
Now,
$r=\dfrac{E-V}{I}$
From Ohm’s law we can write that, $I=\dfrac{V}{R}$
Putting this value on the above equation, we get
$\begin{align}
& r=\dfrac{E-V}{\dfrac{V}{R}} \\
& r=\dfrac{E-V}{V}R \\
& r=\left( \dfrac{E}{V}-1 \right)R \\
\end{align}$
Putting the values of the given quantities,
$\begin{align}
& r=\left( 2-1 \right)\times 2\Omega \\
& r=2\Omega \\
\end{align}$
So, the internal resistance of the cell is $2\Omega $.
Note: Potentiometer is an instrument which is used to measure the unknown emf of a cell by balancing it with the potential difference which is produced by passing a current through a known resistance connected across the cell in the potentiometer.
Complete step by step answer:
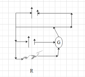
We have a potentiometer with no current flowing through the galvanometer, when a we connect a cell across the potentiometer wire.
Let the length of the potentiometer wire is l.
Let the emf of the cell is E.
So, we can write that,
$E=kl$
Where, k is the potential gradient or the potential per unit length of the wire.
Now, when we connect a resistance $R=2\Omega $ to the cell, then the length of the wire will reduce by half i.e.
$l/2$
After connecting the resistance, let the voltage will be V,
So, we can write, $V=k\dfrac{l}{2}$
Now, dividing the first equation by the second equation we get that,
$\dfrac{E}{V}=\dfrac{kl}{k\dfrac{l}{2}}=2$
Now, to find the terminal voltage we can write that,
$V=E-Ir$
Where, r is the internal resistance of the cell.
Now,
$r=\dfrac{E-V}{I}$
From Ohm’s law we can write that, $I=\dfrac{V}{R}$
Putting this value on the above equation, we get
$\begin{align}
& r=\dfrac{E-V}{\dfrac{V}{R}} \\
& r=\dfrac{E-V}{V}R \\
& r=\left( \dfrac{E}{V}-1 \right)R \\
\end{align}$
Putting the values of the given quantities,
$\begin{align}
& r=\left( 2-1 \right)\times 2\Omega \\
& r=2\Omega \\
\end{align}$
So, the internal resistance of the cell is $2\Omega $.
Note: Potentiometer is an instrument which is used to measure the unknown emf of a cell by balancing it with the potential difference which is produced by passing a current through a known resistance connected across the cell in the potentiometer.
Recently Updated Pages
Draw a neat labeled energy level diagram and explain class 12 physics CBSE

Calculate the temporary and permanent hardness of water class 12 chemistry CBSE

An object 5 cm in length is held 25 cm away from a class 12 physics CBSE

Define average value of ac over half a cycle Establish class 12 physics CBSE

What is composite fish culture What are the advantages class 12 biology CBSE

Gather information about solar light solar water heating class 12 biology CBSE

Trending doubts
What are the major means of transport Explain each class 12 social science CBSE

Which are the Top 10 Largest Countries of the World?

Draw a labelled sketch of the human eye class 12 physics CBSE

How much time does it take to bleed after eating p class 12 biology CBSE

Explain sex determination in humans with line diag class 12 biology CBSE

When was the first election held in India a 194748 class 12 sst CBSE

