
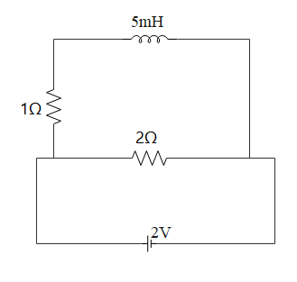
When induced emf in inductor coil is 50% of its maximum value then stored energy in inductor coil in the given circuit will be-
A. 2.5 mJ
B. 5 mJ
C. 15 mJ
D. 20 J
Answer
568.8k+ views
Hint: Inductor is a device which responds to the change in the current. It stores the magnetic energy. When an inductor is connected to the power source initially it won’t allow the flow of current but after some time it will act as a normal conducting wire with no resistance which will be exactly opposite in case of capacitor.
Formula used:
$E = \dfrac{1}{2}L{i^2}$
$V = iR$
Complete answer:
Normally in case of capacitors initially when power source is connected to the capacitor it acts as
a normal conduction wire and after sometime this will completely not allow the flow of charge but in case of an inductor this will be completely opposite. When an inductor is connected to the power source initially it won’t allow the flow of current but gradually after some time it will allow the flow of current just as the normal conducting wire.
So if we observe the diagram given the maximum voltage across the inductor will be at the starting. Hence the maximum voltage will be nothing but the emf of the battery as initially the battery and inductor will be parallel. So the maximum voltage is 2 volts.
50 percent of this voltage will be 1 volt.
Sum of voltages across the inductor and one ohm resistor must be 2 volts. So voltage across 1 ohm resistor will be 2-1 i.e 1 volt
From ohm’s law the current in the circuit will be
$V = iR$
$\eqalign{
& \Rightarrow 1 = i1 \cr
& \Rightarrow i = 1A \cr} $
So energy stored in the inductor will be
$E = \dfrac{1}{2}L{i^2}$
$\eqalign{
& \Rightarrow E = \dfrac{1}{2}5{(1)^2} \cr
& \Rightarrow E = \dfrac{5}{2} \cr
& \Rightarrow E = 2.5mJ \cr} $
So, the correct answer is “Option A”.
Note:
In case of an inductor when the circuit is closed then there is sudden increase in the flow of current which means that sudden change will be opposed by the inductor. Hence inductor generates emf itself in such a way that it opposes that flow and hence net current flown will be zero and initially inductor doesn’t allow the current.
Formula used:
$E = \dfrac{1}{2}L{i^2}$
$V = iR$
Complete answer:
Normally in case of capacitors initially when power source is connected to the capacitor it acts as
a normal conduction wire and after sometime this will completely not allow the flow of charge but in case of an inductor this will be completely opposite. When an inductor is connected to the power source initially it won’t allow the flow of current but gradually after some time it will allow the flow of current just as the normal conducting wire.
So if we observe the diagram given the maximum voltage across the inductor will be at the starting. Hence the maximum voltage will be nothing but the emf of the battery as initially the battery and inductor will be parallel. So the maximum voltage is 2 volts.
50 percent of this voltage will be 1 volt.
Sum of voltages across the inductor and one ohm resistor must be 2 volts. So voltage across 1 ohm resistor will be 2-1 i.e 1 volt
From ohm’s law the current in the circuit will be
$V = iR$
$\eqalign{
& \Rightarrow 1 = i1 \cr
& \Rightarrow i = 1A \cr} $
So energy stored in the inductor will be
$E = \dfrac{1}{2}L{i^2}$
$\eqalign{
& \Rightarrow E = \dfrac{1}{2}5{(1)^2} \cr
& \Rightarrow E = \dfrac{5}{2} \cr
& \Rightarrow E = 2.5mJ \cr} $
So, the correct answer is “Option A”.
Note:
In case of an inductor when the circuit is closed then there is sudden increase in the flow of current which means that sudden change will be opposed by the inductor. Hence inductor generates emf itself in such a way that it opposes that flow and hence net current flown will be zero and initially inductor doesn’t allow the current.
Recently Updated Pages
A man running at a speed 5 ms is viewed in the side class 12 physics CBSE

The number of solutions in x in 02pi for which sqrt class 12 maths CBSE

State and explain Hardy Weinbergs Principle class 12 biology CBSE

Write any two methods of preparation of phenol Give class 12 chemistry CBSE

Which of the following statements is wrong a Amnion class 12 biology CBSE

Differentiate between action potential and resting class 12 biology CBSE

Trending doubts
What are the major means of transport Explain each class 12 social science CBSE

Which are the Top 10 Largest Countries of the World?

Draw a labelled sketch of the human eye class 12 physics CBSE

Explain sex determination in humans with line diag class 12 biology CBSE

Explain sex determination in humans with the help of class 12 biology CBSE

Differentiate between homogeneous and heterogeneous class 12 chemistry CBSE

