
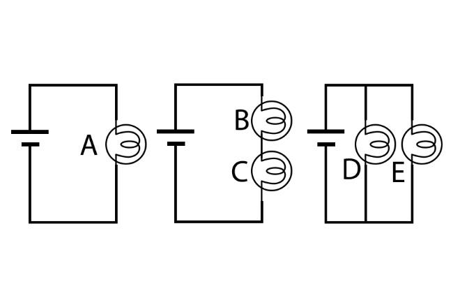
In these three circuits all the batteries are identical and have negligible internal resistance and all the light bulbs are identical. Rank all 5 light bulbs (A, B, C, D, E) in order of brightness from brightest to the dimmest
$\begin{array}{l}
1)\,{\rm{A = B = C > D = E}}\\
{\rm{2)A > B = C > D = E}}\\
{\rm{3)}}\,{\rm{A = D = E > B = C}}\\
{\rm{4)}}\,{\rm{A = D = E > B > C}}
\end{array}$
Answer
565.2k+ views
Hint: In this question we have to apply the concept of EMF, combination of resistors in a circuit in series and in parallel combination. And how the combination of resistors affects the amount of current in every branch of the circuit.
Complete step by step answer:
We have to find which bulb glows the brightest and which bulb glows the dimmest i.e. we have to find how much bright each of the bulbs will be. The brightness of a bulb is proportional to the amount of current flowing through it therefore if more current is flowing through a bulb the brighter it will glow.
The battery in all the circuits are the same therefore, let us assume the EMF of the battery to be V.
Since the bulbs are also identical in all of the circuits let us consider the resistance of each of the bulb to be R
For the first circuit we have a bulb directly connected to a battery. We have to find the amount of current passing through that bulb.
Therefore, by Ohm's law we can calculate the amount of current passing through it.
Ohm's law states that:
$V = IR$
Therefore, the making I the subject of the formula we get,
$I = \dfrac{V}{R}$
And the current in the first circuit i.e. in the bulb A will be:
${I_A} = \dfrac{V}{R}$
For the second circuit there are two bulbs connected in series to the battery therefore we have to calculate the equivalent resistance before calculating the current in them.
The equivalent resistance of the circuit is:
$\begin{array}{l}
{R_{eq}} = R + R\\
{R_{eq}} = 2R
\end{array}$
Since the bulbs B and C are in series circuit the amount of current passing through them will be equal.
Putting this value of R in the Ohm's law we can calculate the current passing through the resistors B and C,
${I_B} = {I_C} = \dfrac{V}{{2R}}$
Now in the third circuit the bulbs D and E are in parallel connection to each other. Therefore, the current coming from the battery will be divided into the two branches of the two bulbs. To be accurate the current will be divided equally therefore the current passing through the bulbs will be half of the current which is in the circuit.
Calculating the equivalent resistance of the combination of bulbs in parallel combination:
$
\dfrac{1}{{{R_{eq}}}} = \dfrac{1}{R} + \dfrac{1}{R}\\
\implies \dfrac{1}{{{R_{eq}}}} = \dfrac{2}{R}\\
\implies {R_{eq}} = \dfrac{R}{2}
$
If we put these values in the Ohm's law, we can calculate the current passing through the bulbs D and E.
$
I = \dfrac{V}{{\dfrac{R}{2}}}\\
\implies I = \dfrac{{2V}}{R}
$
This is the value of the current in the circuit but the current in the bulb will be half of this value.
$
{I_D} = {I_E} = \dfrac{{\dfrac{{2V}}{R}}}{2}\\
\implies {I_D} = {I_E} = \dfrac{V}{R}
$
Now that we have calculated the current passing through each of the bulbs in the different circuits, we can say that the current in bulbs A D and E are equal and greater than the current in B and C.
Therefore, we can write the relation between the brightness of the bulbs in the descending order as follows:
${\rm{A = D = E > B = C}}$.
So, the correct answer is “Option C”.
Note:
These types of questions require understanding regarding the current passing through each of the components in a circuit. We have to keep in mind the formulas of the combination of resistors to solve this kind of analysis problem. Here the students should be smart enough to consider the bulb as resistors then only such kinds of problems can be solved.
Complete step by step answer:
We have to find which bulb glows the brightest and which bulb glows the dimmest i.e. we have to find how much bright each of the bulbs will be. The brightness of a bulb is proportional to the amount of current flowing through it therefore if more current is flowing through a bulb the brighter it will glow.
The battery in all the circuits are the same therefore, let us assume the EMF of the battery to be V.
Since the bulbs are also identical in all of the circuits let us consider the resistance of each of the bulb to be R
For the first circuit we have a bulb directly connected to a battery. We have to find the amount of current passing through that bulb.
Therefore, by Ohm's law we can calculate the amount of current passing through it.
Ohm's law states that:
$V = IR$
Therefore, the making I the subject of the formula we get,
$I = \dfrac{V}{R}$
And the current in the first circuit i.e. in the bulb A will be:
${I_A} = \dfrac{V}{R}$
For the second circuit there are two bulbs connected in series to the battery therefore we have to calculate the equivalent resistance before calculating the current in them.
The equivalent resistance of the circuit is:
$\begin{array}{l}
{R_{eq}} = R + R\\
{R_{eq}} = 2R
\end{array}$
Since the bulbs B and C are in series circuit the amount of current passing through them will be equal.
Putting this value of R in the Ohm's law we can calculate the current passing through the resistors B and C,
${I_B} = {I_C} = \dfrac{V}{{2R}}$
Now in the third circuit the bulbs D and E are in parallel connection to each other. Therefore, the current coming from the battery will be divided into the two branches of the two bulbs. To be accurate the current will be divided equally therefore the current passing through the bulbs will be half of the current which is in the circuit.
Calculating the equivalent resistance of the combination of bulbs in parallel combination:
$
\dfrac{1}{{{R_{eq}}}} = \dfrac{1}{R} + \dfrac{1}{R}\\
\implies \dfrac{1}{{{R_{eq}}}} = \dfrac{2}{R}\\
\implies {R_{eq}} = \dfrac{R}{2}
$
If we put these values in the Ohm's law, we can calculate the current passing through the bulbs D and E.
$
I = \dfrac{V}{{\dfrac{R}{2}}}\\
\implies I = \dfrac{{2V}}{R}
$
This is the value of the current in the circuit but the current in the bulb will be half of this value.
$
{I_D} = {I_E} = \dfrac{{\dfrac{{2V}}{R}}}{2}\\
\implies {I_D} = {I_E} = \dfrac{V}{R}
$
Now that we have calculated the current passing through each of the bulbs in the different circuits, we can say that the current in bulbs A D and E are equal and greater than the current in B and C.
Therefore, we can write the relation between the brightness of the bulbs in the descending order as follows:
${\rm{A = D = E > B = C}}$.
So, the correct answer is “Option C”.
Note:
These types of questions require understanding regarding the current passing through each of the components in a circuit. We have to keep in mind the formulas of the combination of resistors to solve this kind of analysis problem. Here the students should be smart enough to consider the bulb as resistors then only such kinds of problems can be solved.
Recently Updated Pages
A man running at a speed 5 ms is viewed in the side class 12 physics CBSE

The number of solutions in x in 02pi for which sqrt class 12 maths CBSE

State and explain Hardy Weinbergs Principle class 12 biology CBSE

Write any two methods of preparation of phenol Give class 12 chemistry CBSE

Which of the following statements is wrong a Amnion class 12 biology CBSE

Differentiate between action potential and resting class 12 biology CBSE

Trending doubts
What are the major means of transport Explain each class 12 social science CBSE

Which are the Top 10 Largest Countries of the World?

Draw a labelled sketch of the human eye class 12 physics CBSE

Explain sex determination in humans with line diag class 12 biology CBSE

Explain sex determination in humans with the help of class 12 biology CBSE

Differentiate between homogeneous and heterogeneous class 12 chemistry CBSE

