
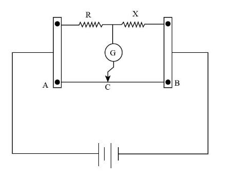
In the meter bridge shown, the resistance X has a negative temperature coefficient of resistance. Neglecting the variation in other resistors, when current is passed for some time, in the circuit balance point should be shifted towards:
(A) A
(B) B
(C) First A then B
(D) It will remain at C
Answer
565.5k+ views
Hint: The question uses the concept of the Wheatstone bridge, so you should know the balanced condition for the circuit. Also, this question uses the relation between temperature and resistance, which share an inverse relationship. So when the temperature increases, the resistance of the wire decreases. So when you put this concept in the balanced condition of the Wheatstone bridge, you will get the correct answer.
Complete step by step answer:
We already know that, when current flows through the wire, heat is produced and the temperature of the wire increases. As the resistance $X$ has a negative temperature coefficient, so when the current passes through the resistance $X$ , the temperature of the resistance increases. Due to the increase in the temperature, the resistance of $X$ gets decreased.
In the meter bridge, we know that the balanced condition is given as,
$\dfrac{R}{{X}}$ = $\dfrac{AC}{{BC}}$.
We saw that the resistance of $X$ will decrease. So, in order to keep the ratio equal or equivalent, $BC$ should decrease and on other hand, $AC$ should increase. This means that the distance between the balance point of the circuit and $B$ will decrease.
Since, the distance gets decreased, which means that balance point should be shifted towards $B$ .
So, the correct answer is “Option B”.
Note:
Meter Bridge works on the principle of Wheatstone bridge, so you need to apply it correctly. Moreover, the balance condition for the circuit should be applied appropriately. Further, you should know about the negative temperature coefficient and the factors on which the resistance of a wire depends.
Complete step by step answer:
We already know that, when current flows through the wire, heat is produced and the temperature of the wire increases. As the resistance $X$ has a negative temperature coefficient, so when the current passes through the resistance $X$ , the temperature of the resistance increases. Due to the increase in the temperature, the resistance of $X$ gets decreased.
In the meter bridge, we know that the balanced condition is given as,
$\dfrac{R}{{X}}$ = $\dfrac{AC}{{BC}}$.
We saw that the resistance of $X$ will decrease. So, in order to keep the ratio equal or equivalent, $BC$ should decrease and on other hand, $AC$ should increase. This means that the distance between the balance point of the circuit and $B$ will decrease.
Since, the distance gets decreased, which means that balance point should be shifted towards $B$ .
So, the correct answer is “Option B”.
Note:
Meter Bridge works on the principle of Wheatstone bridge, so you need to apply it correctly. Moreover, the balance condition for the circuit should be applied appropriately. Further, you should know about the negative temperature coefficient and the factors on which the resistance of a wire depends.
Recently Updated Pages
A man running at a speed 5 ms is viewed in the side class 12 physics CBSE

The number of solutions in x in 02pi for which sqrt class 12 maths CBSE

State and explain Hardy Weinbergs Principle class 12 biology CBSE

Write any two methods of preparation of phenol Give class 12 chemistry CBSE

Which of the following statements is wrong a Amnion class 12 biology CBSE

Differentiate between action potential and resting class 12 biology CBSE

Trending doubts
What are the major means of transport Explain each class 12 social science CBSE

Which are the Top 10 Largest Countries of the World?

Draw a labelled sketch of the human eye class 12 physics CBSE

Explain sex determination in humans with line diag class 12 biology CBSE

Explain sex determination in humans with the help of class 12 biology CBSE

Differentiate between homogeneous and heterogeneous class 12 chemistry CBSE

