
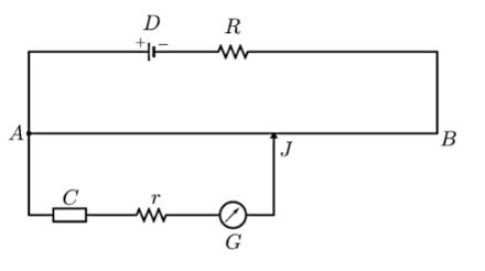
In the given potentiometer circuit, the resistance of the potentiometer wire $\;AB$ is $R_0$ . $C$ is a cell of internal resistance $r$ . The galvanometer $G$ does not give zero deflection for any position of the jockey $J$ . Which of the following cannot be the reason for this?
A. $r>{{R}_{0}}$
B. $R>>R_0$
C. Emf of $C$ > Emf of $D$
D. The negative terminal of $C$ is connected to $A$
Answer
510.3k+ views
Hint:In a potentiometer, the galvanometer gives zero deflection for some position of jockey when the potential difference of the length of the wire up to jockey is equal to potential difference of the cell or we can say that galvanometer shows zero deflection when current passing through it is zero. Hence, we need to define the conditions required for the current flowing to be zero at some point, and from that we can find the reason why the zero deflection is not possible for the given case.
Complete step by step answer:
As we are unable to find the emf of a cell using the voltmeter due to internal resistance, we have to design the potentiometer to find the emf.In the potentiometer, potential difference across the cell is found out without passing the current through it. In the potentiometer, as shown in the given figure, a jockey is provided which moves on the constant resistance potentiometer wire.
One end of the cell is connected to the jockey through the galvanometer and the other end is connected to a fixed point. As the jockey is moved on the potentiometer wire, there comes a point, where the galvanometer will show zero deflection.As the galvanometer detects current, at the point of zero deflection, there will be no current flowing through the cell and the potential difference between the position of jockey and fixed point will give the emf of the cell.
To obtain the point of zero deflection, certain conditions must be maintained like:
-The emf of the source cell should not be less than the emf that is to be founded.
-The positive end of the potentiometer wire should be connected with the positive end of the cell whose emf is to be found out.
-The resistance of the potentiometer wire should be equal to or in comparison with the external resistor.
Here, we are asked the reasons why the potentiometer does not give zero deflection point.Hence, if any of the above conditions is not satisfied, the zero deflection point will not be obtained. Also, at the point of zero deflection, the current passing through the cell and thus the internal resistance will be zero. Hence, internal resistance plays no role in deciding the point of zero deflection
Hence, the correct answer is option A.
Note: The potentiometer setup here is used to determine the unknown emf of the cell. Other than this, the potentiometer can also be used to compare two cells and its emfs using the formula $\dfrac{{{\varepsilon }_{1}}}{{{\varepsilon }_{2}}}=\dfrac{{{l}_{3}}+{{l}_{4}}}{{{l}_{3}}-{{l}_{4}}}$ , and also determining the internal resistance of a cell using the equation $r=R\left( \dfrac{{{l}_{1}}}{{{l}_{2}}}-1 \right)$ . In both the same concept of balance point is used.
Complete step by step answer:
As we are unable to find the emf of a cell using the voltmeter due to internal resistance, we have to design the potentiometer to find the emf.In the potentiometer, potential difference across the cell is found out without passing the current through it. In the potentiometer, as shown in the given figure, a jockey is provided which moves on the constant resistance potentiometer wire.
One end of the cell is connected to the jockey through the galvanometer and the other end is connected to a fixed point. As the jockey is moved on the potentiometer wire, there comes a point, where the galvanometer will show zero deflection.As the galvanometer detects current, at the point of zero deflection, there will be no current flowing through the cell and the potential difference between the position of jockey and fixed point will give the emf of the cell.
To obtain the point of zero deflection, certain conditions must be maintained like:
-The emf of the source cell should not be less than the emf that is to be founded.
-The positive end of the potentiometer wire should be connected with the positive end of the cell whose emf is to be found out.
-The resistance of the potentiometer wire should be equal to or in comparison with the external resistor.
Here, we are asked the reasons why the potentiometer does not give zero deflection point.Hence, if any of the above conditions is not satisfied, the zero deflection point will not be obtained. Also, at the point of zero deflection, the current passing through the cell and thus the internal resistance will be zero. Hence, internal resistance plays no role in deciding the point of zero deflection
Hence, the correct answer is option A.
Note: The potentiometer setup here is used to determine the unknown emf of the cell. Other than this, the potentiometer can also be used to compare two cells and its emfs using the formula $\dfrac{{{\varepsilon }_{1}}}{{{\varepsilon }_{2}}}=\dfrac{{{l}_{3}}+{{l}_{4}}}{{{l}_{3}}-{{l}_{4}}}$ , and also determining the internal resistance of a cell using the equation $r=R\left( \dfrac{{{l}_{1}}}{{{l}_{2}}}-1 \right)$ . In both the same concept of balance point is used.
Recently Updated Pages
A man running at a speed 5 ms is viewed in the side class 12 physics CBSE

The number of solutions in x in 02pi for which sqrt class 12 maths CBSE

State and explain Hardy Weinbergs Principle class 12 biology CBSE

Write any two methods of preparation of phenol Give class 12 chemistry CBSE

Which of the following statements is wrong a Amnion class 12 biology CBSE

Differentiate between action potential and resting class 12 biology CBSE

Trending doubts
What are the major means of transport Explain each class 12 social science CBSE

Which are the Top 10 Largest Countries of the World?

Draw a labelled sketch of the human eye class 12 physics CBSE

Explain sex determination in humans with line diag class 12 biology CBSE

Explain sex determination in humans with the help of class 12 biology CBSE

Differentiate between homogeneous and heterogeneous class 12 chemistry CBSE

