
In the given figure what is the ratio of ammeter reading when J is connected to A and then to B.
Answer
479.7k+ views
Hint:Here we will complete the circuit by using jockey, J. Firstly we will connect J to point A thus it will eliminate the \[3{\text{ V}}\] and \[{\text{4 V}}\] cell out of the circuit. Thus we will find the current flowing through the circuit. Similarly we will connect J to point B then all the cells involved in the circuit. Thus we can find the ration in both the situations.
Complete step by step answer:
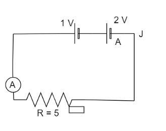
\[(1).\] When the Jockey, J is connected to point A then the figure will look like:
Thus total voltage is equal to \[\left( {1 + 2} \right){\text{ = 3 V}}\]. Since there is no internal resistance in the circuit. Therefore the amount of current \[\left( {{I_A}} \right)\] flowing when J is connected to A is equal to:
\[{{\text{I}}_A}{\text{ = }}\dfrac{{\text{V}}}{R}\]
\[\Rightarrow {{\text{I}}_A}{\text{ = }}\dfrac{3}{5}{\text{ A}}\] _____________\[(i)\]
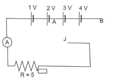
\[(2).\] When Jockey, J is connected to point B then the figure will look like as below:
Here all the cells involved in the circuit. Therefore the total voltage in the circuit will be equal to sum of all the voltages as:
\[V{\text{ = 1 V + 2 V + 3 V + 4 V}}\]
\[\Rightarrow V{\text{ = 10 V}}\]
The current \[\left( {{I_B}} \right)\] flowing through the circuit when J is connected to point B is equal to:
\[{{\text{I}}_B}{\text{ = }}\dfrac{{\text{V}}}{R}\]
\[\Rightarrow {{\text{I}}_B}{\text{ = }}\dfrac{{{\text{10 V}}}}{5}\]
\[\Rightarrow {{\text{I}}_B}{\text{ = 2 A}}\] ____________\[(ii)\]
Thus we get the value of current in both the cases. Now dividing equation \[(i)\] and equation \[(ii)\] we get the ratio of current in both cases as:
\[\dfrac{{{{\text{I}}_A}}}{{{{\text{I}}_B}}}{\text{ = }}\dfrac{{\dfrac{3}{5}{\text{ A}}}}{{2{\text{ A}}}}\]
\[\therefore \dfrac{{{{\text{I}}_A}}}{{{{\text{I}}_B}}}{\text{ = }}\dfrac{{\text{3}}}{{10}}\]
Thus the ratio of current is \[3:10\].
Note:It must be noted while calculating the total voltage in the circuit the polarity of the cell must be taken care of. If a negative terminal of a cell is connected to the positive of another cell then potential difference gets subtracted. Also if there is some internal resistance then total resistance will be the sum of its internal resistance and given external resistance.
Complete step by step answer:
\[(1).\] When the Jockey, J is connected to point A then the figure will look like:
Thus total voltage is equal to \[\left( {1 + 2} \right){\text{ = 3 V}}\]. Since there is no internal resistance in the circuit. Therefore the amount of current \[\left( {{I_A}} \right)\] flowing when J is connected to A is equal to:
\[{{\text{I}}_A}{\text{ = }}\dfrac{{\text{V}}}{R}\]
\[\Rightarrow {{\text{I}}_A}{\text{ = }}\dfrac{3}{5}{\text{ A}}\] _____________\[(i)\]
\[(2).\] When Jockey, J is connected to point B then the figure will look like as below:
Here all the cells involved in the circuit. Therefore the total voltage in the circuit will be equal to sum of all the voltages as:
\[V{\text{ = 1 V + 2 V + 3 V + 4 V}}\]
\[\Rightarrow V{\text{ = 10 V}}\]
The current \[\left( {{I_B}} \right)\] flowing through the circuit when J is connected to point B is equal to:
\[{{\text{I}}_B}{\text{ = }}\dfrac{{\text{V}}}{R}\]
\[\Rightarrow {{\text{I}}_B}{\text{ = }}\dfrac{{{\text{10 V}}}}{5}\]
\[\Rightarrow {{\text{I}}_B}{\text{ = 2 A}}\] ____________\[(ii)\]
Thus we get the value of current in both the cases. Now dividing equation \[(i)\] and equation \[(ii)\] we get the ratio of current in both cases as:
\[\dfrac{{{{\text{I}}_A}}}{{{{\text{I}}_B}}}{\text{ = }}\dfrac{{\dfrac{3}{5}{\text{ A}}}}{{2{\text{ A}}}}\]
\[\therefore \dfrac{{{{\text{I}}_A}}}{{{{\text{I}}_B}}}{\text{ = }}\dfrac{{\text{3}}}{{10}}\]
Thus the ratio of current is \[3:10\].
Note:It must be noted while calculating the total voltage in the circuit the polarity of the cell must be taken care of. If a negative terminal of a cell is connected to the positive of another cell then potential difference gets subtracted. Also if there is some internal resistance then total resistance will be the sum of its internal resistance and given external resistance.
Recently Updated Pages
A man running at a speed 5 ms is viewed in the side class 12 physics CBSE

The number of solutions in x in 02pi for which sqrt class 12 maths CBSE

State and explain Hardy Weinbergs Principle class 12 biology CBSE

Write any two methods of preparation of phenol Give class 12 chemistry CBSE

Which of the following statements is wrong a Amnion class 12 biology CBSE

Differentiate between action potential and resting class 12 biology CBSE

Trending doubts
What are the major means of transport Explain each class 12 social science CBSE

Which are the Top 10 Largest Countries of the World?

Draw a labelled sketch of the human eye class 12 physics CBSE

Explain sex determination in humans with line diag class 12 biology CBSE

Explain sex determination in humans with the help of class 12 biology CBSE

Differentiate between homogeneous and heterogeneous class 12 chemistry CBSE

