
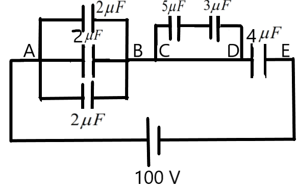
In the given figure, charge stored in the capacitor of capacitance 5\[\mu \]F is –
Answer
557.1k+ views
Hint: We need to understand the type of combination of capacitors used in the given network to work out the possible relations between the voltages across each of the capacitors. We can use the relation between capacitance and voltage to find the charge.
Complete step-by-step answer:
We now know that the charge stored in a capacitor and the potential difference across the plates of the capacitor are directly proportional to each other. It is given as –
\[Q=CV\]
Where, Q is the charge stored in the capacitor,
C is the capacitance of the capacitor,
V is the potential difference across the plates.
To find the charge on the capacitors, we need to find the potential across the capacitor initially. For this, we need to find the arrangement of capacitors used in the circuit. We can redraw the given circuit by identifying the nodes joining the capacitors at same points. We will get the equivalent circuit as shown below.
From the circuit, we can see that the potential at points C and D are the same.
If the potentials across C and D are the same, then there will be no flow of charges as the potential differences across CD will be zero.
i.e.,
\[{{V}_{CD}}=0\]
From the relation between the charge and the potential difference, we can find that there will be no charge on the capacitors of capacitance \[5\mu F\text{ and }3\mu F\]will be zero.
The charge in the capacitor of capacitance of \[5\mu F\text{ }\]will be given as –
\[\begin{align}
& Q=C{{V}_{CD}} \\
& \text{but, } \\
& {{V}_{CD}}=0 \\
& \therefore Q=0 \\
\end{align}\]
This is the required solution.
Note: We should always keep in mind while solving the networks involving the combination of capacitors that the charge stored in the capacitors are dependent on the potential drop across its plates. No charges will be present for a zero potential difference.
Complete step-by-step answer:
We now know that the charge stored in a capacitor and the potential difference across the plates of the capacitor are directly proportional to each other. It is given as –
\[Q=CV\]
Where, Q is the charge stored in the capacitor,
C is the capacitance of the capacitor,
V is the potential difference across the plates.
To find the charge on the capacitors, we need to find the potential across the capacitor initially. For this, we need to find the arrangement of capacitors used in the circuit. We can redraw the given circuit by identifying the nodes joining the capacitors at same points. We will get the equivalent circuit as shown below.
From the circuit, we can see that the potential at points C and D are the same.
If the potentials across C and D are the same, then there will be no flow of charges as the potential differences across CD will be zero.
i.e.,
\[{{V}_{CD}}=0\]
From the relation between the charge and the potential difference, we can find that there will be no charge on the capacitors of capacitance \[5\mu F\text{ and }3\mu F\]will be zero.
The charge in the capacitor of capacitance of \[5\mu F\text{ }\]will be given as –
\[\begin{align}
& Q=C{{V}_{CD}} \\
& \text{but, } \\
& {{V}_{CD}}=0 \\
& \therefore Q=0 \\
\end{align}\]
This is the required solution.
Note: We should always keep in mind while solving the networks involving the combination of capacitors that the charge stored in the capacitors are dependent on the potential drop across its plates. No charges will be present for a zero potential difference.
Recently Updated Pages
A man running at a speed 5 ms is viewed in the side class 12 physics CBSE

The number of solutions in x in 02pi for which sqrt class 12 maths CBSE

State and explain Hardy Weinbergs Principle class 12 biology CBSE

Write any two methods of preparation of phenol Give class 12 chemistry CBSE

Which of the following statements is wrong a Amnion class 12 biology CBSE

Differentiate between action potential and resting class 12 biology CBSE

Trending doubts
What are the major means of transport Explain each class 12 social science CBSE

Which are the Top 10 Largest Countries of the World?

Draw a labelled sketch of the human eye class 12 physics CBSE

How much time does it take to bleed after eating p class 12 biology CBSE

Explain sex determination in humans with line diag class 12 biology CBSE

When was the first election held in India a 194748 class 12 sst CBSE

