
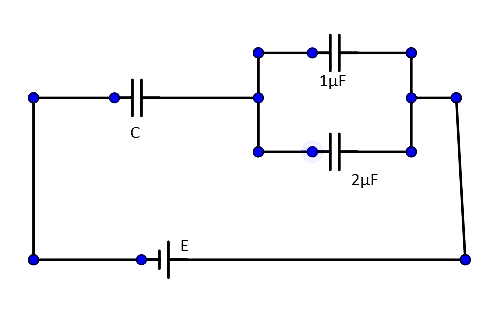
In the given circuit, charge ${Q_2}$ on the 2μF capacitor changes as $C$ is varied from 1μF to 3μF. ${Q_2}$ as a function of ‘$C$’ is given properly by:
(Figures are drawn schematically and are not to scale).
A.
B.
C.
D.
Answer
550.2k+ views
Hint: The capacitors 1μF and 2μF are arranged in parallel and this system is arranged with the capacitor 3μF in series. The charge will increase until the capacitance is equal to 3.
Complete step-by-step answer: It is given that the capacitors 1μF and 2μF are arranged in parallel and this system is arranged with the capacitor 3μF in series.
Let the charge on the capacitor $C$ be $Q$.
Charge on the combination of 1μF and 2μF is also $Q$. This is because they are connected in series.
From the law of arrangement of capacitors, ${Q_2} = \dfrac{2}{{1 + 2}}Q = \dfrac{2}{3}Q$.
But, it is known to us that, $Q = E\left( {\dfrac{{3C}}{{3 + C}}} \right)$, from the law of arrangement of capacitors.
$\therefore {Q_2} = \dfrac{2}{3}E\left( {\dfrac{{3C}}{{3 + C}}} \right) = \dfrac{{2EC}}{{3 + C}}$
As we can see, since the value of $C$ is between 1µF and 3µF, ${Q_2}$ will increase until $C = 3$.
Options A and D are thus eliminated.
The slope of the curve is given by the formula, $\dfrac{y}{x}$.
Thus, the slope in this case is given by,
$\dfrac{{{\text{d}}\left( {{\text{Charge}}} \right)}}{{{\text{dC}}}} = \dfrac{{\left( {3 + C} \right)2E - 2EC}}{{{{\left( {3 + C} \right)}^2}}} = \dfrac{{6E}}{{{{\left( {3 + C} \right)}^2}}}$.
Thus, slope decreases as $C$ increases.
Hence, the correct answer is Option B.
Note: A capacitor is a device for storing separated charge. No single electronic component plays a more important role today than the capacitor. This device is used to store information in computer memories, to regulate voltages in power supplies, to establish electrical fields, to store electrical energy, to detect and produce electromagnetic waves, and to measure time. Any two conductors separated by an insulating medium form a capacitor.
Complete step-by-step answer: It is given that the capacitors 1μF and 2μF are arranged in parallel and this system is arranged with the capacitor 3μF in series.
Let the charge on the capacitor $C$ be $Q$.
Charge on the combination of 1μF and 2μF is also $Q$. This is because they are connected in series.
From the law of arrangement of capacitors, ${Q_2} = \dfrac{2}{{1 + 2}}Q = \dfrac{2}{3}Q$.
But, it is known to us that, $Q = E\left( {\dfrac{{3C}}{{3 + C}}} \right)$, from the law of arrangement of capacitors.
$\therefore {Q_2} = \dfrac{2}{3}E\left( {\dfrac{{3C}}{{3 + C}}} \right) = \dfrac{{2EC}}{{3 + C}}$
As we can see, since the value of $C$ is between 1µF and 3µF, ${Q_2}$ will increase until $C = 3$.
Options A and D are thus eliminated.
The slope of the curve is given by the formula, $\dfrac{y}{x}$.
Thus, the slope in this case is given by,
$\dfrac{{{\text{d}}\left( {{\text{Charge}}} \right)}}{{{\text{dC}}}} = \dfrac{{\left( {3 + C} \right)2E - 2EC}}{{{{\left( {3 + C} \right)}^2}}} = \dfrac{{6E}}{{{{\left( {3 + C} \right)}^2}}}$.
Thus, slope decreases as $C$ increases.
Hence, the correct answer is Option B.
Note: A capacitor is a device for storing separated charge. No single electronic component plays a more important role today than the capacitor. This device is used to store information in computer memories, to regulate voltages in power supplies, to establish electrical fields, to store electrical energy, to detect and produce electromagnetic waves, and to measure time. Any two conductors separated by an insulating medium form a capacitor.
Recently Updated Pages
A man running at a speed 5 ms is viewed in the side class 12 physics CBSE

The number of solutions in x in 02pi for which sqrt class 12 maths CBSE

State and explain Hardy Weinbergs Principle class 12 biology CBSE

Write any two methods of preparation of phenol Give class 12 chemistry CBSE

Which of the following statements is wrong a Amnion class 12 biology CBSE

Differentiate between action potential and resting class 12 biology CBSE

Trending doubts
What are the major means of transport Explain each class 12 social science CBSE

Which are the Top 10 Largest Countries of the World?

Draw a labelled sketch of the human eye class 12 physics CBSE

How much time does it take to bleed after eating p class 12 biology CBSE

Explain sex determination in humans with line diag class 12 biology CBSE

Explain sex determination in humans with the help of class 12 biology CBSE

