
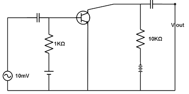
: In the following common emitter configuration an n-p-n transistor with current gain \[\beta = 100\] is used. The output voltage of the amplifier will be:
A. $10\,mV$
B. $0.1\,V$
C. $1.0\,V$
D. $10\,V$
Answer
482.4k+ views
Hint:The configuration in which the emitter is connected between collector and base is called a C-E (common emitter) configuration. Here we will apply the formula of current which is defined as the ratio of collector current to base current and then putting into the equation we will get the required answer.
Formula used:
$\beta = \dfrac{{iC}}{{iB}} = \dfrac{{{V_0}}}{{{V_i}}}$
Where, $\beta $ is the current gain, $iC$ is the current flowing into the collector terminal, $iB$ is the current flowing into the base terminal, ${V_0}$ is the output voltage and ${V_i}$ is the input voltage.
Complete step by step answer:
We know that, voltage gain is the product of current gain and resistance gain i.e.,
${\text{Voltage gain}} = \beta \times \dfrac{{{R_o}}}{{{R_i}}}$
According to the question,
$\beta = 100$
$\Rightarrow {R_o} = 10$
$\Rightarrow {R_i} = 1$
Now putting the value in above formula,
${\text{Voltage gain}} = 100 \times \dfrac{{10}}{1}$
And we know that voltage gain is $\dfrac{{{V_0}}}{{{V_i}}}$ .
So,
$\dfrac{{{V_0}}}{{{V_i}}} = 100 \times \dfrac{{10}}{1} \\
\Rightarrow {V_0} = 1000 \times 10 \times {10^{ - 3}} $
As $(10mV = 10 \times {10^{ - 3}}V)$
$\therefore {V_0} = 10V$
So, the output voltage of the amplifier is $10\,V$.
Hence, the correct option is D.
Note:NPN transistors most preferred over PNP transistors due to the following reasons:
Carrier Mobility:The majority carriers in NPN transistors are electrons unlike in PNP transistors where the majority charge carriers are holes. Electrons move far more easily than holes within the crystal lattice. As a result, they have higher mobility and operate faster providing a much better level of performance.
Negative Grounding: Over the years, a negative ground has become standard and the polarity of NPN transistors means that the basic transistor configurations operate with a negative ground.
Formula used:
$\beta = \dfrac{{iC}}{{iB}} = \dfrac{{{V_0}}}{{{V_i}}}$
Where, $\beta $ is the current gain, $iC$ is the current flowing into the collector terminal, $iB$ is the current flowing into the base terminal, ${V_0}$ is the output voltage and ${V_i}$ is the input voltage.
Complete step by step answer:
We know that, voltage gain is the product of current gain and resistance gain i.e.,
${\text{Voltage gain}} = \beta \times \dfrac{{{R_o}}}{{{R_i}}}$
According to the question,
$\beta = 100$
$\Rightarrow {R_o} = 10$
$\Rightarrow {R_i} = 1$
Now putting the value in above formula,
${\text{Voltage gain}} = 100 \times \dfrac{{10}}{1}$
And we know that voltage gain is $\dfrac{{{V_0}}}{{{V_i}}}$ .
So,
$\dfrac{{{V_0}}}{{{V_i}}} = 100 \times \dfrac{{10}}{1} \\
\Rightarrow {V_0} = 1000 \times 10 \times {10^{ - 3}} $
As $(10mV = 10 \times {10^{ - 3}}V)$
$\therefore {V_0} = 10V$
So, the output voltage of the amplifier is $10\,V$.
Hence, the correct option is D.
Note:NPN transistors most preferred over PNP transistors due to the following reasons:
Carrier Mobility:The majority carriers in NPN transistors are electrons unlike in PNP transistors where the majority charge carriers are holes. Electrons move far more easily than holes within the crystal lattice. As a result, they have higher mobility and operate faster providing a much better level of performance.
Negative Grounding: Over the years, a negative ground has become standard and the polarity of NPN transistors means that the basic transistor configurations operate with a negative ground.
Recently Updated Pages
A man running at a speed 5 ms is viewed in the side class 12 physics CBSE

The number of solutions in x in 02pi for which sqrt class 12 maths CBSE

State and explain Hardy Weinbergs Principle class 12 biology CBSE

Write any two methods of preparation of phenol Give class 12 chemistry CBSE

Which of the following statements is wrong a Amnion class 12 biology CBSE

Differentiate between action potential and resting class 12 biology CBSE

Trending doubts
How much time does it take to bleed after eating p class 12 biology CBSE

When was the first election held in India a 194748 class 12 sst CBSE

Differentiate between homogeneous and heterogeneous class 12 chemistry CBSE

The first microscope was invented by A Leeuwenhoek class 12 biology CBSE

Dihybrid cross is made between RRYY yellow round seed class 12 biology CBSE

Drive an expression for the electric field due to an class 12 physics CBSE

