
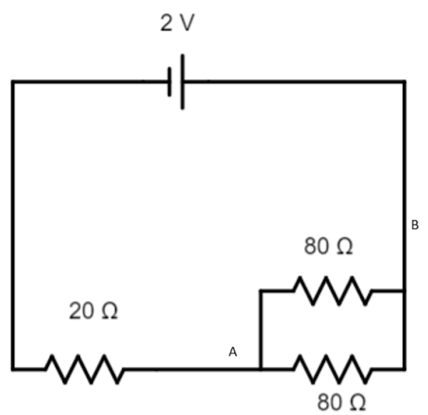
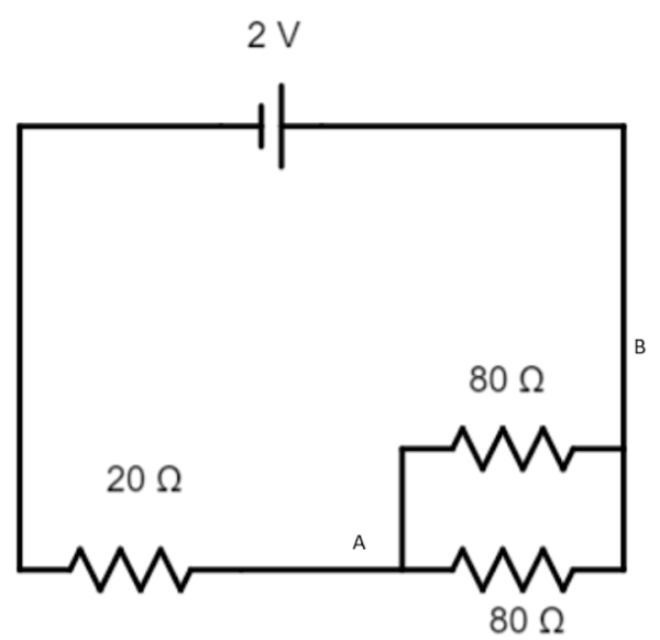
In the figure the emf of the cell is 2V and internal resistance is negligible. The resistance of the voltmeter is 80 ohms. The reading on the voltmeter will be
A. 2 volt
B. 1.33 volt
C. 1.60 volt
D. 0.80 volt
Answer
577.2k+ views
Hint: As the voltmeter has a resistance comparable to the component it has been applied across, we will not ignore the resistance on the voltmeter and will consider it a part of the circuit and solve for the potential difference accordingly.
Formula used:
Sum of resistance in series
$R={{R}_{1}}+{{R}_{2}}$
Sum of resistances in parallel
$\dfrac{1}{R}=\dfrac{1}{{{R}_{1}}}+\dfrac{1}{{{R}_{2}}}$
Ohm’s Law
$V=IR$
Complete step-by-step solution:
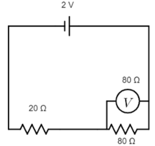
As the resistance of the component the voltmeter has been applied across is comparable to the resistance of the voltmeter, we will consider the resistance of the Voltmeter and can redraw the circuit as such
And now we will have to find the potential difference between points A and B. First, we will find the resultant resistance between the points. Using the formula for Sum of resistances in the parallel arrangement we get
$\begin{align}
& \Rightarrow\dfrac{1}{R}=\dfrac{1}{{{R}_{1}}}+\dfrac{1}{{{R}_{2}}}=\dfrac{1}{80}+\dfrac{1}{80}=\dfrac{2}{80} \\
& \Rightarrow R=40\Omega \\
\end{align}$
The total resistance for the circuit will be the sum of this equivalent resistance and the remaining resistance.
Total resistance $=40+20=60\Omega $
Using ohm’s law, we get the current through the circuit as
$V=IR\Rightarrow I=\dfrac{V}{R}=\dfrac{2}{60}=\dfrac{1}{30}A$
Now, due to this current, the potential difference on the equivalent resistance due to the resistances in the parallel arrangement is
\[V=IR=\dfrac{1}{30}\times 40=\dfrac{4}{3}=1.33V\].
This is the potential difference between points A and B and this will be the potential difference across the voltmeter and be displayed on the voltmeter. Hence, the correct option is B, i.e. 1.33 volt.
Note: The resistances in the voltmeter must be very high so that they don’t interfere with the circuit. The voltmeter used in the given problem must not have been designed to be used in such a circuit and must have been designed to be used in systems where very low resistances are used.
Formula used:
Sum of resistance in series
$R={{R}_{1}}+{{R}_{2}}$
Sum of resistances in parallel
$\dfrac{1}{R}=\dfrac{1}{{{R}_{1}}}+\dfrac{1}{{{R}_{2}}}$
Ohm’s Law
$V=IR$
Complete step-by-step solution:
As the resistance of the component the voltmeter has been applied across is comparable to the resistance of the voltmeter, we will consider the resistance of the Voltmeter and can redraw the circuit as such
And now we will have to find the potential difference between points A and B. First, we will find the resultant resistance between the points. Using the formula for Sum of resistances in the parallel arrangement we get
$\begin{align}
& \Rightarrow\dfrac{1}{R}=\dfrac{1}{{{R}_{1}}}+\dfrac{1}{{{R}_{2}}}=\dfrac{1}{80}+\dfrac{1}{80}=\dfrac{2}{80} \\
& \Rightarrow R=40\Omega \\
\end{align}$
The total resistance for the circuit will be the sum of this equivalent resistance and the remaining resistance.
Total resistance $=40+20=60\Omega $
Using ohm’s law, we get the current through the circuit as
$V=IR\Rightarrow I=\dfrac{V}{R}=\dfrac{2}{60}=\dfrac{1}{30}A$
Now, due to this current, the potential difference on the equivalent resistance due to the resistances in the parallel arrangement is
\[V=IR=\dfrac{1}{30}\times 40=\dfrac{4}{3}=1.33V\].
This is the potential difference between points A and B and this will be the potential difference across the voltmeter and be displayed on the voltmeter. Hence, the correct option is B, i.e. 1.33 volt.
Note: The resistances in the voltmeter must be very high so that they don’t interfere with the circuit. The voltmeter used in the given problem must not have been designed to be used in such a circuit and must have been designed to be used in systems where very low resistances are used.
Recently Updated Pages
Master Class 12 Business Studies: Engaging Questions & Answers for Success

Master Class 12 Economics: Engaging Questions & Answers for Success

Master Class 12 English: Engaging Questions & Answers for Success

Master Class 12 Maths: Engaging Questions & Answers for Success

Master Class 12 Social Science: Engaging Questions & Answers for Success

Master Class 12 Chemistry: Engaging Questions & Answers for Success

Trending doubts
The pH of the pancreatic juice is A 64 B 86 C 120 D class 12 biology CBSE

Explain sex determination in humans with the help of class 12 biology CBSE

Draw ray diagrams each showing i myopic eye and ii class 12 physics CBSE

Which state in India is known as the Granary of India class 12 social science CBSE

Using Huygens wave theory derive Snells law of ref class 12 physics CBSE

Dihybrid cross is made between RRYY yellow round seed class 12 biology CBSE

