
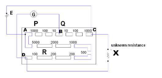
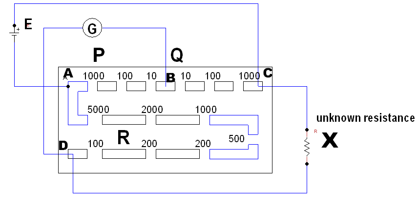
In the figure shown below, the maximum and the minimum possible unknown resistance\[\left( X \right)\], that can be measured by the post office box are \[{{\text{X}}_{\max }}\]is given by \[R \times {10^5}\]Ω, then \[R\] is : (In this experiment, we take out only one plugin arm \[AB\] and only one plugin arm\[BC\] , but in arms \[AD\] we can take out many plugs):
Answer
575.7k+ views
Hint:The post office box experiment is an application for a wheatstone bridge.
Wheatstone bridge: The Wheatstone Bridge was used to measure unknown resistance values and as a means of calibrating measuring instruments, voltmeters, ammeters, etc, by the use of a long resistive slide wire.
It was developed by Charles Wheatstone.
Formula Used:The condition for the Wheatstone bridge is
\[\dfrac{{\text{P}}}{{\text{Q}}} = \dfrac{{\text{X}}}{{\text{R}}}\]
Complete step by step answer:
To find the value of\[X\] ,
\[{\text{X = }}\dfrac{{\text{Q}}}{{\text{P}}}{\text{R}}\]
Through the above formula, we can find \[{{\text{X}}_{\max }}\]and \[{{\text{X}}_{\min }}\],
\[{{\text{X}}_{\max }} = \dfrac{{{Q_{\max }}}}{{{P_{\min }}}}{R_{\max }}\]
\[{{\text{X}}_{\min }} = \dfrac{{{Q_{\min }}}}{{{P_{\max }}}}{R_{\min }}\]
Firstly, let us find \[{{\text{X}}_{\max }}\]
\[{{\text{P}}_{\min }} = 10\] \[{{\text{R}}_{\max }} = 9000\] \[{{\text{Q}}_{\max }} = 1000\]
\[{{\text{X}}_{\max }} = \dfrac{{{Q_{\max }}}}{{{P_{\min }}}}\]
\[{R_{\max }} = \dfrac{{1000}}{{10}} \times 9000 = 900k\Omega \]
Now, let us find \[{{\text{X}}_{\min }}\]
\[{{\text{P}}_{\max }} = 1000\] \[{{\text{R}}_{\min }} = 100\] \[{{\text{Q}}_{\min }} = 10\]
\[{{\text{X}}_{\min }} = \dfrac{{{Q_{\min }}}}{{{P_{\max }}}}\]
\[{R_{\min }} = \dfrac{{10}}{{1000}} \times 100 = 1\Omega \]
\[{{\text{X}}_{\max }} = 900k\Omega \], \[{{\text{X}}_{\min }} = 1\Omega \]
Additional information:
The Wheatstone Bridge circuit is two simple series-parallel arrangements of resistances connected between a voltage supply terminal and ground terminal producing zero voltage difference between the two parallel branches when balanced. This circuit has two input terminals and two output terminals consisting of four resistors configured in a diamond-like arrangement.
Note:
-For closer measure, the denominator of R should be high then X will be minimum. Where the denominator of R is \[\dfrac{{\text{P}}}{{\text{Q}}}\].
-The Wheatstone bridge is used to measure the low resistance values precisely.
-This can also be used along with an operational amplifier to measure the physical parameters.
-We can also use it for measuring capacitance, inductance, and impedance.
Wheatstone bridge: The Wheatstone Bridge was used to measure unknown resistance values and as a means of calibrating measuring instruments, voltmeters, ammeters, etc, by the use of a long resistive slide wire.
It was developed by Charles Wheatstone.
Formula Used:The condition for the Wheatstone bridge is
\[\dfrac{{\text{P}}}{{\text{Q}}} = \dfrac{{\text{X}}}{{\text{R}}}\]
Complete step by step answer:
To find the value of\[X\] ,
\[{\text{X = }}\dfrac{{\text{Q}}}{{\text{P}}}{\text{R}}\]
Through the above formula, we can find \[{{\text{X}}_{\max }}\]and \[{{\text{X}}_{\min }}\],
\[{{\text{X}}_{\max }} = \dfrac{{{Q_{\max }}}}{{{P_{\min }}}}{R_{\max }}\]
\[{{\text{X}}_{\min }} = \dfrac{{{Q_{\min }}}}{{{P_{\max }}}}{R_{\min }}\]
Firstly, let us find \[{{\text{X}}_{\max }}\]
\[{{\text{P}}_{\min }} = 10\] \[{{\text{R}}_{\max }} = 9000\] \[{{\text{Q}}_{\max }} = 1000\]
\[{{\text{X}}_{\max }} = \dfrac{{{Q_{\max }}}}{{{P_{\min }}}}\]
\[{R_{\max }} = \dfrac{{1000}}{{10}} \times 9000 = 900k\Omega \]
Now, let us find \[{{\text{X}}_{\min }}\]
\[{{\text{P}}_{\max }} = 1000\] \[{{\text{R}}_{\min }} = 100\] \[{{\text{Q}}_{\min }} = 10\]
\[{{\text{X}}_{\min }} = \dfrac{{{Q_{\min }}}}{{{P_{\max }}}}\]
\[{R_{\min }} = \dfrac{{10}}{{1000}} \times 100 = 1\Omega \]
\[{{\text{X}}_{\max }} = 900k\Omega \], \[{{\text{X}}_{\min }} = 1\Omega \]
Additional information:
The Wheatstone Bridge circuit is two simple series-parallel arrangements of resistances connected between a voltage supply terminal and ground terminal producing zero voltage difference between the two parallel branches when balanced. This circuit has two input terminals and two output terminals consisting of four resistors configured in a diamond-like arrangement.
Note:
-For closer measure, the denominator of R should be high then X will be minimum. Where the denominator of R is \[\dfrac{{\text{P}}}{{\text{Q}}}\].
-The Wheatstone bridge is used to measure the low resistance values precisely.
-This can also be used along with an operational amplifier to measure the physical parameters.
-We can also use it for measuring capacitance, inductance, and impedance.
Recently Updated Pages
Master Class 12 Economics: Engaging Questions & Answers for Success

Master Class 12 Physics: Engaging Questions & Answers for Success

Master Class 12 English: Engaging Questions & Answers for Success

Master Class 12 Social Science: Engaging Questions & Answers for Success

Master Class 12 Maths: Engaging Questions & Answers for Success

Master Class 12 Business Studies: Engaging Questions & Answers for Success

Trending doubts
Why cannot DNA pass through cell membranes class 12 biology CBSE

Draw a neat and well labeled diagram of TS of ovary class 12 biology CBSE

In a human foetus the limbs and digits develop after class 12 biology CBSE

AABbCc genotype forms how many types of gametes a 4 class 12 biology CBSE

Differentiate between homogeneous and heterogeneous class 12 chemistry CBSE

The correct structure of ethylenediaminetetraacetic class 12 chemistry CBSE

