
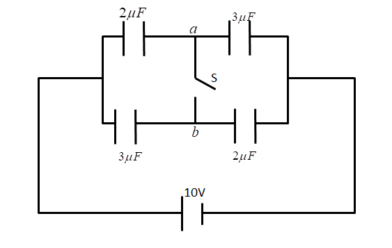
In the figure is shown a system of four capacitors connected across a 10V battery. Charge that will flow from switch S when it is closed is:
A. Zero
B. $20\mu C$ from a to b
C. $5\mu C$ from b to a
D. $5\mu C$ from a to b
Answer
586.5k+ views
Hint: To solve this problem, we will use the concept of charging and discharging of capacitors and also we know that the capacitor blocks the DC current. We will proceed by solving the series and parallel capacitor circuit for the cases when the switch is on and when the switch is closed.
Formula used- When capacitor are in series, the equivalent capacitance is
$
\dfrac{1}{{{C_{eq}}}} = \dfrac{1}{{{C_1}}} + \dfrac{1}{{{C_2}}} \\
{C_{eq}} = \dfrac{{{C_1}{C_2}}}{{{C_1} + {C_2}}} \\
$
And when capacitors are in parallel, the equivalent capacitance is
${C_{eq}} = {C_1} + {C_2}$
Complete step-by-step answer:
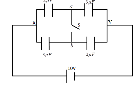
Case 1 When the switch was open, the equivalent capacitance is
For parallel path XaY
$
{C_{aeq}} = \dfrac{{{C_1} \times {C_2}}}{{{C_1} + {C_2}}} \\
{C_{aeq}} = \dfrac{{2 \times 3}}{{2 + 3}} \\
{C_{aeq}} = 1.2\mu F \\
$
Similarly for the other parallel path XbY, the equivalent capacitance is
$
{C_{beq}} = \dfrac{{{C_3} \times {C_4}}}{{{C_3} + {C_4}}} \\
{C_{beq}} = \dfrac{{2 \times 3}}{{2 + 3}} \\
{C_{beq}} = 1.2\mu F \\
$
The net equivalent capacitance is
$
{C_{eq}} = {C_{aeq}} + {C_{beq}} \\
{C_{eq}} = 1.2 + 1.2 \\
{C_{eq}} = 2.4\mu F \\
$
The voltage of the circuit is 10V
Net charge is given by
$
{Q_{net}} = {C_{eq}}V \\
{Q_{net}} = 2.4\mu F \times 10V \\
{Q_{net}} = 24\mu C \\
$
This net charge will distribute among the capacitors as shown in the figure.
$$
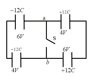
Case 2 When the switch is closed, the charge distribution is shown in the figure below. As the switch is closed the potential at point a and b will be the same.
Let the potential at the positive terminal i.e. at a be V and the potential at the negative terminal of the capacitor 0.
The charge across the capacitor ${C_1} = 2\mu F$ is ${Q_1}$
${Q_1} = \left( {10 - V} \right) \times 2\mu F........\left( 1 \right)$
The charge across the capacitor ${C_2} = 3\mu F$ is ${Q_2}$
${Q_2} = \left( {10 - V} \right) \times 3\mu F........\left( 2 \right)$
The charge across the capacitor ${C_3} = 3\mu F$ is ${Q_3}$
\[{Q_3} = V \times 3\mu F........\left( 3 \right)\]
The charge across the capacitor ${C_2} = 2\mu F$ is ${Q_4}$
${Q_4} = V \times 2\mu F........\left( 4 \right)$
Since, the capacitor ${C_1} = {C_4}{\text{ and }}{{\text{C}}_2} = {C_3}$
Therefore ${Q_1} = {Q_4}{\text{ and }}{{\text{Q}}_2} = {Q_3}$
From equation (1) and equation (4)
$
\left( {10 - V} \right) \times 2 = 2V \\
20 - 2V = 2V \\
4V = 20 \\
V = 5 \\
$
From equation (1) and equation (3)
$
{Q_3} = 5 \times 3 \\
{Q_3} = 15\mu F \\
{Q_1} = \left( {10 - V} \right) \times 2 \\
{Q_1} = \left( {10 - 5} \right) \times 2 \\
{Q_1} = 10\mu F \\
$
Therefore
${Q_1} = {Q_4}{\text{ = 10}}\mu {\text{F and }}{{\text{Q}}_2} = {Q_3} = 15\mu F$
From it is clear that the charge will flow from point b towards point a
And the net charge flow is $5\mu F$
Hence, the correct option is C.
Note- In order to solve these types of problems, remember the relation between charge and voltage and learn how to find the equivalent capacitances. Also when the capacitors are in series, the total capacitance is always less than the minimum of them and if two capacitors are in parallel, then the total capacitance is the sum of them. Remember charge flows from high value to low value.
Formula used- When capacitor are in series, the equivalent capacitance is
$
\dfrac{1}{{{C_{eq}}}} = \dfrac{1}{{{C_1}}} + \dfrac{1}{{{C_2}}} \\
{C_{eq}} = \dfrac{{{C_1}{C_2}}}{{{C_1} + {C_2}}} \\
$
And when capacitors are in parallel, the equivalent capacitance is
${C_{eq}} = {C_1} + {C_2}$
Complete step-by-step answer:
Case 1 When the switch was open, the equivalent capacitance is
For parallel path XaY
$
{C_{aeq}} = \dfrac{{{C_1} \times {C_2}}}{{{C_1} + {C_2}}} \\
{C_{aeq}} = \dfrac{{2 \times 3}}{{2 + 3}} \\
{C_{aeq}} = 1.2\mu F \\
$
Similarly for the other parallel path XbY, the equivalent capacitance is
$
{C_{beq}} = \dfrac{{{C_3} \times {C_4}}}{{{C_3} + {C_4}}} \\
{C_{beq}} = \dfrac{{2 \times 3}}{{2 + 3}} \\
{C_{beq}} = 1.2\mu F \\
$
The net equivalent capacitance is
$
{C_{eq}} = {C_{aeq}} + {C_{beq}} \\
{C_{eq}} = 1.2 + 1.2 \\
{C_{eq}} = 2.4\mu F \\
$
The voltage of the circuit is 10V
Net charge is given by
$
{Q_{net}} = {C_{eq}}V \\
{Q_{net}} = 2.4\mu F \times 10V \\
{Q_{net}} = 24\mu C \\
$
This net charge will distribute among the capacitors as shown in the figure.
$$
Case 2 When the switch is closed, the charge distribution is shown in the figure below. As the switch is closed the potential at point a and b will be the same.
Let the potential at the positive terminal i.e. at a be V and the potential at the negative terminal of the capacitor 0.
The charge across the capacitor ${C_1} = 2\mu F$ is ${Q_1}$
${Q_1} = \left( {10 - V} \right) \times 2\mu F........\left( 1 \right)$
The charge across the capacitor ${C_2} = 3\mu F$ is ${Q_2}$
${Q_2} = \left( {10 - V} \right) \times 3\mu F........\left( 2 \right)$
The charge across the capacitor ${C_3} = 3\mu F$ is ${Q_3}$
\[{Q_3} = V \times 3\mu F........\left( 3 \right)\]
The charge across the capacitor ${C_2} = 2\mu F$ is ${Q_4}$
${Q_4} = V \times 2\mu F........\left( 4 \right)$
Since, the capacitor ${C_1} = {C_4}{\text{ and }}{{\text{C}}_2} = {C_3}$
Therefore ${Q_1} = {Q_4}{\text{ and }}{{\text{Q}}_2} = {Q_3}$
From equation (1) and equation (4)
$
\left( {10 - V} \right) \times 2 = 2V \\
20 - 2V = 2V \\
4V = 20 \\
V = 5 \\
$
From equation (1) and equation (3)
$
{Q_3} = 5 \times 3 \\
{Q_3} = 15\mu F \\
{Q_1} = \left( {10 - V} \right) \times 2 \\
{Q_1} = \left( {10 - 5} \right) \times 2 \\
{Q_1} = 10\mu F \\
$
Therefore
${Q_1} = {Q_4}{\text{ = 10}}\mu {\text{F and }}{{\text{Q}}_2} = {Q_3} = 15\mu F$
From it is clear that the charge will flow from point b towards point a
And the net charge flow is $5\mu F$
Hence, the correct option is C.
Note- In order to solve these types of problems, remember the relation between charge and voltage and learn how to find the equivalent capacitances. Also when the capacitors are in series, the total capacitance is always less than the minimum of them and if two capacitors are in parallel, then the total capacitance is the sum of them. Remember charge flows from high value to low value.
Recently Updated Pages
A man running at a speed 5 ms is viewed in the side class 12 physics CBSE

The number of solutions in x in 02pi for which sqrt class 12 maths CBSE

State and explain Hardy Weinbergs Principle class 12 biology CBSE

Write any two methods of preparation of phenol Give class 12 chemistry CBSE

Which of the following statements is wrong a Amnion class 12 biology CBSE

Differentiate between action potential and resting class 12 biology CBSE

Trending doubts
What are the major means of transport Explain each class 12 social science CBSE

Which are the Top 10 Largest Countries of the World?

Draw a labelled sketch of the human eye class 12 physics CBSE

Explain sex determination in humans with line diag class 12 biology CBSE

Explain sex determination in humans with the help of class 12 biology CBSE

Differentiate between homogeneous and heterogeneous class 12 chemistry CBSE

