
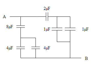
In the figure, find the equivalent capacitance between A and B.
\[\begin{align}
& A\,\dfrac{3}{7}\mu F \\
& B\,5\mu F \\
& C\,\dfrac{4}{5}\mu F \\
& D\,\dfrac{2}{5}\mu F \\
\end{align}\]
Answer
528.6k+ views
Hint: As the capacitors are connected in form of parallel and series combination, we will compute the parallel capacitance first, followed by series capacitance and then finally again the parallel capacitance. By following this procedure, we will find the net capacitance between the points A and B.
Formula used:
\[\begin{align}
& {{C}_{P}}={{C}_{1}}+{{C}_{2}}+..... \\
& \dfrac{1}{{{C}_{S}}}=\dfrac{1}{{{C}_{1}}}+\dfrac{1}{{{C}_{2}}}+........ \\
\end{align}\]
Complete step by step answer:
The formulae that we will be using to compute the net capacitance of the circuit are given as follows.
The capacitance of the capacitors connected in parallel is given as follows.
\[{{C}_{P}}={{C}_{1}}+{{C}_{2}}+.....\]
The sum of the individual capacitance equals the net capacitance of the capacitors connected in parallel.
The capacitance of the capacitors connected in series is given as follows.
\[\dfrac{1}{{{C}_{S}}}=\dfrac{1}{{{C}_{1}}}+\dfrac{1}{{{C}_{2}}}+........\]
The sum of the individual reciprocal capacitance equals the net reciprocal capacitance of the capacitors connected in series.
Firstly, we will consider the capacitors connected in parallel.
From the given diagram it’s clear that, the capacitors \[1\mu F\]and \[1\mu F\]are in parallel and the capacitors \[4\mu F\]and \[4\mu F\]are in parallel.
Let us compute the equivalent capacitance.
\[\begin{align}
& {{C}_{P}}=1\mu +1\mu \\
& \Rightarrow {{C}_{P}}=2\mu \\
& C{{'}_{P}}=4\mu +4\mu \\
& \Rightarrow C{{'}_{P}}=8\mu \\
\end{align}\]
Now, the capacitors \[2\mu F\]and \[2\mu F\]are in series and the capacitors \[8\mu F\]and \[8\mu F\]are in series.
Let us compute the equivalent capacitance.
\[\begin{align}
& {{C}_{S}}=\dfrac{2\mu \times 2\mu }{2\mu +2\mu } \\
& \Rightarrow {{C}_{S}}=1\mu \\
& C{{'}_{S}}=\dfrac{8\mu \times 8\mu }{8\mu +8\mu } \\
& \Rightarrow C{{'}_{S}}=4\mu \\
\end{align}\]
Now, the capacitors \[1\mu F\] and \[4\mu F\] are in parallel.
Let us compute the equivalent capacitance.
\[\begin{align}
& {{C}_{P}}=1\mu +4\mu \\
& \Rightarrow {{C}_{P}}=5\mu \\
\end{align}\]
Thus, the net capacitance between the points A and B is \[5\mu F\].
So, the correct answer is “Option B”.
Note: The given circuit diagram should be analyzed completely before attempting it, because the capacitors connected in series combination can be confused with the capacitors connected in parallel combination.
Formula used:
\[\begin{align}
& {{C}_{P}}={{C}_{1}}+{{C}_{2}}+..... \\
& \dfrac{1}{{{C}_{S}}}=\dfrac{1}{{{C}_{1}}}+\dfrac{1}{{{C}_{2}}}+........ \\
\end{align}\]
Complete step by step answer:
The formulae that we will be using to compute the net capacitance of the circuit are given as follows.
The capacitance of the capacitors connected in parallel is given as follows.
\[{{C}_{P}}={{C}_{1}}+{{C}_{2}}+.....\]
The sum of the individual capacitance equals the net capacitance of the capacitors connected in parallel.
The capacitance of the capacitors connected in series is given as follows.
\[\dfrac{1}{{{C}_{S}}}=\dfrac{1}{{{C}_{1}}}+\dfrac{1}{{{C}_{2}}}+........\]
The sum of the individual reciprocal capacitance equals the net reciprocal capacitance of the capacitors connected in series.
Firstly, we will consider the capacitors connected in parallel.
From the given diagram it’s clear that, the capacitors \[1\mu F\]and \[1\mu F\]are in parallel and the capacitors \[4\mu F\]and \[4\mu F\]are in parallel.
Let us compute the equivalent capacitance.
\[\begin{align}
& {{C}_{P}}=1\mu +1\mu \\
& \Rightarrow {{C}_{P}}=2\mu \\
& C{{'}_{P}}=4\mu +4\mu \\
& \Rightarrow C{{'}_{P}}=8\mu \\
\end{align}\]
Now, the capacitors \[2\mu F\]and \[2\mu F\]are in series and the capacitors \[8\mu F\]and \[8\mu F\]are in series.
Let us compute the equivalent capacitance.
\[\begin{align}
& {{C}_{S}}=\dfrac{2\mu \times 2\mu }{2\mu +2\mu } \\
& \Rightarrow {{C}_{S}}=1\mu \\
& C{{'}_{S}}=\dfrac{8\mu \times 8\mu }{8\mu +8\mu } \\
& \Rightarrow C{{'}_{S}}=4\mu \\
\end{align}\]
Now, the capacitors \[1\mu F\] and \[4\mu F\] are in parallel.
Let us compute the equivalent capacitance.
\[\begin{align}
& {{C}_{P}}=1\mu +4\mu \\
& \Rightarrow {{C}_{P}}=5\mu \\
\end{align}\]
Thus, the net capacitance between the points A and B is \[5\mu F\].
So, the correct answer is “Option B”.
Note: The given circuit diagram should be analyzed completely before attempting it, because the capacitors connected in series combination can be confused with the capacitors connected in parallel combination.
Recently Updated Pages
A man running at a speed 5 ms is viewed in the side class 12 physics CBSE

The number of solutions in x in 02pi for which sqrt class 12 maths CBSE

State and explain Hardy Weinbergs Principle class 12 biology CBSE

Write any two methods of preparation of phenol Give class 12 chemistry CBSE

Which of the following statements is wrong a Amnion class 12 biology CBSE

Differentiate between action potential and resting class 12 biology CBSE

Trending doubts
What are the major means of transport Explain each class 12 social science CBSE

Which are the Top 10 Largest Countries of the World?

Draw a labelled sketch of the human eye class 12 physics CBSE

Explain sex determination in humans with line diag class 12 biology CBSE

Explain sex determination in humans with the help of class 12 biology CBSE

Differentiate between homogeneous and heterogeneous class 12 chemistry CBSE

