
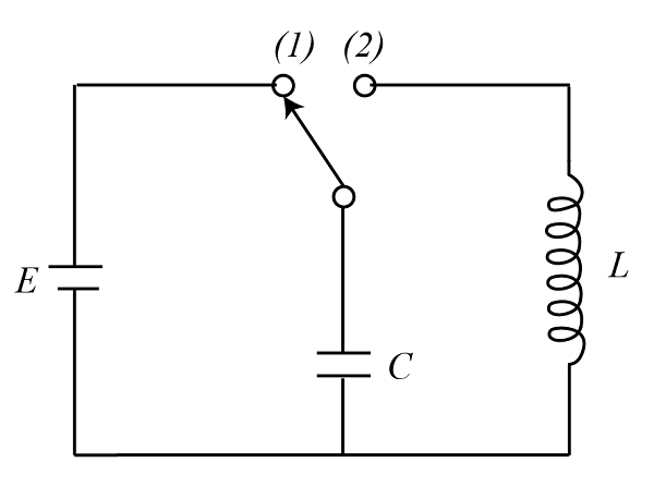
In the electrical network, at t<0 (as given in the figure), key is placed on (1) till the capacitor got fully charged. Key is placed on (2) at t=0. Time when the energy in both the capacitor and the inductor will be same for the first time is
A) $\dfrac{\pi }{4}\sqrt {LC} $
B) $\dfrac{{3\pi }}{4}$$\sqrt {LC} $
C) $\dfrac{\pi }{3}$$\sqrt {LC} $
D) $\dfrac{{2\pi }}{3}$ $\sqrt {LC} $
Answer
587.4k+ views
Hint:A capacitor is a device that is used to store charges in an electrical circuit. At, t<0 (as given in the figure), the capacitor will be fully charged and at the time of t=0 the inductor will have some charge and at that time capacitor will half of its maximum charge. Then charge q can be written as Q$\cos \omega t$ and $\omega $ =$\dfrac{1}{{\sqrt {LC} }}$ by these functions we will get the time of equal energy.
Step by step solution:
Step 1:
An inductor is a passive electronic component which is capable of storing electrical energy in the form of magnetic energy. Basically, it uses a conductor that is wound into a coil, and when electricity flows into the coil from the left to the right, this will generate a magnetic field in the clockwise direction.
A capacitor is a device that is used to store charges in an electrical circuit. A capacitor works on the principle that the capacitance of a conductor increases appreciably when an earthed conductor is brought near it. Hence, a capacitor has two plates separated by a distance having equal and opposite charges.
Step 2:
Energy stored in a capacitor is electrical potential energy, and it is thus related to the charge Q and voltage V on the capacitor.
The average voltage on the capacitor during the charging process is$\dfrac{v}{2}$, and so the average voltage experienced by the full charge q is $\dfrac{V}{2}$. Thus the energy stored in a capacitor, ${E_{CAP}}$ is,${E_{CAP}}$ =$\dfrac{Q}{V}$ where Q is the charge on a capacitor with a voltage V applied.
(Note that the energy is not QV, but$\dfrac{{QV}}{2}$.) Charge and voltage are related to the capacitance C of a capacitor by Q = CV, and so the expression for ${E_{CAP}}$ can be algebraically manipulated into three equivalent expressions:
${E_{CAP}}$=$\dfrac{Q}{V}$=$\dfrac{{C{V^2}}}{2}$=$\dfrac{{{Q^2}}}{{2C}}$ where, Q is the charge and V the voltage on a capacitor C. The energy is in joules for a charge in coulombs, voltage in volts, and capacitance in farads.
Step 3:
At, t<0 (as given in the figure), the capacitor will be fully charged and at the time of t=0 the inductor will have some charge and at that time capacitor will half of its maximum charge.
That means $\dfrac{{{q^2}}}{{2c}}$ =$\dfrac{{{Q^2}}}{{2C \times 2}}$
By solving this we will get q=$\dfrac{Q}{{\sqrt 2 }}$
Then, $Q\cos \omega t$ =$\dfrac{Q}{{\sqrt 2 }}$ ($\therefore $ cos$\dfrac{\pi }{4}$ =$\dfrac{1}{{\sqrt 2 }}$ )
To find the time of equal energies we can rewrite it as T=$\dfrac{\pi }{4}\sqrt {LC} $. (Remember $\omega $ =$\dfrac{1}{{\sqrt {LC} }}$ )
So option A. is correct
Note:One of the main differences between a capacitor and an inductor is that a capacitor opposes a change in voltage while an inductor opposes a change in the current. Furthermore, the inductor stores energy in the form of a magnetic field, and the capacitor stores energy in the form of an electric field.
Step by step solution:
Step 1:
An inductor is a passive electronic component which is capable of storing electrical energy in the form of magnetic energy. Basically, it uses a conductor that is wound into a coil, and when electricity flows into the coil from the left to the right, this will generate a magnetic field in the clockwise direction.
A capacitor is a device that is used to store charges in an electrical circuit. A capacitor works on the principle that the capacitance of a conductor increases appreciably when an earthed conductor is brought near it. Hence, a capacitor has two plates separated by a distance having equal and opposite charges.
Step 2:
Energy stored in a capacitor is electrical potential energy, and it is thus related to the charge Q and voltage V on the capacitor.
The average voltage on the capacitor during the charging process is$\dfrac{v}{2}$, and so the average voltage experienced by the full charge q is $\dfrac{V}{2}$. Thus the energy stored in a capacitor, ${E_{CAP}}$ is,${E_{CAP}}$ =$\dfrac{Q}{V}$ where Q is the charge on a capacitor with a voltage V applied.
(Note that the energy is not QV, but$\dfrac{{QV}}{2}$.) Charge and voltage are related to the capacitance C of a capacitor by Q = CV, and so the expression for ${E_{CAP}}$ can be algebraically manipulated into three equivalent expressions:
${E_{CAP}}$=$\dfrac{Q}{V}$=$\dfrac{{C{V^2}}}{2}$=$\dfrac{{{Q^2}}}{{2C}}$ where, Q is the charge and V the voltage on a capacitor C. The energy is in joules for a charge in coulombs, voltage in volts, and capacitance in farads.
Step 3:
At, t<0 (as given in the figure), the capacitor will be fully charged and at the time of t=0 the inductor will have some charge and at that time capacitor will half of its maximum charge.
That means $\dfrac{{{q^2}}}{{2c}}$ =$\dfrac{{{Q^2}}}{{2C \times 2}}$
By solving this we will get q=$\dfrac{Q}{{\sqrt 2 }}$
Then, $Q\cos \omega t$ =$\dfrac{Q}{{\sqrt 2 }}$ ($\therefore $ cos$\dfrac{\pi }{4}$ =$\dfrac{1}{{\sqrt 2 }}$ )
To find the time of equal energies we can rewrite it as T=$\dfrac{\pi }{4}\sqrt {LC} $. (Remember $\omega $ =$\dfrac{1}{{\sqrt {LC} }}$ )
So option A. is correct
Note:One of the main differences between a capacitor and an inductor is that a capacitor opposes a change in voltage while an inductor opposes a change in the current. Furthermore, the inductor stores energy in the form of a magnetic field, and the capacitor stores energy in the form of an electric field.
Recently Updated Pages
Master Class 12 Economics: Engaging Questions & Answers for Success

Master Class 12 Physics: Engaging Questions & Answers for Success

Master Class 12 English: Engaging Questions & Answers for Success

Master Class 12 Social Science: Engaging Questions & Answers for Success

Master Class 12 Maths: Engaging Questions & Answers for Success

Master Class 12 Business Studies: Engaging Questions & Answers for Success

Trending doubts
Which are the Top 10 Largest Countries of the World?

What are the major means of transport Explain each class 12 social science CBSE

Draw a labelled sketch of the human eye class 12 physics CBSE

Why cannot DNA pass through cell membranes class 12 biology CBSE

Differentiate between insitu conservation and exsitu class 12 biology CBSE

Draw a neat and well labeled diagram of TS of ovary class 12 biology CBSE

