
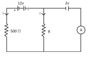
In the circuit shown, the ammeter reading is zero. Then, the value of the resistance R is:
A. $50\Omega $
B. $100\Omega $
C. $200\Omega $
D. $400\Omega $
Answer
571.2k+ views
Hint:We are going to apply the concept of Kirchhoff’s Laws to find the voltage is to be used. As there is no current through the ammeter, So the KVL will be applied only to the first loop.
Complete step by step answer:
Kirchhoff’s First Law or Junction rule: In an electric circuit, the algebraic sum of currents at any junction is zero. Or, the sum of currents entering a junction is equal to the sum of currents entering a junction is equal to the sum of currents leaving that junction.
Mathematically, this Law may be expressed as
\[\sum {{\rm I} = 0} \]
Sign convention for applying junction rule:
1. The current flowing towards the junction is taken as positive.
2. The current flowing away from the junction is taken as negative.
Kirchhoff’s second Law or loop rule: Around any closed loop of a network, the algebraic sum of changes in potential; must be zero. Or, the algebraic sum of emfs in any loop of a circuit is equal to the sum of the products of currents and resistances in it.
First law is also called Kirchhoff’s current law (KCL)
Second law is also called Kirchhoff's voltage law (KVL)
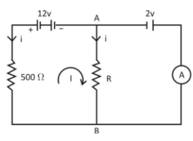
Now, as current through ammeter is zero. So, all the current passing through $500\Omega $resistor passes through R.
Applying KVL to loop I, we get
$500i + 12 + Ri = 0$
Also potential across R is $ - 2V$ due to external battery attached
Thus, $iR = - 2$volt
So, equation (I) becomes
$
500i + 12 + \left( { - 2} \right) = 0 \\
500i + 10 = 0 \\
500i = - 10 \\
i = \dfrac{{ - 10}}{{500}} \\
i = \dfrac{{ - 1}}{{50}}{\text{ A}} \\
$
Now, $iR = - 2$volt
$
\dfrac{{ - 1}}{{50}} \times R = - 2 \\
R = - 2 \times - 50 \\
R = 100\Omega \\
$
Hence, option (B) is the correct one.
Note: Remember that while applying KVL, sign conventions is to be followed
Also, $iR = - 2V$
Because as current flows from A to B according to figure and A is connected to $ - ve$terminal of battery while B to positive terminal of battery. So,
${V_{AB}} = {V_A} - {V_B}$
$ = \left( - \right) - \left( + \right) = $lower value $ - $ higher value
$ = - ve.$
Complete step by step answer:
Kirchhoff’s First Law or Junction rule: In an electric circuit, the algebraic sum of currents at any junction is zero. Or, the sum of currents entering a junction is equal to the sum of currents entering a junction is equal to the sum of currents leaving that junction.
Mathematically, this Law may be expressed as
\[\sum {{\rm I} = 0} \]
Sign convention for applying junction rule:
1. The current flowing towards the junction is taken as positive.
2. The current flowing away from the junction is taken as negative.
Kirchhoff’s second Law or loop rule: Around any closed loop of a network, the algebraic sum of changes in potential; must be zero. Or, the algebraic sum of emfs in any loop of a circuit is equal to the sum of the products of currents and resistances in it.
First law is also called Kirchhoff’s current law (KCL)
Second law is also called Kirchhoff's voltage law (KVL)
Now, as current through ammeter is zero. So, all the current passing through $500\Omega $resistor passes through R.
Applying KVL to loop I, we get
$500i + 12 + Ri = 0$
Also potential across R is $ - 2V$ due to external battery attached
Thus, $iR = - 2$volt
So, equation (I) becomes
$
500i + 12 + \left( { - 2} \right) = 0 \\
500i + 10 = 0 \\
500i = - 10 \\
i = \dfrac{{ - 10}}{{500}} \\
i = \dfrac{{ - 1}}{{50}}{\text{ A}} \\
$
Now, $iR = - 2$volt
$
\dfrac{{ - 1}}{{50}} \times R = - 2 \\
R = - 2 \times - 50 \\
R = 100\Omega \\
$
Hence, option (B) is the correct one.
Note: Remember that while applying KVL, sign conventions is to be followed
Also, $iR = - 2V$
Because as current flows from A to B according to figure and A is connected to $ - ve$terminal of battery while B to positive terminal of battery. So,
${V_{AB}} = {V_A} - {V_B}$
$ = \left( - \right) - \left( + \right) = $lower value $ - $ higher value
$ = - ve.$
Recently Updated Pages
A man running at a speed 5 ms is viewed in the side class 12 physics CBSE

The number of solutions in x in 02pi for which sqrt class 12 maths CBSE

State and explain Hardy Weinbergs Principle class 12 biology CBSE

Write any two methods of preparation of phenol Give class 12 chemistry CBSE

Which of the following statements is wrong a Amnion class 12 biology CBSE

Differentiate between action potential and resting class 12 biology CBSE

Trending doubts
What are the major means of transport Explain each class 12 social science CBSE

Which are the Top 10 Largest Countries of the World?

Draw a labelled sketch of the human eye class 12 physics CBSE

Explain sex determination in humans with line diag class 12 biology CBSE

Explain sex determination in humans with the help of class 12 biology CBSE

Differentiate between homogeneous and heterogeneous class 12 chemistry CBSE

