
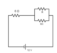
In the circuit shown in the figure, the power which is dissipated as heat in the $6\Omega $ resistor is 6W. What is the value of resistance R in the circuit?
A. $6\Omega $
B. $10\Omega $
C. $13\Omega $
D. $24\Omega $
Answer
577.2k+ views
Hint: We will use the formula for heat dissipated to find the potential difference across the $6\Omega $ resistor and then using this and the current through it we will find the net resistance of the two parallel resistors, then we will use the formula for net resistance of parallel resistors to find the value of R.
Formula used:
Power
$P=IV=\dfrac{{{V}^{2}}}{R}={{I}^{2}}R$
Net resistance of two parallel resistors
$\dfrac{1}{R}=\dfrac{1}{{{R}_{1}}}+\dfrac{1}{{{R}_{2}}}$
Ohm’s law
$V=IR$
Complete answer:
First, we will find the potential difference across the $6\Omega $ resistor. The power is given as 6 Watt for it and using the formula with voltage and resistance, we get
$P=\dfrac{{{V}^{2}}}{R}\Rightarrow V=\sqrt{PR}$
Here P is given as 6 Watt and R is given as $6\Omega $
Then $V=\sqrt{6\times 6}=6$.
Therefore, the potential difference across the $6\Omega $ resistor is 6 V and the remaining 6 V is across the combination of parallel resistors let’s call their net resistance as ${{R}_{net}}$. The current through the whole circuit will be same if we consider ${{R}_{net}}$ and the $6\Omega $ resistors only as they will be in series and the current through two resistors in series is the same, the current through the $6\Omega $ resistor will be
$V=IR\Rightarrow I=\dfrac{V}{R}=\dfrac{6}{6}=1$ Ampere.
This means that the net resistance, ${{R}_{net}}$ can be given by $V=IR\Rightarrow {{R}_{net}}=\dfrac{V}{I}=\dfrac{6}{1}=6\Omega $
Using the formula for the net resistance of a combination of parallel resistors we get
$\begin{align}
& \dfrac{1}{{{R}_{net}}}=\dfrac{1}{R}+\dfrac{1}{8}\Rightarrow \dfrac{1}{6}=\dfrac{1}{R}+\dfrac{1}{8} \\
& \Rightarrow \dfrac{1}{R}=\dfrac{1}{6}-\dfrac{1}{8}=\dfrac{8-6}{8\times 6}=\dfrac{2}{48} \\
& \Rightarrow R=24\Omega \\
\end{align}$
So, the correct answer is “Option D”.
Note:
Take care that instead of finding the resistance of a combination like given in the solution, we can find the total resistance of the system and then subtract the resistance of $6\Omega $ resistor from it. Either way, we would get the same answer.
Formula used:
Power
$P=IV=\dfrac{{{V}^{2}}}{R}={{I}^{2}}R$
Net resistance of two parallel resistors
$\dfrac{1}{R}=\dfrac{1}{{{R}_{1}}}+\dfrac{1}{{{R}_{2}}}$
Ohm’s law
$V=IR$
Complete answer:
First, we will find the potential difference across the $6\Omega $ resistor. The power is given as 6 Watt for it and using the formula with voltage and resistance, we get
$P=\dfrac{{{V}^{2}}}{R}\Rightarrow V=\sqrt{PR}$
Here P is given as 6 Watt and R is given as $6\Omega $
Then $V=\sqrt{6\times 6}=6$.
Therefore, the potential difference across the $6\Omega $ resistor is 6 V and the remaining 6 V is across the combination of parallel resistors let’s call their net resistance as ${{R}_{net}}$. The current through the whole circuit will be same if we consider ${{R}_{net}}$ and the $6\Omega $ resistors only as they will be in series and the current through two resistors in series is the same, the current through the $6\Omega $ resistor will be
$V=IR\Rightarrow I=\dfrac{V}{R}=\dfrac{6}{6}=1$ Ampere.
This means that the net resistance, ${{R}_{net}}$ can be given by $V=IR\Rightarrow {{R}_{net}}=\dfrac{V}{I}=\dfrac{6}{1}=6\Omega $
Using the formula for the net resistance of a combination of parallel resistors we get
$\begin{align}
& \dfrac{1}{{{R}_{net}}}=\dfrac{1}{R}+\dfrac{1}{8}\Rightarrow \dfrac{1}{6}=\dfrac{1}{R}+\dfrac{1}{8} \\
& \Rightarrow \dfrac{1}{R}=\dfrac{1}{6}-\dfrac{1}{8}=\dfrac{8-6}{8\times 6}=\dfrac{2}{48} \\
& \Rightarrow R=24\Omega \\
\end{align}$
So, the correct answer is “Option D”.
Note:
Take care that instead of finding the resistance of a combination like given in the solution, we can find the total resistance of the system and then subtract the resistance of $6\Omega $ resistor from it. Either way, we would get the same answer.
Recently Updated Pages
A man running at a speed 5 ms is viewed in the side class 12 physics CBSE

The number of solutions in x in 02pi for which sqrt class 12 maths CBSE

State and explain Hardy Weinbergs Principle class 12 biology CBSE

Write any two methods of preparation of phenol Give class 12 chemistry CBSE

Which of the following statements is wrong a Amnion class 12 biology CBSE

Differentiate between action potential and resting class 12 biology CBSE

Trending doubts
What are the major means of transport Explain each class 12 social science CBSE

Which are the Top 10 Largest Countries of the World?

Draw a labelled sketch of the human eye class 12 physics CBSE

How much time does it take to bleed after eating p class 12 biology CBSE

Explain sex determination in humans with line diag class 12 biology CBSE

When was the first election held in India a 194748 class 12 sst CBSE

