
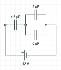
In the circuit shown in the figure, the potential difference across the $4.5\mu F$ capacitor is:
\[\begin{align}
& A.\frac{8}{3}V \\
& B.4V \\
& C.6V \\
& D.8V \\
\end{align}\]
Answer
560.4k+ views
Hint: A capacitor is a two terminal component that stores electrical energy in the form of potential energy, and later discharges them. This property is called the capacitance of the capacitor. Since we are given some combination of capacitor and then use it to find the current through $4.5\mu F$ capacitor and then find the potential difference.
Formula used: $Q=CV$
Complete step by step answer:
A capacitor can store electrical energy, and behaves as a temporary battery. They are used mainly to maintain the power supply while batteries are being changed. It can also store information in the form of binary digits. It is the main component used in full wave and half wave rectifier. (symbol: F), named after the English physicist Michael Faraday. A 1 farad capacitor, when charged with 1 coulomb of electrical charge, has a potential difference of 1 volt between its plates. The series of capacitor is the sum of reciprocal of its individual capacitors, whereas in resistance the parallel is the sum of reciprocal of its individual resistors. Also remember that capacitors can charge and discharge.
The net parallel capacitance is given as $C_{P}=3+6=9\mu F$
We can calculate the net capacitance as $\dfrac{1}{C_{s}}=\dfrac{1}{4.5}+\dfrac{1}{9}=\dfrac{1}{3}$
$C_{S}=3\mu F$
We know that $Q=CV$ where, $Q$ is the charge in the capacitance $C$ due to some voltage $V$.
Given that, $V=12V$.
$\Rightarrow Q=3\times 10^{-3}\times 12=36\times 10^{-3}=36\mu C$
Then the potential across the $4.5\mu F$ capacitor is given as $V=\dfrac{Q}{C}=\dfrac{36\times 10^{-3}}{4.5\times 10^{-3}}=8V$
So, the correct answer is “Option D”.
Note: The series of capacitors is the sum of reciprocal of its individual capacitors, whereas in resistance the parallel is the sum of reciprocal of its individual resistors. Also remember that capacitors can charge and discharge.
Formula used: $Q=CV$
Complete step by step answer:
A capacitor can store electrical energy, and behaves as a temporary battery. They are used mainly to maintain the power supply while batteries are being changed. It can also store information in the form of binary digits. It is the main component used in full wave and half wave rectifier. (symbol: F), named after the English physicist Michael Faraday. A 1 farad capacitor, when charged with 1 coulomb of electrical charge, has a potential difference of 1 volt between its plates. The series of capacitor is the sum of reciprocal of its individual capacitors, whereas in resistance the parallel is the sum of reciprocal of its individual resistors. Also remember that capacitors can charge and discharge.
The net parallel capacitance is given as $C_{P}=3+6=9\mu F$
We can calculate the net capacitance as $\dfrac{1}{C_{s}}=\dfrac{1}{4.5}+\dfrac{1}{9}=\dfrac{1}{3}$
$C_{S}=3\mu F$
We know that $Q=CV$ where, $Q$ is the charge in the capacitance $C$ due to some voltage $V$.
Given that, $V=12V$.
$\Rightarrow Q=3\times 10^{-3}\times 12=36\times 10^{-3}=36\mu C$
Then the potential across the $4.5\mu F$ capacitor is given as $V=\dfrac{Q}{C}=\dfrac{36\times 10^{-3}}{4.5\times 10^{-3}}=8V$
So, the correct answer is “Option D”.
Note: The series of capacitors is the sum of reciprocal of its individual capacitors, whereas in resistance the parallel is the sum of reciprocal of its individual resistors. Also remember that capacitors can charge and discharge.
Recently Updated Pages
Master Class 12 Social Science: Engaging Questions & Answers for Success

Master Class 12 Physics: Engaging Questions & Answers for Success

Master Class 12 Maths: Engaging Questions & Answers for Success

Master Class 12 Economics: Engaging Questions & Answers for Success

Master Class 12 Chemistry: Engaging Questions & Answers for Success

Master Class 12 Business Studies: Engaging Questions & Answers for Success

Trending doubts
What are the major means of transport Explain each class 12 social science CBSE

Which are the Top 10 Largest Countries of the World?

Draw a labelled sketch of the human eye class 12 physics CBSE

How much time does it take to bleed after eating p class 12 biology CBSE

Explain sex determination in humans with line diag class 12 biology CBSE

Plot a graph between potential difference V and current class 12 physics CBSE

