
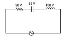
In the circuit shown in Figure, the p.d.s across the various elements are shown. What is the magnitude of the applied voltage?
Answer
529.8k+ views
Hint : Magnitude is defined as 'distance or quantity' in basic terms. It represents the actual or relative scale or direction in which an object travels in the sense of motion.
We have to find the magnitude of applied voltage in the given circuit by using the values of the rms voltage measured across the resistor $ R $ , the rms voltage measured across the inductor $ L $ , and the rms voltage measured across the capacitor $ C $ .
$ {V_{net}} = \sqrt {V_R^2 + {{\left( {{V_L} - {V_C}} \right)}^2}} $
Complete Step By Step Answer:
Using the above formula, we can find the magnitude of applied voltage in the given circuit.
$ {V_{net}} = \sqrt {V_R^2 + {{\left( {{V_L} - {V_C}} \right)}^2}} $
Where, $ {V_{net}} $ represents the magnitude of the applied voltage,
$ {V_R} $ represents the rms voltage measured across the resistor $ R $ ,
$ {V_L} $ represents the rms voltage measured across the inductor $ L $ , and
$ {V_C} $ represents the rms voltage measured across the capacitor $ C $
Now we substitute the values of $ {V_R} $ , $ {V_L} $ and $ {V_C} $ in the above equation.
We get,
$
{V_{net}} = \sqrt {{{\left( {20} \right)}^2} + {{\left( {100 - 85} \right)}^2}} \\
= \sqrt {{{\left( {20} \right)}^2} + {{\left( {15} \right)}^2}} \\
= \sqrt {400 + 225} \\
= \sqrt {625} \\
= 25 \\
$
We found that $ {V_{net}} = 25V $
Therefore, the magnitude of the applied voltage is equal to $ 25 $ volts.
Additional Information:
The highest voltage mentioned in electricity transmission is $ 1200KV $ . China currently uses the maximum voltage of $ 800KV $ and is working on a $ 1100KV $ system. In the first step, Powergrid will construct a $ 380 $ kilometer $ 1200 $ volt transmission line from Deoli to Aurangabad.
Note :
It's not a smart idea to plug a $ 220V $ unit into a $ 110V $ socket. If you did, the appliance is most likely to be damaged or destroyed. If your system lacks a motor, it will operate poorly, using half the energy used. If the system has a motor, the lower voltage will cause it to malfunction.
We have to find the magnitude of applied voltage in the given circuit by using the values of the rms voltage measured across the resistor $ R $ , the rms voltage measured across the inductor $ L $ , and the rms voltage measured across the capacitor $ C $ .
$ {V_{net}} = \sqrt {V_R^2 + {{\left( {{V_L} - {V_C}} \right)}^2}} $
Complete Step By Step Answer:
Using the above formula, we can find the magnitude of applied voltage in the given circuit.
$ {V_{net}} = \sqrt {V_R^2 + {{\left( {{V_L} - {V_C}} \right)}^2}} $
Where, $ {V_{net}} $ represents the magnitude of the applied voltage,
$ {V_R} $ represents the rms voltage measured across the resistor $ R $ ,
$ {V_L} $ represents the rms voltage measured across the inductor $ L $ , and
$ {V_C} $ represents the rms voltage measured across the capacitor $ C $
Now we substitute the values of $ {V_R} $ , $ {V_L} $ and $ {V_C} $ in the above equation.
We get,
$
{V_{net}} = \sqrt {{{\left( {20} \right)}^2} + {{\left( {100 - 85} \right)}^2}} \\
= \sqrt {{{\left( {20} \right)}^2} + {{\left( {15} \right)}^2}} \\
= \sqrt {400 + 225} \\
= \sqrt {625} \\
= 25 \\
$
We found that $ {V_{net}} = 25V $
Therefore, the magnitude of the applied voltage is equal to $ 25 $ volts.
Additional Information:
The highest voltage mentioned in electricity transmission is $ 1200KV $ . China currently uses the maximum voltage of $ 800KV $ and is working on a $ 1100KV $ system. In the first step, Powergrid will construct a $ 380 $ kilometer $ 1200 $ volt transmission line from Deoli to Aurangabad.
Note :
It's not a smart idea to plug a $ 220V $ unit into a $ 110V $ socket. If you did, the appliance is most likely to be damaged or destroyed. If your system lacks a motor, it will operate poorly, using half the energy used. If the system has a motor, the lower voltage will cause it to malfunction.
Recently Updated Pages
Master Class 12 Economics: Engaging Questions & Answers for Success

Master Class 12 Physics: Engaging Questions & Answers for Success

Master Class 12 English: Engaging Questions & Answers for Success

Master Class 12 Social Science: Engaging Questions & Answers for Success

Master Class 12 Maths: Engaging Questions & Answers for Success

Master Class 12 Business Studies: Engaging Questions & Answers for Success

Trending doubts
Which are the Top 10 Largest Countries of the World?

What are the major means of transport Explain each class 12 social science CBSE

Draw a labelled sketch of the human eye class 12 physics CBSE

Why cannot DNA pass through cell membranes class 12 biology CBSE

Differentiate between insitu conservation and exsitu class 12 biology CBSE

Draw a neat and well labeled diagram of TS of ovary class 12 biology CBSE

