
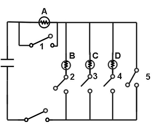
In the circuit diagram shown, what is the maximum number of switches that must be closed to turn on the lights?
A. 3
B. 6
C. 4
D. 5
Answer
482.7k+ views
Hint: To solve this question we need to understand that light bulbs glow when they are in a closed circuit where one side of the bulb is connected to the positive terminal and the other to the negative terminal. For bulbs connected in parallel connection, one side of all bulbs should be connected to one terminal and the other side of bulbs to be connected to another terminal.
Complete step by step solution:
Step 1:
Let us label the components as Bulb 1, Bulb 2, Bulb 3, Bulb 4, Switch 1, Switch 2, Switch 3, Switch 4, Switch 5 and Switch 6.
Step 2:
For a bulb to glow, both of the ends should be connected. So, for Bulb 2, Bulb 3 and Bulb 4 to glow we need to close switch 3, switch 4 and Switch 5.
If we close Switch 1, then both sides of the Bulb 1 will be connected to the same terminal and this leads to a short circuit situation and no current flows through Bulb 1 and it does not glow.
Coming to Switch 6, if we open this switch then the circuit will be open and no bulb will glow as this is the only switch which connects another terminal of the cell to the circuit.
If we close Switch 5, then Bulb 2, Bulb 3 and Bulb 4 will be connected to the same terminal and no current flows through these bulbs. This is called a short circuit situation for these bulbs and these bulbs will not glow. So, Switch 5 should be open.
Step 3:
By creating the below diagram we can easily see how things look.
Step 4:
So, switches which are open are Switch 1 and Switch 5.
So, switches which are closed are Switch 2, Switch 3, Switch 4 and Switch 6.
Therefore, the total number of switches which are open are 4.
So, the correct option is C.
Note:
Short circuit is the situation where no current flows through the object. We should always take care of this situation which may lead to other issues while solving these problems. Switch 6 is one of the important switches here which determines the whole flow of current through the circuit.
Complete step by step solution:
Step 1:
Let us label the components as Bulb 1, Bulb 2, Bulb 3, Bulb 4, Switch 1, Switch 2, Switch 3, Switch 4, Switch 5 and Switch 6.
Step 2:
For a bulb to glow, both of the ends should be connected. So, for Bulb 2, Bulb 3 and Bulb 4 to glow we need to close switch 3, switch 4 and Switch 5.
If we close Switch 1, then both sides of the Bulb 1 will be connected to the same terminal and this leads to a short circuit situation and no current flows through Bulb 1 and it does not glow.
Coming to Switch 6, if we open this switch then the circuit will be open and no bulb will glow as this is the only switch which connects another terminal of the cell to the circuit.
If we close Switch 5, then Bulb 2, Bulb 3 and Bulb 4 will be connected to the same terminal and no current flows through these bulbs. This is called a short circuit situation for these bulbs and these bulbs will not glow. So, Switch 5 should be open.
Step 3:
By creating the below diagram we can easily see how things look.
Step 4:
So, switches which are open are Switch 1 and Switch 5.
So, switches which are closed are Switch 2, Switch 3, Switch 4 and Switch 6.
Therefore, the total number of switches which are open are 4.
So, the correct option is C.
Note:
Short circuit is the situation where no current flows through the object. We should always take care of this situation which may lead to other issues while solving these problems. Switch 6 is one of the important switches here which determines the whole flow of current through the circuit.
Recently Updated Pages
A man running at a speed 5 ms is viewed in the side class 12 physics CBSE

The number of solutions in x in 02pi for which sqrt class 12 maths CBSE

State and explain Hardy Weinbergs Principle class 12 biology CBSE

Write any two methods of preparation of phenol Give class 12 chemistry CBSE

Which of the following statements is wrong a Amnion class 12 biology CBSE

Differentiate between action potential and resting class 12 biology CBSE

Trending doubts
What are the major means of transport Explain each class 12 social science CBSE

Which are the Top 10 Largest Countries of the World?

Draw a labelled sketch of the human eye class 12 physics CBSE

How much time does it take to bleed after eating p class 12 biology CBSE

Explain sex determination in humans with line diag class 12 biology CBSE

Explain sex determination in humans with the help of class 12 biology CBSE

