
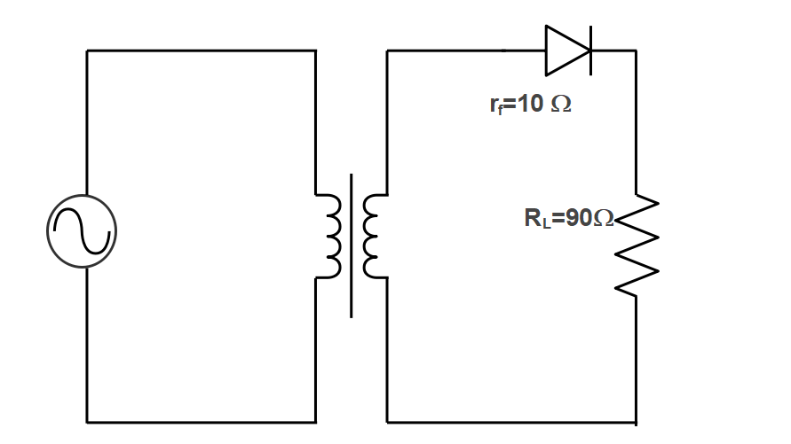
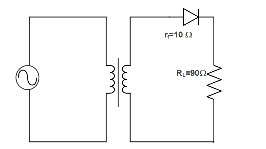
In a half wave rectifier, the output is taken across a $90 \Omega$ load resistor. If the resistance of diode in forward biased condition is $10 \Omega$, the efficiency of rectification of ac power into dc power is
a) $40.6 \%$
b) $81.2 \%$
c) $73.08 \%$
d) $36.54 \%$
Answer
512.7k+ views
Hint:
A half-wave rectifier is a device that only permits one half-cycle of an AC voltage waveform to transfer, obstructing the other half-cycle. It is used to transform AC voltage to DC voltage and only needs a single diode to form. Efficiency of a rectifier is the ratio of output power (DC) to input power (AC). It depends on the load resistance and resistance in forward biased condition.
Complete answer:
Given resistance of load resistor =$90 \Omega$
Resistance of diode in forward biased condition =$10 \Omega$
The efficiency of half wave rectifier is given by-
$\eta = \dfrac{4}{\pi^{2}} \dfrac{R_{L}}{R_{L} + r_{f}}$
Where, $R_{L}$ is the load resistance.
$ r_{f}$ is the resistance of the diode in forward biased condition.
Put the values of $R_{L}$and $ r_{f}$ in the efficiency formula.
$\eta = \dfrac{4}{\pi^{2}} \dfrac{90}{90 + 10}$
$\eta = 0.36543$
Hence, the percent efficiency is,
$\eta \times 100$
= $0.36543 \times 100 = 36.54 \%$
The efficiency of rectification of ac power into dc power is $36.54 \%$.
Option (d) is correct.
Additional Information:
A half-wave rectifier is the most accessible form of rectifier. The main benefit of half-wave rectifiers is their uniformity. As they don’t need as many components, they are more modest and cheaper to set up and create.
Note:
In the half-wave rectifier, when the half positive AC cycle passes through the rectifier, the diode will be in forward biased and the current flows through the diode. when the half negative AC cycle passes through the rectifier, the diode will be in reverse biased and the current blocks through the diode. The final output will be DC with some AC component called ripples.
A half-wave rectifier is a device that only permits one half-cycle of an AC voltage waveform to transfer, obstructing the other half-cycle. It is used to transform AC voltage to DC voltage and only needs a single diode to form. Efficiency of a rectifier is the ratio of output power (DC) to input power (AC). It depends on the load resistance and resistance in forward biased condition.
Complete answer:
Given resistance of load resistor =$90 \Omega$
Resistance of diode in forward biased condition =$10 \Omega$
The efficiency of half wave rectifier is given by-
$\eta = \dfrac{4}{\pi^{2}} \dfrac{R_{L}}{R_{L} + r_{f}}$
Where, $R_{L}$ is the load resistance.
$ r_{f}$ is the resistance of the diode in forward biased condition.
Put the values of $R_{L}$and $ r_{f}$ in the efficiency formula.
$\eta = \dfrac{4}{\pi^{2}} \dfrac{90}{90 + 10}$
$\eta = 0.36543$
Hence, the percent efficiency is,
$\eta \times 100$
= $0.36543 \times 100 = 36.54 \%$
The efficiency of rectification of ac power into dc power is $36.54 \%$.
Option (d) is correct.
Additional Information:
A half-wave rectifier is the most accessible form of rectifier. The main benefit of half-wave rectifiers is their uniformity. As they don’t need as many components, they are more modest and cheaper to set up and create.
Note:
In the half-wave rectifier, when the half positive AC cycle passes through the rectifier, the diode will be in forward biased and the current flows through the diode. when the half negative AC cycle passes through the rectifier, the diode will be in reverse biased and the current blocks through the diode. The final output will be DC with some AC component called ripples.
Recently Updated Pages
A man running at a speed 5 ms is viewed in the side class 12 physics CBSE

The number of solutions in x in 02pi for which sqrt class 12 maths CBSE

State and explain Hardy Weinbergs Principle class 12 biology CBSE

Write any two methods of preparation of phenol Give class 12 chemistry CBSE

Which of the following statements is wrong a Amnion class 12 biology CBSE

Differentiate between action potential and resting class 12 biology CBSE

Trending doubts
What are the major means of transport Explain each class 12 social science CBSE

Which are the Top 10 Largest Countries of the World?

Draw a labelled sketch of the human eye class 12 physics CBSE

Explain sex determination in humans with line diag class 12 biology CBSE

Explain sex determination in humans with the help of class 12 biology CBSE

Differentiate between homogeneous and heterogeneous class 12 chemistry CBSE

