
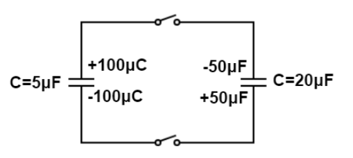
: For the configuration of capacitors shown, both switches are closed simultaneously. After equilibrium is established, what is the charge on the top plate of the $5\mu F$ capacitor?
A. $100\mu C$
B. $90\mu C$
C. $10\mu C$
D. None of these
Answer
484.2k+ views
Hint: In order to solve this question, we will first calculate the total charge distributed on upper plate of both capacitors and then by using the concept that both capacitors are connected in parallel so that their potential difference will be same and hence, by forming equation in form of charge on both capacitors we will calculate the charge on the top plate of the $5\mu F$ capacitor.
Complete answer:
According to the given diagram, the total charge distributed on the upper plate is simply the sum of $100\mu C - 50\mu C = + 50\mu C \to (i)$ .
Now, from the diagram we see that, Both capacitors are connected in parallel combination and let ${Q_5},{Q_{20}}$ denotes the charge on capacitors of $5\mu F{\kern 1pt} {\kern 1pt} and{\kern 1pt} {\kern 1pt} 20\mu F$ and both capacitors will have same potential difference and the relation between capacitance, voltage and charge is calculated as
$V = \dfrac{Q}{C}$ so for each capacitance we have,
$\Rightarrow V = \dfrac{{{Q_5}}}{5}$ and $V = \dfrac{{{Q_{20}}}}{{20}}$ so we get,
$\Rightarrow \dfrac{{{Q_5}}}{5} = \dfrac{{{Q_{20}}}}{{20}}$
$\Rightarrow {Q_{20}} = 4{Q_5} \to (ii)$
And from equation (i) we have, ${Q_5} + {Q_{20}} = 50\mu C$ as total charge distributed among both capacitors.
Put the value of ${Q_{20}} = 50\mu C - {Q_5}$ in equation (ii) we get,
$4{Q_5} = 50\mu C - {Q_5}$
$\Rightarrow 5{Q_5} = 50\mu C$
$\therefore {Q_5} = 10\mu C$
So, charge on the $5\mu F$ capacitor will be ${Q_5} = 10\mu C$.
Hence, the correct option is C.
Note: It should be remembered that, the actual total charge on both capacitor can be written just the sum of charge stored in each capacitor but here, we just take the value of charge on the upper plate of each capacitor, Unit of capacitance is related as $1\mu F = {10^{ - 6}}F$ and unit of charge is related as $1\mu C = {10^{ - 6}}C$.
Complete answer:
According to the given diagram, the total charge distributed on the upper plate is simply the sum of $100\mu C - 50\mu C = + 50\mu C \to (i)$ .
Now, from the diagram we see that, Both capacitors are connected in parallel combination and let ${Q_5},{Q_{20}}$ denotes the charge on capacitors of $5\mu F{\kern 1pt} {\kern 1pt} and{\kern 1pt} {\kern 1pt} 20\mu F$ and both capacitors will have same potential difference and the relation between capacitance, voltage and charge is calculated as
$V = \dfrac{Q}{C}$ so for each capacitance we have,
$\Rightarrow V = \dfrac{{{Q_5}}}{5}$ and $V = \dfrac{{{Q_{20}}}}{{20}}$ so we get,
$\Rightarrow \dfrac{{{Q_5}}}{5} = \dfrac{{{Q_{20}}}}{{20}}$
$\Rightarrow {Q_{20}} = 4{Q_5} \to (ii)$
And from equation (i) we have, ${Q_5} + {Q_{20}} = 50\mu C$ as total charge distributed among both capacitors.
Put the value of ${Q_{20}} = 50\mu C - {Q_5}$ in equation (ii) we get,
$4{Q_5} = 50\mu C - {Q_5}$
$\Rightarrow 5{Q_5} = 50\mu C$
$\therefore {Q_5} = 10\mu C$
So, charge on the $5\mu F$ capacitor will be ${Q_5} = 10\mu C$.
Hence, the correct option is C.
Note: It should be remembered that, the actual total charge on both capacitor can be written just the sum of charge stored in each capacitor but here, we just take the value of charge on the upper plate of each capacitor, Unit of capacitance is related as $1\mu F = {10^{ - 6}}F$ and unit of charge is related as $1\mu C = {10^{ - 6}}C$.
Recently Updated Pages
A man running at a speed 5 ms is viewed in the side class 12 physics CBSE

The number of solutions in x in 02pi for which sqrt class 12 maths CBSE

State and explain Hardy Weinbergs Principle class 12 biology CBSE

Write any two methods of preparation of phenol Give class 12 chemistry CBSE

Which of the following statements is wrong a Amnion class 12 biology CBSE

Differentiate between action potential and resting class 12 biology CBSE

Trending doubts
What are the major means of transport Explain each class 12 social science CBSE

Which are the Top 10 Largest Countries of the World?

Draw a labelled sketch of the human eye class 12 physics CBSE

Explain sex determination in humans with line diag class 12 biology CBSE

Explain sex determination in humans with the help of class 12 biology CBSE

Differentiate between homogeneous and heterogeneous class 12 chemistry CBSE

