
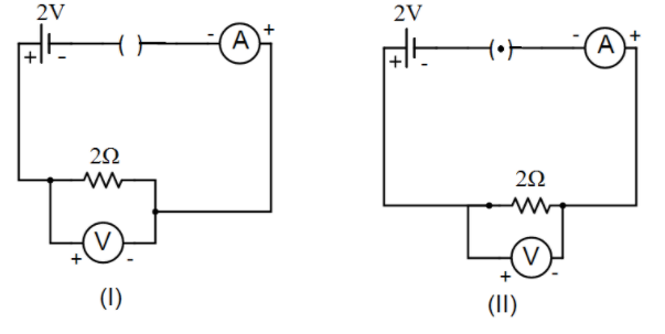
For the circuits shown in figures I and II, the voltmeter reading would be
A. 2V in circuit I and 0V in circuit II
B. 0V in both circuits
C. 2V in both circuits
D. 0V in circuit I and 2V in circuit II
Answer
573.3k+ views
Hint: A voltmeter connected across a resistance, measures the potential drop that the resistance creates. This potential drop can simply be calculated by Ohm's law by knowing the value of current in the circuit.
Formula used:
Ohm’s law: Voltage drop across a resistance is given as:
V=IR;
when a current of I ampere is flowing in the circuit.
Complete answer:
We must first carefully observe the two circuits and try to compare and contrast them. Upon looking closely, we will find that in circuit I, the key is not placed in the circuit. This means that circuit I is not a closed circuit, so no current flows in that circuit and therefore the potential drop across the resistance will be 0 V. This, itself will provide us the right answer without any need to proceed further but just to make sure, we analyze circuit II with the help of Ohm's law. In circuit II, the key is placed, i.e., circuit is closed. A current will flow in the circuit which can be found out with the help of expression:
$I = \dfrac{E}{R} $
$I = \dfrac{2V}{2 \Omega }$A
I = 1A.
Again using Ohm's law, across resistance R, we get a potential drop of:
$V = 1 A \times 2 \Omega $
V = 2V.
Therefore, in circuit II, the voltmeter will measure a potential difference of 2V.
Therefore, the correct answer is option (D) i.e., we get a reading of 0V in circuit I and a reading of 2V in circuit II.
Additional information:
There is another method for dealing with such types of questions called Kirchhoff's voltage law. If we are given any loop with (or without) an emf, we can say that the sum of the products of all resistances and their respective currents is equal to the emf in the loop. Like in our case, we can clearly observe that there is only a single resistance so entire potential is dropped across that resistance only.
Note:
One might cut a step and directly say that the entire potential is dropped across the resistance R, so the potential drop across the resistance R will be 2V. One will get the right answer but in such case, if we were given that the emf had an internal resistance, then the current in the circuit would have been different.
Formula used:
Ohm’s law: Voltage drop across a resistance is given as:
V=IR;
when a current of I ampere is flowing in the circuit.
Complete answer:
We must first carefully observe the two circuits and try to compare and contrast them. Upon looking closely, we will find that in circuit I, the key is not placed in the circuit. This means that circuit I is not a closed circuit, so no current flows in that circuit and therefore the potential drop across the resistance will be 0 V. This, itself will provide us the right answer without any need to proceed further but just to make sure, we analyze circuit II with the help of Ohm's law. In circuit II, the key is placed, i.e., circuit is closed. A current will flow in the circuit which can be found out with the help of expression:
$I = \dfrac{E}{R} $
$I = \dfrac{2V}{2 \Omega }$A
I = 1A.
Again using Ohm's law, across resistance R, we get a potential drop of:
$V = 1 A \times 2 \Omega $
V = 2V.
Therefore, in circuit II, the voltmeter will measure a potential difference of 2V.
Therefore, the correct answer is option (D) i.e., we get a reading of 0V in circuit I and a reading of 2V in circuit II.
Additional information:
There is another method for dealing with such types of questions called Kirchhoff's voltage law. If we are given any loop with (or without) an emf, we can say that the sum of the products of all resistances and their respective currents is equal to the emf in the loop. Like in our case, we can clearly observe that there is only a single resistance so entire potential is dropped across that resistance only.
Note:
One might cut a step and directly say that the entire potential is dropped across the resistance R, so the potential drop across the resistance R will be 2V. One will get the right answer but in such case, if we were given that the emf had an internal resistance, then the current in the circuit would have been different.
Recently Updated Pages
A man running at a speed 5 ms is viewed in the side class 12 physics CBSE

The number of solutions in x in 02pi for which sqrt class 12 maths CBSE

State and explain Hardy Weinbergs Principle class 12 biology CBSE

Write any two methods of preparation of phenol Give class 12 chemistry CBSE

Which of the following statements is wrong a Amnion class 12 biology CBSE

Differentiate between action potential and resting class 12 biology CBSE

Trending doubts
What are the major means of transport Explain each class 12 social science CBSE

Which are the Top 10 Largest Countries of the World?

Draw a labelled sketch of the human eye class 12 physics CBSE

How much time does it take to bleed after eating p class 12 biology CBSE

Explain sex determination in humans with line diag class 12 biology CBSE

Explain sex determination in humans with the help of class 12 biology CBSE

