
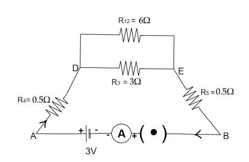
Five resistors are connected in a circuit as shown below. Find the ammeter reading when the circuit is closed.
Answer
480.9k+ views
Hint:We have to solve this complicated circuit into a simplified one to get the current flowing through the ammeter. First solve the total resistance between DCE then calculate the total resistance between D and E, finally we can calculate the equivalent resistance and now with help of ohm’s law we can calculate the ammeter reading.
Complete step by step answer:
We have five resistance and are connected as shown below,
Now from the diagram we can see that resistance $R_1\,\,and\,R_2$ are connected in series in branch DCE,
$R_{12} = R_1 + R_2$
Now putting the known value we will get,
$R_{12} = 3\Omega + 3\Omega $
$ \Rightarrow R_{12} = 6\Omega $
Now the equivalent circuit will look like,
Now $R_{12}\,\,{\text{and}}\,R_3$ resistance are connected parallel in branch DE,
$R_{DE} = R_{12}||\,R_3$
We know, $R = Ra||\,Rb = \dfrac{{Ra \times Rb}}{{Ra + Rb}}$
Now applying this formula in the above DE branch we will get,
$R_{DE} = \dfrac{{R_{12} \times \,R_3}}{{R_{12} + R_3}}$
Now putting the known value we will get,
$R_{DE} = \dfrac{{6\Omega \times \,3\Omega }}{{6\Omega + 3\Omega }}$
$ \Rightarrow R_{DE} = \dfrac{{18\Omega }}{9}$
Dividing the numerator and denominator by $9$ we will get,
$R_{DE} = 2\Omega $
Now the equivalent resistance will be,
Now the equivalent resistance, from the above diagram $R_4,R5\,{\text{and}}\,R_{DE}$ are connected in series. We will get,
$\operatorname{R} {\text{eq = R_4 + }}R_{DE} + R5$
Putting the known values in the above equation we will get,
$\operatorname{R} {\text{eq = 0}}{\text{.5}}\Omega {\text{ + }}2\Omega + 0.5\Omega $
$ \Rightarrow \operatorname{R} {\text{eq = }}3\Omega $
Hence the equivalent resistance of the circuit is $3\Omega $.
Ammeter: It is an instrument for measuring either direct or alternating electric current, in amperes.
For Ammeter Reading, applying Ohm’s Law we will get,
$I = \dfrac{V}{R}$
Now putting the known value from the diagram we will get,
$I = \dfrac{{3V}}{{3\Omega }}$
$ \therefore I = 1A$
Hence the current reading in ammeter is $1\,A$.
Note: Also while solving this kind of problem always draw the simplified circuit in each step so that you will not commit a mistake. We can solve this problem in many different ways. We can use the delta star method to open the circuit in a simplified version but for now we only know the envelope theory. In future classes you will come to know many other simplified methods to solve this kind of complicated circuit.
Complete step by step answer:
We have five resistance and are connected as shown below,
Now from the diagram we can see that resistance $R_1\,\,and\,R_2$ are connected in series in branch DCE,
$R_{12} = R_1 + R_2$
Now putting the known value we will get,
$R_{12} = 3\Omega + 3\Omega $
$ \Rightarrow R_{12} = 6\Omega $
Now the equivalent circuit will look like,
Now $R_{12}\,\,{\text{and}}\,R_3$ resistance are connected parallel in branch DE,
$R_{DE} = R_{12}||\,R_3$
We know, $R = Ra||\,Rb = \dfrac{{Ra \times Rb}}{{Ra + Rb}}$
Now applying this formula in the above DE branch we will get,
$R_{DE} = \dfrac{{R_{12} \times \,R_3}}{{R_{12} + R_3}}$
Now putting the known value we will get,
$R_{DE} = \dfrac{{6\Omega \times \,3\Omega }}{{6\Omega + 3\Omega }}$
$ \Rightarrow R_{DE} = \dfrac{{18\Omega }}{9}$
Dividing the numerator and denominator by $9$ we will get,
$R_{DE} = 2\Omega $
Now the equivalent resistance will be,
Now the equivalent resistance, from the above diagram $R_4,R5\,{\text{and}}\,R_{DE}$ are connected in series. We will get,
$\operatorname{R} {\text{eq = R_4 + }}R_{DE} + R5$
Putting the known values in the above equation we will get,
$\operatorname{R} {\text{eq = 0}}{\text{.5}}\Omega {\text{ + }}2\Omega + 0.5\Omega $
$ \Rightarrow \operatorname{R} {\text{eq = }}3\Omega $
Hence the equivalent resistance of the circuit is $3\Omega $.
Ammeter: It is an instrument for measuring either direct or alternating electric current, in amperes.
For Ammeter Reading, applying Ohm’s Law we will get,
$I = \dfrac{V}{R}$
Now putting the known value from the diagram we will get,
$I = \dfrac{{3V}}{{3\Omega }}$
$ \therefore I = 1A$
Hence the current reading in ammeter is $1\,A$.
Note: Also while solving this kind of problem always draw the simplified circuit in each step so that you will not commit a mistake. We can solve this problem in many different ways. We can use the delta star method to open the circuit in a simplified version but for now we only know the envelope theory. In future classes you will come to know many other simplified methods to solve this kind of complicated circuit.
Recently Updated Pages
A man running at a speed 5 ms is viewed in the side class 12 physics CBSE

The number of solutions in x in 02pi for which sqrt class 12 maths CBSE

State and explain Hardy Weinbergs Principle class 12 biology CBSE

Write any two methods of preparation of phenol Give class 12 chemistry CBSE

Which of the following statements is wrong a Amnion class 12 biology CBSE

Differentiate between action potential and resting class 12 biology CBSE

Trending doubts
What are the major means of transport Explain each class 12 social science CBSE

Which are the Top 10 Largest Countries of the World?

Draw a labelled sketch of the human eye class 12 physics CBSE

How much time does it take to bleed after eating p class 12 biology CBSE

Explain sex determination in humans with line diag class 12 biology CBSE

Explain sex determination in humans with the help of class 12 biology CBSE

