
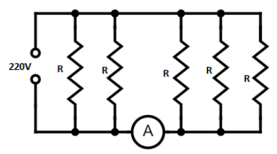
Five identical lamps each resistance $R = 1100\Omega $ are connected to $220V$ as shown in figure. The reading of ideal ammeter A is
A. $\dfrac{1}{5}\,amp$
B. $\dfrac{2}{5}\,amp$
C. $\dfrac{3}{5}\,amp$
D. $1\,amp$
Answer
502.8k+ views
Hint: Above diagram represents some resistance along with some voltage and ammeter. There are five lamps of resistance in series and for this resistance there is some ohm value and there is voltage value also. Considering those values we are going to solve this with the help of ohm's law.
Complete step by step answer:
Five identical lamps have five resistances and for those five resistances there is some current flowing through the ammeter and there is some voltage value also there. Here current is flowing in the above diagram that means, $I = {I_1} = {I_2} = {I_3} = {I_4} = {I_5}$ equal current is passing in above diagram.
By applying ohm's law, $V = IR$
Here voltage, $V = 220V$
Resistance, $R = 1100\Omega $
Therefore, $I = \dfrac{V}{R}$
By substituting resistance and voltage current values in current we get,
$I = \dfrac{{220}}{{1100}} \\
\Rightarrow I = \dfrac{1}{5} \\ $
Now we are going to calculate the current in ammeter
That means, ${I_A} = {I_3} + {I_4} + {I_5}$
Already we have concluded the current in beginning only, then
${I_A} = I + I + I \\
\Rightarrow {I_A} = 3I \\ $
We have calculated the current value by using ohm's law, so
$\therefore {I_A} = 3 \times \dfrac{1}{5}$
So the current in ammeter is, ${I_A} = \dfrac{3}{5}\,amp$
Thus the correct option is C.
Note: From the beginning of the solution part we have clearly shown, for finding the current in ammeter we are using ohm's law. Using ohm's law we have found the current value with given resistance and voltage values. We have considered equal current is passing throughout the circuit, on this base only we have found the current in ammeter.
Complete step by step answer:
Five identical lamps have five resistances and for those five resistances there is some current flowing through the ammeter and there is some voltage value also there. Here current is flowing in the above diagram that means, $I = {I_1} = {I_2} = {I_3} = {I_4} = {I_5}$ equal current is passing in above diagram.
By applying ohm's law, $V = IR$
Here voltage, $V = 220V$
Resistance, $R = 1100\Omega $
Therefore, $I = \dfrac{V}{R}$
By substituting resistance and voltage current values in current we get,
$I = \dfrac{{220}}{{1100}} \\
\Rightarrow I = \dfrac{1}{5} \\ $
Now we are going to calculate the current in ammeter
That means, ${I_A} = {I_3} + {I_4} + {I_5}$
Already we have concluded the current in beginning only, then
${I_A} = I + I + I \\
\Rightarrow {I_A} = 3I \\ $
We have calculated the current value by using ohm's law, so
$\therefore {I_A} = 3 \times \dfrac{1}{5}$
So the current in ammeter is, ${I_A} = \dfrac{3}{5}\,amp$
Thus the correct option is C.
Note: From the beginning of the solution part we have clearly shown, for finding the current in ammeter we are using ohm's law. Using ohm's law we have found the current value with given resistance and voltage values. We have considered equal current is passing throughout the circuit, on this base only we have found the current in ammeter.
Recently Updated Pages
Master Class 12 Business Studies: Engaging Questions & Answers for Success

Master Class 12 Economics: Engaging Questions & Answers for Success

Master Class 12 English: Engaging Questions & Answers for Success

Master Class 12 Maths: Engaging Questions & Answers for Success

Master Class 12 Social Science: Engaging Questions & Answers for Success

Master Class 12 Chemistry: Engaging Questions & Answers for Success

Trending doubts
What are the major means of transport Explain each class 12 social science CBSE

Which are the Top 10 Largest Countries of the World?

Draw a labelled sketch of the human eye class 12 physics CBSE

Explain sex determination in humans with line diag class 12 biology CBSE

The pH of the pancreatic juice is A 64 B 86 C 120 D class 12 biology CBSE

Explain sex determination in humans with the help of class 12 biology CBSE

