
Find the order of the fringe formed at O.
Answer
562.8k+ views
Hint: First calculate the path difference at O. The path difference here is the difference between the $S{{S}_{2}}\And S{{S}_{1}}$since, the distances ${{S}_{1}}O\And {{S}_{2}}O$ are equal. Then calculate the thickness, t. Also path difference is the product of its wavelength and order of the fringe. Thus by rearranging the equation and substituting the values of wavelength and path difference we will get the order of the fringe.
Complete answer:
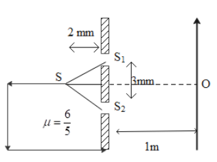
The path difference is denoted by the letter $\vartriangle x$ .
Hence,
$\begin{align}
& \vartriangle x=\left( S{{S}_{2}}+{{S}_{2}}O \right)-\left( S{{S}_{1}}+{{S}_{1}}O \right) \\
& \Rightarrow \vartriangle x=S{{S}_{2}}-S{{S}_{1}} \\
\end{align}$
That is, the distances ${{S}_{1}}O\And {{S}_{2}}O$ are equal.
Then thickness t is,
$t=\sqrt{{{2}^{2}}+{{1.5}^{2}}}=2.5mm$
Then,
$\begin{align}
& \vartriangle x=\mu t-t \\
& \Rightarrow \vartriangle x=\left( \dfrac{6}{5}\times 2.5 \right)-2.5 \\
& \Rightarrow \vartriangle x=0.5mm \\
\end{align}$
The path length difference must be an integral multiple of the wavelength.
So, $\vartriangle x=n\lambda $
$\Rightarrow n=\dfrac{\vartriangle x}{\lambda }$
Substituting the value we get,
$\begin{align}
& n=\dfrac{0.5\times {{10}^{-3}}}{500\times {{10}^{-9}}} \\
& \therefore n=1000 \\
\end{align}$
Additional information:
$\dfrac{(2n-1){{\lambda }_{1}}D}{2d}=\dfrac{(2m-1){{\lambda }_{2}}D}{2d}$
where, d is the distance between the slits.
D, the distance between the slit and screen.
${{\lambda }_{1}}\And {{\lambda }_{2}}$ are the wavelengths of light used.
m and n are the order of interference.
To obtain constructive interference for a double slit, the path length difference must be an integral multiple of the wavelength.
$d\sin \theta =m\lambda $
For m= 0,1,-1,2,-2,…… (Constructive interference)
$d\sin \theta =\left( m+\dfrac{1}{2} \right)\lambda $
For m=0,1,-1,2,-2,……….(Destructive interference)
Here, $\lambda $ is the wavelength of light, d is the distance between the slits and m is the order of interference.
Note:
The value of m and n should not be a decimal or a fractional number. The path difference here is the difference between the $S{{S}_{2}}\ and S{{S}_{1}}$ since, the distances ${{S}_{1}}O\And {{S}_{2}}O$ are equal. Also path difference is the product of its wavelength and order of the fringe. To obtain constructive interference for a double slit, the path length difference must be an integral multiple of the wavelength.
Complete answer:
The path difference is denoted by the letter $\vartriangle x$ .
Hence,
$\begin{align}
& \vartriangle x=\left( S{{S}_{2}}+{{S}_{2}}O \right)-\left( S{{S}_{1}}+{{S}_{1}}O \right) \\
& \Rightarrow \vartriangle x=S{{S}_{2}}-S{{S}_{1}} \\
\end{align}$
That is, the distances ${{S}_{1}}O\And {{S}_{2}}O$ are equal.
Then thickness t is,
$t=\sqrt{{{2}^{2}}+{{1.5}^{2}}}=2.5mm$
Then,
$\begin{align}
& \vartriangle x=\mu t-t \\
& \Rightarrow \vartriangle x=\left( \dfrac{6}{5}\times 2.5 \right)-2.5 \\
& \Rightarrow \vartriangle x=0.5mm \\
\end{align}$
The path length difference must be an integral multiple of the wavelength.
So, $\vartriangle x=n\lambda $
$\Rightarrow n=\dfrac{\vartriangle x}{\lambda }$
Substituting the value we get,
$\begin{align}
& n=\dfrac{0.5\times {{10}^{-3}}}{500\times {{10}^{-9}}} \\
& \therefore n=1000 \\
\end{align}$
Additional information:
$\dfrac{(2n-1){{\lambda }_{1}}D}{2d}=\dfrac{(2m-1){{\lambda }_{2}}D}{2d}$
where, d is the distance between the slits.
D, the distance between the slit and screen.
${{\lambda }_{1}}\And {{\lambda }_{2}}$ are the wavelengths of light used.
m and n are the order of interference.
To obtain constructive interference for a double slit, the path length difference must be an integral multiple of the wavelength.
$d\sin \theta =m\lambda $
For m= 0,1,-1,2,-2,…… (Constructive interference)
$d\sin \theta =\left( m+\dfrac{1}{2} \right)\lambda $
For m=0,1,-1,2,-2,……….(Destructive interference)
Here, $\lambda $ is the wavelength of light, d is the distance between the slits and m is the order of interference.
Note:
The value of m and n should not be a decimal or a fractional number. The path difference here is the difference between the $S{{S}_{2}}\ and S{{S}_{1}}$ since, the distances ${{S}_{1}}O\And {{S}_{2}}O$ are equal. Also path difference is the product of its wavelength and order of the fringe. To obtain constructive interference for a double slit, the path length difference must be an integral multiple of the wavelength.
Recently Updated Pages
Master Class 12 English: Engaging Questions & Answers for Success

Master Class 12 Business Studies: Engaging Questions & Answers for Success

Master Class 12 Economics: Engaging Questions & Answers for Success

Master Class 12 Social Science: Engaging Questions & Answers for Success

Master Class 12 Maths: Engaging Questions & Answers for Success

Master Class 12 Chemistry: Engaging Questions & Answers for Success

Trending doubts
Explain sex determination in humans with line diag class 12 biology CBSE

Explain sex determination in humans with the help of class 12 biology CBSE

Differentiate between homogeneous and heterogeneous class 12 chemistry CBSE

Dihybrid cross is made between RRYY yellow round seed class 12 biology CBSE

What is virtual and erect image ?

What is the Full Form of PVC, PET, HDPE, LDPE, PP and PS ?

