
Find the magnitude of force exerted on string by pulley.
Answer
561k+ views
Hint: The normal reaction would be balancing the forces of tension from string on left and downward sides. So, it would equal the opposite of the resultant tension forces.
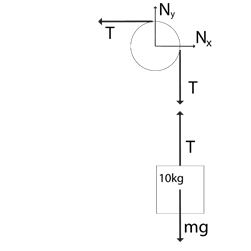
Complete step by step answer:First we will draw the F.B.D of the box and the pulley. As we can see from the question diagram, there would be two forces acting on the box- tension due to string (say T) in the upward direction and weight (say mg) in the downward direction. On the pulley there would be three forces, tension due to string towards left and down , and normal reaction towards string. The tension would be the same as the tension on the box from string because the string is uniform and doesn’t undergo any knot or blockage. Let the tensions be T and normal reactions be N.
Now, considering equilibrium we can apply the equilibrium condition.
On box,
$\sum {{F_x} = 0} $
There are no forces in x-direction.
For y direction,
$
\sum {{F_y} = 0} \\
\Rightarrow T = mg \\
\Rightarrow T = 10kg \times 10m/s \\
\Rightarrow T = 100N \\
$
On pulley, normal reaction can be divided in rectangular components in x-y plane as
Now balancing the forces in x and y directions, we get
$
\sum {{F_x} = 0} \\
\Rightarrow {N_x} = T \\
$
$
\sum {{F_y}} = 0 \\
\Rightarrow {N_y} = T \\
$
Therefore, normal reaction would be the vector sum of normal reaction components in x and y direction.
$
N = \sqrt {N_x^2 + N_y^2} \\
\Rightarrow N = \sqrt {{T^2} + {T^2}} = T\sqrt 2 \\
\Rightarrow N = 100\sqrt 2 {\rm N} \\
$
Therefore, the correct answer is the pulley exerts a force of $100\sqrt 2 {\rm N}$ on the string.
Note:We can also first calculate the total tension forces on the pulley and then equate it to the normal reaction force i.e. ${T_{total}} = \sqrt {{T^2} + {T^2}} = T\sqrt 2 = N$ .
Complete step by step answer:First we will draw the F.B.D of the box and the pulley. As we can see from the question diagram, there would be two forces acting on the box- tension due to string (say T) in the upward direction and weight (say mg) in the downward direction. On the pulley there would be three forces, tension due to string towards left and down , and normal reaction towards string. The tension would be the same as the tension on the box from string because the string is uniform and doesn’t undergo any knot or blockage. Let the tensions be T and normal reactions be N.
Now, considering equilibrium we can apply the equilibrium condition.
On box,
$\sum {{F_x} = 0} $
There are no forces in x-direction.
For y direction,
$
\sum {{F_y} = 0} \\
\Rightarrow T = mg \\
\Rightarrow T = 10kg \times 10m/s \\
\Rightarrow T = 100N \\
$
On pulley, normal reaction can be divided in rectangular components in x-y plane as
Now balancing the forces in x and y directions, we get
$
\sum {{F_x} = 0} \\
\Rightarrow {N_x} = T \\
$
$
\sum {{F_y}} = 0 \\
\Rightarrow {N_y} = T \\
$
Therefore, normal reaction would be the vector sum of normal reaction components in x and y direction.
$
N = \sqrt {N_x^2 + N_y^2} \\
\Rightarrow N = \sqrt {{T^2} + {T^2}} = T\sqrt 2 \\
\Rightarrow N = 100\sqrt 2 {\rm N} \\
$
Therefore, the correct answer is the pulley exerts a force of $100\sqrt 2 {\rm N}$ on the string.
Note:We can also first calculate the total tension forces on the pulley and then equate it to the normal reaction force i.e. ${T_{total}} = \sqrt {{T^2} + {T^2}} = T\sqrt 2 = N$ .
Recently Updated Pages
Master Class 12 Business Studies: Engaging Questions & Answers for Success

Master Class 12 Economics: Engaging Questions & Answers for Success

Master Class 12 English: Engaging Questions & Answers for Success

Master Class 12 Maths: Engaging Questions & Answers for Success

Master Class 12 Social Science: Engaging Questions & Answers for Success

Master Class 12 Chemistry: Engaging Questions & Answers for Success

Trending doubts
What are the major means of transport Explain each class 12 social science CBSE

Which are the Top 10 Largest Countries of the World?

Draw a labelled sketch of the human eye class 12 physics CBSE

How much time does it take to bleed after eating p class 12 biology CBSE

Explain sex determination in humans with line diag class 12 biology CBSE

Differentiate between homogeneous and heterogeneous class 12 chemistry CBSE

