
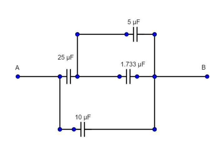
Find the equivalent capacitance across A and B.
(A). $\dfrac{35}{6}\mu F$
(B). $\dfrac{25}{6}\mu F$
(C). 15$\mu F$
(D). None of these.
Answer
594.9k+ views
Hint: First we need to disintegrate the circuit into many parts with respect to the capacitors in series or parallel, so that the calculation is made easy, after that we need to calculate all the series and parallel connections of the circuit which will give us the value of the equivalent capacitance in the circuit.
Complete step by step answer:
We see that the 15$\mu F$ , and the 10$\mu F$ capacitors are in parallel, so
C$_{eq1}$= (15+10)$\mu F$
C$_{eq1}$=25$\mu F$.
We further see that both the 1$\mu F$ capacitors are in parallel, so
C$_{eq2}$=(1+1) $\mu F$
C$_{eq2}$=2 $\mu F$.
Now on comparing we see that C$_{eq2}$ and 13 $\mu F$ capacitors are in series,
So,
C$_{eq3}$=$\dfrac{13\times 2}{13+2}$
C$_{eq3}$=$1.733$
Now comparing C$_{eq3}$ and 5$\mu F$ capacitor that are in parallel,
C$_{eq4}$=$1.733$+5$\mu F$
C$_{eq4}$=$6.733$$\mu F$
Now we see that,25$\mu F$and C$_{eq4}$ is in with each other which in turn us parallel to the 10 $\mu F$ capacitor that is below so,
$\dfrac{1}{C{}_{eq5}}=\dfrac{1}{6.733}+25$
\[\dfrac{1}{C{}_{eq5}}=\dfrac{25+6.733}{168.32}\mu F\]
$C{}_{eq5}=5.30\mu F$,
C$_{eq6}$ =$5.30+10$
C$_{eq6}$=$15.30\mu F$
Therefore the equivalent capacitance between the two is 15.30$\mu F$, which is option D (none of the above).
Additional Information:
A capacitor is a device which is used to store charge, it is usually made up of two conductors separated by an insulator.
Note:
When we calculate equivalent capacitance for a series circuit of capacitors we need to do a sum of both the capacitance simply, but when we find equivalent capacitance for a parallel circuit of capacitors we need to inverse each and every following term and find the result.
Complete step by step answer:
We see that the 15$\mu F$ , and the 10$\mu F$ capacitors are in parallel, so
C$_{eq1}$= (15+10)$\mu F$
C$_{eq1}$=25$\mu F$.
We further see that both the 1$\mu F$ capacitors are in parallel, so
C$_{eq2}$=(1+1) $\mu F$
C$_{eq2}$=2 $\mu F$.
Now on comparing we see that C$_{eq2}$ and 13 $\mu F$ capacitors are in series,
So,
C$_{eq3}$=$\dfrac{13\times 2}{13+2}$
C$_{eq3}$=$1.733$
Now comparing C$_{eq3}$ and 5$\mu F$ capacitor that are in parallel,
C$_{eq4}$=$1.733$+5$\mu F$
C$_{eq4}$=$6.733$$\mu F$
Now we see that,25$\mu F$and C$_{eq4}$ is in with each other which in turn us parallel to the 10 $\mu F$ capacitor that is below so,
$\dfrac{1}{C{}_{eq5}}=\dfrac{1}{6.733}+25$
\[\dfrac{1}{C{}_{eq5}}=\dfrac{25+6.733}{168.32}\mu F\]
$C{}_{eq5}=5.30\mu F$,
C$_{eq6}$ =$5.30+10$
C$_{eq6}$=$15.30\mu F$
Therefore the equivalent capacitance between the two is 15.30$\mu F$, which is option D (none of the above).
Additional Information:
A capacitor is a device which is used to store charge, it is usually made up of two conductors separated by an insulator.
Note:
When we calculate equivalent capacitance for a series circuit of capacitors we need to do a sum of both the capacitance simply, but when we find equivalent capacitance for a parallel circuit of capacitors we need to inverse each and every following term and find the result.
Recently Updated Pages
Master Class 12 Economics: Engaging Questions & Answers for Success

Master Class 12 Physics: Engaging Questions & Answers for Success

Master Class 12 English: Engaging Questions & Answers for Success

Master Class 12 Social Science: Engaging Questions & Answers for Success

Master Class 12 Maths: Engaging Questions & Answers for Success

Master Class 12 Business Studies: Engaging Questions & Answers for Success

Trending doubts
Which are the Top 10 Largest Countries of the World?

What are the major means of transport Explain each class 12 social science CBSE

Draw a labelled sketch of the human eye class 12 physics CBSE

Why cannot DNA pass through cell membranes class 12 biology CBSE

Differentiate between insitu conservation and exsitu class 12 biology CBSE

Draw a neat and well labeled diagram of TS of ovary class 12 biology CBSE

