
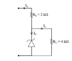
Figure shows a DC voltage regulator circuit, with Zener diode of breakdown voltage$=6V$. If the unregulated input voltage varies between$10V$to$16V$, then what is the maximum zener current?
$\text{A}\text{. }2.5mA$
$\text{B}\text{. }3.5mA$
$\text{C}\text{. }7.5mA$
$\text{D}\text{. }1.5mA$
Answer
584.7k+ views
Hint: For calculating maximum zener current, we only need the help of Ohm’s law. At a rated voltage, we can find the value of zener current using load resistance value and applying the Ohm’s law.
Formula used:
$V=IR$
Complete step by step answer:
Zener diode is a kind of semiconductor diode in which a large value of current can flow at a critical reverse voltage. Zener diodes are widely used as voltage regulators and shunt regulators in order to regulate the voltage across small circuits. When reverse biased, zener diode conducts when the voltage reaches the diode’s reverse breakdown voltage. They are specially designed to work in reverse biased mode. The voltage across zener diode in reverse biased mode almost remains same and the zener current remains between the breakdown current, ${{I}_{Z\text{(min)}}}$ and maximum zener current ${{I}_{Z\text{(max)}}}$.
For calculating the value of and ${{I}_{Z\text{(max)}}}$, we need to apply Ohm’s law in the circuit.
Maximum current will flow from the zener diode if the input voltage is maximum.
When the zener diode works in breakdown state, voltage across zener remains the same.
That is,
\[{{V}_{Z}}=6V\]
Current through $4K\Omega $ resistor,
${{I}_{L}}=\dfrac{6}{4000}=1.5mA$
Now, input voltage is given as $16V$
Potential across $2K\Omega $ resistor,
${{V}_{S}}=10V$
Current through $2K\Omega $ resistor,
${{I}_{S}}=\dfrac{10}{2}=5mA$
Now,
Total current in the circuit is $5mA$
Current through the load is $1.5mA$
Therefore,
Maximum current through zener diode is,
${{I}_{{{Z}_{\max }}}}=5-1.5=3.5mA$
Maximum zener current in the circuit is $3.5mA$.
Hence, the correct option is B.
Additional information:
Zener breakdown or Zener effect occurs due to the presence of high electric field density across the depletion region. It breaks some of the covalent bonds leading to the release of a large number of minority carriers. Zener effect is predominant upto $5.6V$for silicon diodes and has negative temperature coefficient.
Avalanche breakdown is different from zener breakdown. It is caused due to the collision between carriers. Minority carriers in the depletion region get accelerated by the reverse biased electric field. Avalanche breakdown is predominant above$5.6V$ for silicon diodes and has positive temperature coefficient.
Note:
Students should keep in mind that in case of unregulated voltage supply, we take an instant of time where voltage is regulated and find the value of current through zener diode at that instant.
Formula used:
$V=IR$
Complete step by step answer:
Zener diode is a kind of semiconductor diode in which a large value of current can flow at a critical reverse voltage. Zener diodes are widely used as voltage regulators and shunt regulators in order to regulate the voltage across small circuits. When reverse biased, zener diode conducts when the voltage reaches the diode’s reverse breakdown voltage. They are specially designed to work in reverse biased mode. The voltage across zener diode in reverse biased mode almost remains same and the zener current remains between the breakdown current, ${{I}_{Z\text{(min)}}}$ and maximum zener current ${{I}_{Z\text{(max)}}}$.
For calculating the value of and ${{I}_{Z\text{(max)}}}$, we need to apply Ohm’s law in the circuit.
Maximum current will flow from the zener diode if the input voltage is maximum.
When the zener diode works in breakdown state, voltage across zener remains the same.
That is,
\[{{V}_{Z}}=6V\]
Current through $4K\Omega $ resistor,
${{I}_{L}}=\dfrac{6}{4000}=1.5mA$
Now, input voltage is given as $16V$
Potential across $2K\Omega $ resistor,
${{V}_{S}}=10V$
Current through $2K\Omega $ resistor,
${{I}_{S}}=\dfrac{10}{2}=5mA$
Now,
Total current in the circuit is $5mA$
Current through the load is $1.5mA$
Therefore,
Maximum current through zener diode is,
${{I}_{{{Z}_{\max }}}}=5-1.5=3.5mA$
Maximum zener current in the circuit is $3.5mA$.
Hence, the correct option is B.
Additional information:
Zener breakdown or Zener effect occurs due to the presence of high electric field density across the depletion region. It breaks some of the covalent bonds leading to the release of a large number of minority carriers. Zener effect is predominant upto $5.6V$for silicon diodes and has negative temperature coefficient.
Avalanche breakdown is different from zener breakdown. It is caused due to the collision between carriers. Minority carriers in the depletion region get accelerated by the reverse biased electric field. Avalanche breakdown is predominant above$5.6V$ for silicon diodes and has positive temperature coefficient.
Note:
Students should keep in mind that in case of unregulated voltage supply, we take an instant of time where voltage is regulated and find the value of current through zener diode at that instant.
Recently Updated Pages
Master Class 12 Economics: Engaging Questions & Answers for Success

Master Class 12 Physics: Engaging Questions & Answers for Success

Master Class 12 English: Engaging Questions & Answers for Success

Master Class 12 Social Science: Engaging Questions & Answers for Success

Master Class 12 Maths: Engaging Questions & Answers for Success

Master Class 12 Business Studies: Engaging Questions & Answers for Success

Trending doubts
Which are the Top 10 Largest Countries of the World?

What are the major means of transport Explain each class 12 social science CBSE

Draw a labelled sketch of the human eye class 12 physics CBSE

Why cannot DNA pass through cell membranes class 12 biology CBSE

Differentiate between insitu conservation and exsitu class 12 biology CBSE

Draw a neat and well labeled diagram of TS of ovary class 12 biology CBSE

