
Explain how a moving coil galvanometer is converted into an ammeter. Derive the necessary formula.
Answer
565.8k+ views
Hint: A galvanometer is a measuring device which can show both the direction and magnitude of electric current whereas an ammeter is a current measuring device that can only show the magnitude of electric current. A galvanometer can also be used to measure voltage.
Complete step by step answer:
A moving coil galvanometer is a highly sensitive electromagnetic device that can detect the currents as low as the order of a few microamperes. The working of the galvanometer is based on the principle that, when a current-carrying coil is placed in an external magnetic field, it experiences some torque.
A galvanometer is a more sensitive device as compared to an ammeter. It cannot measure higher currents because of its sensitivity. Because of its high sensitivity, the needle of the galvanometer will deflect more for smaller currents, hence cannot measure higher currents.
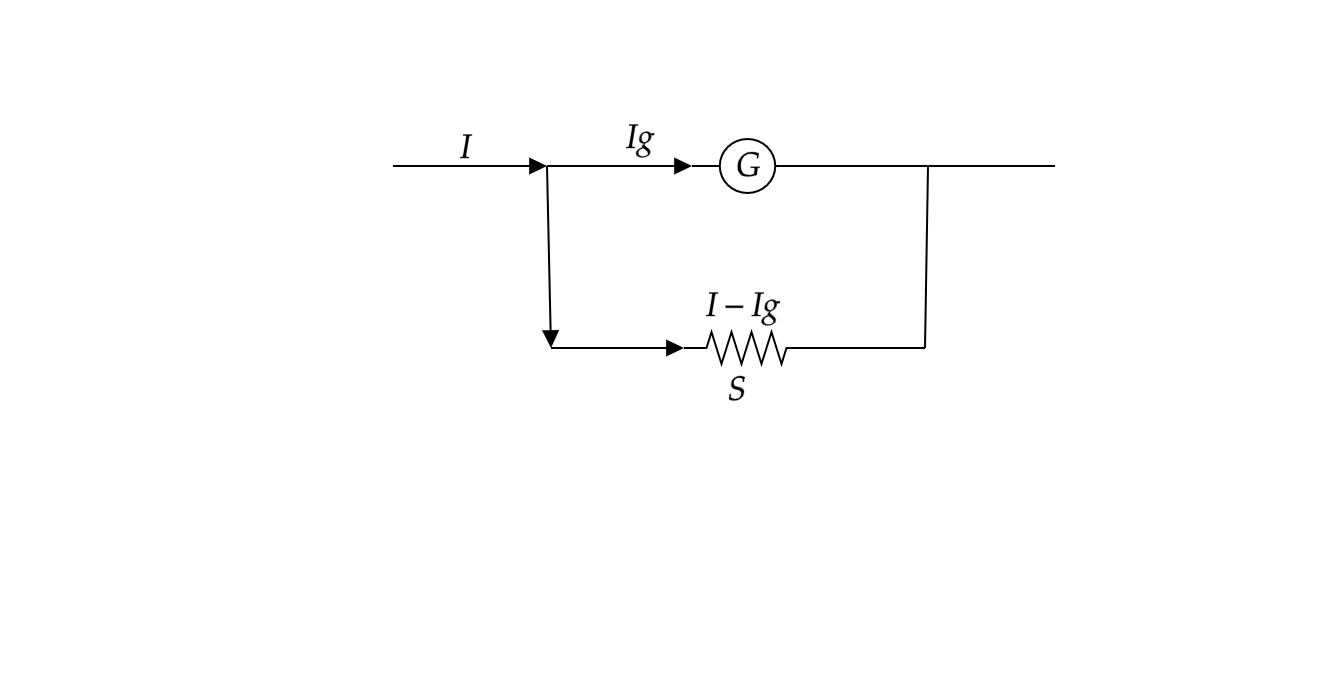
To convert a galvanometer into an ammeter, we must lower the amount of deflection for a given amount of current so that we will be able to measure large amounts of currents. For this to happen, we connect a very low resistance called shunt resistance (denoted by S in the diagram) parallel to the galvanometer. When the current passes through the galvanometer, the value of shunt is adjusted in such a way that most of the current passes through the shunt, and thereby we can measure large amounts of currents from the galvanometer as deflection is reduced.
Required formulae:
In the above circuit diagram,
\[{{R}_{G}}\] is the resistance of the galvanometer
\[I\] is the total current passing in the circuit
\[{{I}_{G}}\] is the current passing through the galvanometer and
\[{{R}_{S}}\] is the shunt resistance
The current passing through the resistance is given by,
\[{{I}_{S}}=I-{{I}_{G}}\]
The conversion formula for a galvanometer into ammeter is:
\[\begin{align}
& {{R}_{G}}\times {{I}_{G}}={{I}_{S}}\times {{R}_{S}} \\
& \Rightarrow {{R}_{G}}\times {{I}_{G}}=(I-{{I}_{G}})\times {{R}_{S}} \\
\end{align}\]
This formula follows from application of Coulomb's law, that when voltage is constant, the resistance is inversely proportional to current.
Note: When the above shunt resistance is connected in parallel across the galvanometer, the galvanometer works as an ammeter and when the same shunt resistance is connected in series with the galvanometer, the galvanometer acts as a voltmeter.
Complete step by step answer:
A moving coil galvanometer is a highly sensitive electromagnetic device that can detect the currents as low as the order of a few microamperes. The working of the galvanometer is based on the principle that, when a current-carrying coil is placed in an external magnetic field, it experiences some torque.
A galvanometer is a more sensitive device as compared to an ammeter. It cannot measure higher currents because of its sensitivity. Because of its high sensitivity, the needle of the galvanometer will deflect more for smaller currents, hence cannot measure higher currents.
To convert a galvanometer into an ammeter, we must lower the amount of deflection for a given amount of current so that we will be able to measure large amounts of currents. For this to happen, we connect a very low resistance called shunt resistance (denoted by S in the diagram) parallel to the galvanometer. When the current passes through the galvanometer, the value of shunt is adjusted in such a way that most of the current passes through the shunt, and thereby we can measure large amounts of currents from the galvanometer as deflection is reduced.
Required formulae:
In the above circuit diagram,
\[{{R}_{G}}\] is the resistance of the galvanometer
\[I\] is the total current passing in the circuit
\[{{I}_{G}}\] is the current passing through the galvanometer and
\[{{R}_{S}}\] is the shunt resistance
The current passing through the resistance is given by,
\[{{I}_{S}}=I-{{I}_{G}}\]
The conversion formula for a galvanometer into ammeter is:
\[\begin{align}
& {{R}_{G}}\times {{I}_{G}}={{I}_{S}}\times {{R}_{S}} \\
& \Rightarrow {{R}_{G}}\times {{I}_{G}}=(I-{{I}_{G}})\times {{R}_{S}} \\
\end{align}\]
This formula follows from application of Coulomb's law, that when voltage is constant, the resistance is inversely proportional to current.
Note: When the above shunt resistance is connected in parallel across the galvanometer, the galvanometer works as an ammeter and when the same shunt resistance is connected in series with the galvanometer, the galvanometer acts as a voltmeter.
Recently Updated Pages
A man running at a speed 5 ms is viewed in the side class 12 physics CBSE

The number of solutions in x in 02pi for which sqrt class 12 maths CBSE

State and explain Hardy Weinbergs Principle class 12 biology CBSE

Write any two methods of preparation of phenol Give class 12 chemistry CBSE

Which of the following statements is wrong a Amnion class 12 biology CBSE

Differentiate between action potential and resting class 12 biology CBSE

Trending doubts
What are the major means of transport Explain each class 12 social science CBSE

Which are the Top 10 Largest Countries of the World?

Draw a labelled sketch of the human eye class 12 physics CBSE

How much time does it take to bleed after eating p class 12 biology CBSE

Explain sex determination in humans with line diag class 12 biology CBSE

Explain sex determination in humans with the help of class 12 biology CBSE

